1 лист формата А1 графической части + таблица штуцеров
- Главная -
- Чертежи -
- Промышленность -
- Химическая промышленность (ПАХТ и ПАПП) -
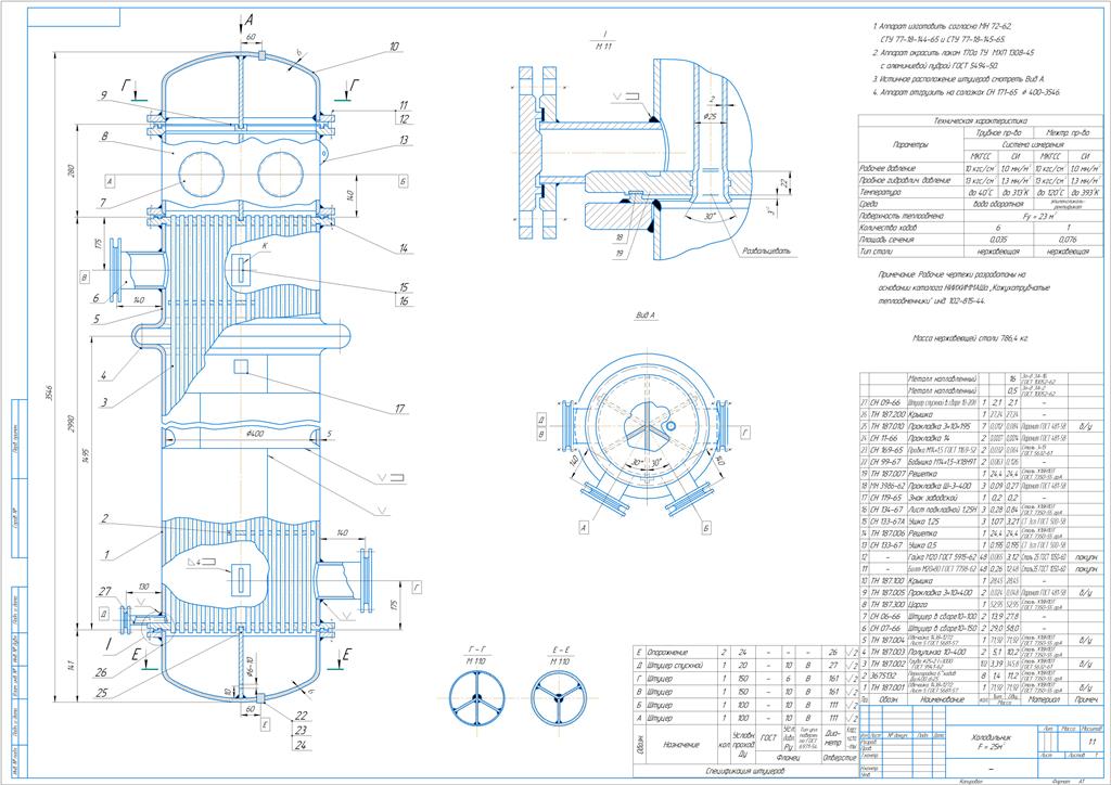
- Холодильник F=25 м2
Холодильник F=25 м2
0
0
64
0
0
40
Сообщить о проблеме
Автор
Дата
22.10.2021
Язык
Русский
Состав
Вид общий (ВО)
Софт
КОМПАС-3D 14
Как открыть?
Отзывов пока нет
Содержимое архива
-
Чертеж Холодильник F=25м.cdw
Чтобы скачать чертеж, 3D модель или проект, Вы должны зарегистрироваться
и принять участие в жизни сайта. Посмотрите, как тут скачивать
файлы
Отзывов пока нет
Чтобы оставить отзыв, необходимо войти
Войти с помощью:
Используя функцию входа через сторонние сервисы, Вы соглашаетесь на обработку персональных данных в соответствии с Политикой конфиденциальности
Используя функцию входа через сторонние сервисы, Вы соглашаетесь на обработку персональных данных в соответствии с Политикой конфиденциальности