Перейти к содержимому
Войти

Расчёт вакуум-выпарного аппарата с термокомпрессором

0
2
361
9
1
60

Могилёвский государственный технологический университет
Кафедра технической механники и материаловедения
Факультет химико-технологический

Дисциплина "Процессы и аппараты пищевых производств"
Курсовая работа на тему "Расчёт вакуум-выпарного аппарата с термокомпрессором"
Могилев 2009

1. Аппарат предназначен для упаривания сыворотки
от начальной концентрации 6 масс.%
2.Производительность по исходному раствору 1,39 кг/с.
3.Поверхность теплообмена 125 М2
4.Конечная концентрация 40%

В процессе выполнения курсового проекта мы расчетали вакуум-выпарной аппарат с термокомпрессором для концентрирования молока цельного. Рассчитали выпарной аппарат – с принудительной циркуляцией и рассчитали термокомпрессор.
Подобрали подогреватель труба в трубе, кожухотрубный конденсатор. Произвели гидравлический расчет установки, подобрали центробежный насос.

Содержание

Введение…………………………………………………………….…………...3
1. Состояние вопроса………………………………………..………………....8
2. Технические описания и расчёты…………………...............…………….14
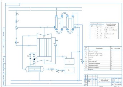
2.1 Описание принципа работы технологической схемы…………...……..14
2.2 Материальный расчёт установки………………………………………...15
2.3 Тепловой расчёт аппарата………………………………………………..16
2.4 Тепловой расчёт комплектующего оборудования……………………..22
2.5 Гидравлический расчёт продуктовой линии и подбор нагнетательного оборудования………………………………………………………………….29
2.6 Конструктивный расчёт проектируемого аппарата……………...........32
Заключение…………………………………………………………………….34
Список использованных источников………………………………………..35


Сообщить о проблеме
Автор
user-avatar Willi123
Дата
16.05.2018
Язык
Русский
Состав
Аппарат выпарной с принудительной циркуляцией и вынесеной греющей камерой
Софт
КОМПАС-3D 13 Как открыть?
Отзывов пока нет
Задать вопрос
Содержимое архива
    • icon-doc
      ВЫПАРНОЙ-Лобко ГОТОВЫЙ.doc
    • icon-cdw
      выпарник.cdw
    • icon-cdw
      выпарникСХ.cdw
Чтобы скачать чертеж, 3D модель или проект, Вы должны зарегистрироваться и принять участие в жизни сайта. Посмотрите, как тут скачивать файлы
Отзывов пока нет
Чтобы оставить отзыв, необходимо войти
Войти с помощью:

Используя функцию входа через сторонние сервисы, Вы соглашаетесь на обработку персональных данных в соответствии с Политикой конфиденциальности