Перейти к содержимому
Войти

Рыхлитель асбеста

0
0
42
0
0
50

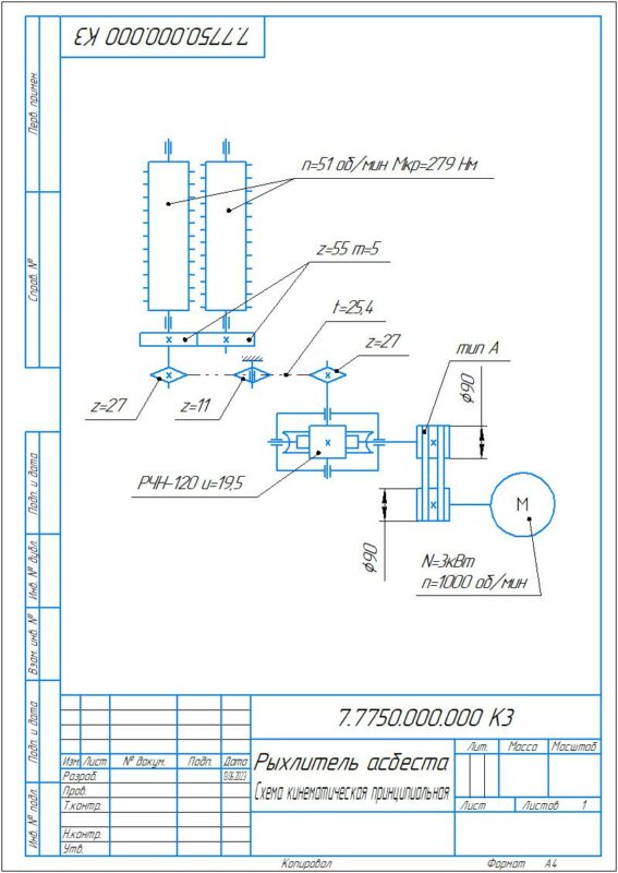
Принцип действия рыхлителя заключается в разрыхлении спрессованного асбеста под действием вращающихся горизонтальных роторов и свободного
падения разрыхленного продукта.

Мощность электродвигателя, кВт - 3
Частота вращения электродвигателя, об/мин - 1000
Частота вращения колковых барабанов, об/мин - 51
Крутящий момент на колковом барабане, Нм - 279
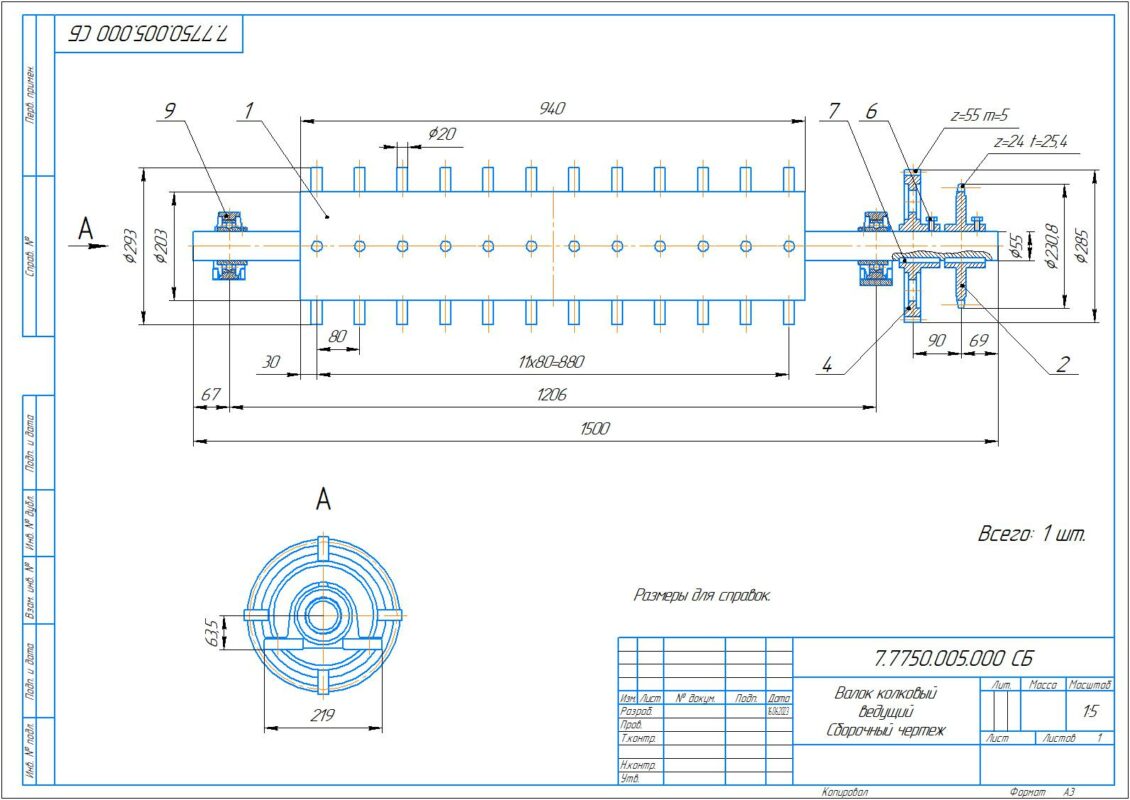
Длина колкового валка, мм - 940
Диаметр колкового валка, мм - 293
Рабочий зазор между колками, мм - 18...20


Сообщить о проблеме
Автор
user-avatar Sarumyan
Дата
09.06.2025
Язык
Русский
Состав
Рыхлитель асбеста (СБ, СП), кинематическая схема, рама, боковина, поперечина, валок колковый, звёздочка ведущая, натяжная, ведомая, деталировка, 48 файлов
Софт
КОМПАС-3D 23 Как открыть?
Отзывов пока нет
Задать вопрос
Содержимое архива
  • icon-spw 7.7750.000.000 - Рыхлитель асбеста.spw
  • icon-cdw 7.7750.000.000 К3 - Рыхлитель асбеста.cdw
  • icon-jpg 7.7750.000.000 К3 - Рыхлитель асбеста.jpg
  • icon-cdw 7.7750.000.000 СБ - Рыхлитель асбеста.cdw
  • icon-jpg 7.7750.000.000 СБ - Рыхлитель асбеста.jpg
  • icon-cdw 7.7750.000.001 - Шкив ведущий.cdw
  • icon-cdw 7.7750.000.002 - Шкив ведомый.cdw
  • icon-spw 7.7750.001.000 - Рама.spw
  • icon-cdw 7.7750.001.000 СБ - Рама.cdw
  • icon-jpg 7.7750.001.000 СБ - Рама.jpg
  • icon-cdw 7.7750.001.001 - Уголок.cdw
  • icon-cdw 7.7750.001.100 - Стойка длинная.cdw
  • icon-cdw 7.7750.001.200 - Балка опорная.cdw
  • icon-cdw 7.7750.001.201 - Ребро.cdw
  • icon-cdw 7.7750.001.300 - Стойка короткая.cdw
  • icon-cdw 7.7750.001.400 - Опора редуктора.cdw
  • icon-cdw 7.7750.001.500 - Опора электродвигателя передняя.cdw
  • icon-cdw 7.7750.001.501 - Платик резьбовой.cdw
  • icon-cdw 7.7750.001.600 - Опора электродвигателя задняя.cdw
  • icon-cdw 7.7750.002.000 - Боковина.cdw
  • icon-cdw 7.7750.002.100 - Стойка.cdw
  • icon-cdw 7.7750.003.000 - Поперечина нижняя.cdw
  • icon-cdw 7.7750.003.001 - Платик.cdw
  • icon-cdw 7.7750.004.000 - Поперечина верхняя.cdw
  • icon-cdw 7.7750.004.001 - Балка.cdw
  • icon-cdw 7.7750.004.002 - Платик.cdw
  • icon-spw 7.7750.005.000 - Валок колковый ведущий.spw
  • icon-cdw 7.7750.005.000 СБ - Валок колковый ведущий.cdw
  • icon-jpg 7.7750.005.000 СБ - Валок колковый ведущий.jpg
  • icon-cdw 7.7750.005.001 - Колесо зубчатое.cdw
  • icon-cdw 7.7750.005.100 - Валок колковый передний.cdw
  • icon-cdw 7.7750.005.101 - Барабан.cdw
  • icon-cdw 7.7750.005.102 - Диск.cdw
  • icon-cdw 7.7750.005.103 - Цапфа короткая.cdw
  • icon-cdw 7.7750.005.104 - Цапфа длинная.cdw
  • icon-cdw 7.7750.005.105 - Колок.cdw
  • icon-cdw 7.7750.005.200 - Звёздочка ведомая.cdw
  • icon-cdw 7.7750.005.201 - Ступица.cdw
  • icon-cdw 7.7750.005.202 - Диск.cdw
  • icon-spw 7.7750.006.000 - Валок колковый ведомый.spw
  • icon-cdw 7.7750.006.000 СБ - Валок колковый ведомый.cdw
  • icon-cdw 7.7750.006.100 - Валок колковый задний.cdw
  • icon-cdw 7.7750.006.101 - Цапфа длинная.cdw
  • icon-cdw 7.7750.007.000 - Бункер.cdw
  • icon-cdw 7.7750.007.001 - Фланец.cdw
  • icon-cdw 7.7750.007.002 - Боковина.cdw
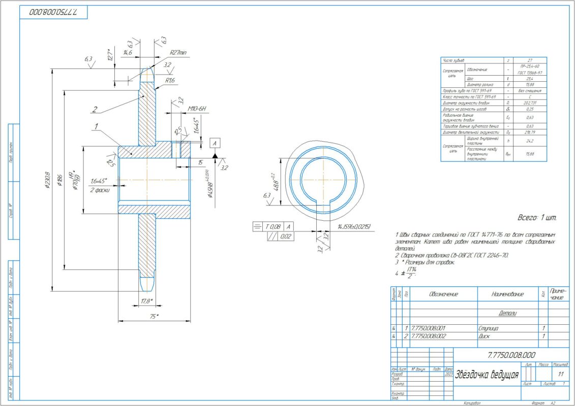
  • icon-cdw 7.7750.008.000 - Звёздочка ведущая.cdw
  • icon-jpg 7.7750.008.000 - Звёздочка ведущая.jpg
  • icon-cdw 7.7750.008.001 - Ступица.cdw
  • icon-cdw 7.7750.008.002 - Диск.cdw
  • icon-cdw 7.7750.009.000 - Звёздочка натяжная.cdw
  • icon-cdw 7.7750.009.001 - Ось.cdw
  • icon-cdw 7.7750.009.002 - Звёздочка.cdw
Чтобы скачать чертеж, 3D модель или проект, Вы должны зарегистрироваться и принять участие в жизни сайта. Посмотрите, как тут скачивать файлы
Отзывов пока нет
Чтобы оставить отзыв, необходимо войти
Войти с помощью:

Используя функцию входа через сторонние сервисы, Вы соглашаетесь на обработку персональных данных в соответствии с Политикой конфиденциальности