Перейти к содержимому
Войти

Просеиватель А1-БПК для муки

1
0
147
1
2
200

КубГТУ, ИСП, Алгоритмы
компьютерной графики, Разработка 3D модели просеивающей машины А1-БПК, 2026

Просеивающие машины типа А1-БПК предназначены для контрольного просеивания муки с целью выделения из нее случайно попавших посторонних примесей. В данном проекте представляется модернизированная версия. Производительность 36 т/ч. Записка содержит расчёт коэффициента масштабирование, программное построение в AutoCAD, описание машины и технологической линии, расчетную часть.

Из файлов представлено:
Чертёж - 3д Компас v. 23
3д модель - AutoCAD 2026
файл lsp - генерирует 3д модель в автокаде
файл dcl - которое необходимо для lsp.
файл sqp - спецификация чертежа

СОДЕРЖАНИЕ
Введение 2
1. Построение просеивающей машины типа A1-БПК в программе AutoCAD c помощью редактора Visual LISP. 5
2. Расчёт основных параметров единичной модели в среде инженерных расчётов MathCAD 6
3. Создание трёхпараметричёской инженерной модели с использованием табличного процессора Excel 7
4. Расчёт линейного регрессионного уравнения инженерной модели 10
5. Разработка интерфейса инженерной модели 11
6. Адаптация интерфейсных параметров в программный модуль 12
7. Список используемых источников 14
Приложение А (код интерфейсного окна) 15
Приложение Б (листинг управляющей программы) 16
Приложение В (сборочный чертёж) 19
Приложение Г (спецификация) 20
Приложение Д (результат работы программного модуля) 21

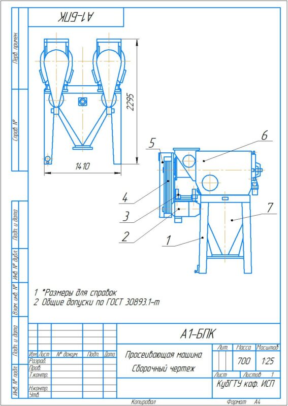
Просеивающая машина Al-БПК представляет собой блочную конструкцию, состоящую из станины 1, двух просеивателей 6, двух приводов 2, бункера 7, двух ограждающих устройств 5. Станина, изготовленная из листовой стали толщиной 6 мм, состоит из верхнего прямоугольного основания корытообразной формы и четырёх опорных стоек из уголкового гнутого профиля. К основанию станины, имеющему два окна для вывода очищенного продукта и окно для подсоединения к системе аспирации, прикреплены два просеивается с индивидуальными электроприводами. Привод каждого просеивателя включает в себя электродвигатель, клиноременную передачу и натяжное устройство. Размещён он со стороны приёмных патрубков. Электродвигатель и натяжное устройство монтируют на кронштейне 3 приёмного патрубка просеивателя.


Сообщить о проблеме
Автор
user-avatar user-0271890
Дата
12.04.2026
Язык
Русский
Состав
Чертёж - 3д Компас v. 23 3д модель - AutoCAD 2026 файл lsp - генерирует 3д модель в автокаде файл dcl - которое необходимо для lsp. файл sqp - спецификация чертежа, ПЗ
Софт
КОМПАС-3D 23 Как открыть?
Отзывов пока нет
Задать вопрос
Содержимое архива
  • icon-none dialog.dcl
  • icon-none mod.lsp
  • icon-doc Описание.docx
  • icon-spw Просеивающая машина _ А1-БПК.spw
  • icon-cdw курсовая.cdw.bak.cdw
  • icon-dwg модель.dwg
  • icon-frw модель.frw
  • icon-m3d модель.m3d
  • icon-step модель.stp
Чтобы скачать чертеж, 3D модель или проект, Вы должны зарегистрироваться и принять участие в жизни сайта. Посмотрите, как тут скачивать файлы
Отзывов пока нет
Чтобы оставить отзыв, необходимо войти
Войти с помощью:

Используя функцию входа через сторонние сервисы, Вы соглашаетесь на обработку персональных данных в соответствии с Политикой конфиденциальности