Перейти к содержимому
Войти

Опора регулируемая винтовая трубопровода

0
5
98
0
0
1 000

Чертежи на изготовление опор регулируемых винтовых для газо/нефте/водопровода ду38/50/80/100/150/200/300/400/500/700 с 3D моделями.


Сообщить о проблеме
Дата
01.02.2026
Язык
Русский
Состав
3D Сборка, Чертежи
Софт
КОМПАС-3D 23 Как открыть?
Отзывов пока нет
Задать вопрос
Содержимое архива
        • icon-spw БР.450.00.020 - Верхння часть.spw
        • icon-cdw БР.450.00.020 СБ - Верхння часть Сборочный чертеж.cdw
        • icon-cdw БР.450.00.021 - Лист.cdw
        • icon-m3d БР.450.00.021 - Лист.m3d
        • icon-m3d БР.450.00.022 - Швеллер.m3d
        • icon-m3d БР.450.00.023 - Перемычка.m3d
        • icon-cdw БР.450.00.024 - Щека.cdw
        • icon-m3d БР.450.00.024 - Щека.m3d
        • icon-a3d ГЭК.450.00.020 - Верхняя часть.a3d
        • icon-cdw БР.450.00.010 - Нижняя часть.cdw
        • icon-spw БР.450.00.010 - Нижняя часть.spw
        • icon-m3d БР.450.00.011 - Опорный лист.m3d
        • icon-cdw БР.450.00.012 - Щека.cdw
        • icon-m3d БР.450.00.012 - Щека.m3d
        • icon-cdw БР.450.00.013 - Направляющая.cdw
        • icon-m3d БР.450.00.013 - Направляющая.m3d
        • icon-cdw БР.450.00.014 - Ребро.cdw
        • icon-m3d БР.450.00.014 - Ребро.m3d
        • icon-a3d ГЭК.450.00.010 - Нижняя часть.a3d
      • icon-a3d БР.450.00.000 - Опора.a3d
      • icon-spw БР.450.00.000 - Опора.spw
      • icon-cdw БР.450.00.000 СБ - Опора Сборочный чертеж.cdw
      • icon-cdw БР.450.00.001 - Палец.cdw
      • icon-m3d БР.450.00.001 - Палец.m3d
      • icon-cdw БР.450.00.002 - Тяга.cdw
      • icon-m3d БР.450.00.002 - Тяга.m3d
      • icon-cdw БР.450.00.003 - Шпилька резьбовая.cdw
      • icon-m3d БР.450.00.003 - Шпилька резьбовая.m3d
      • icon-cdw БР.450.00.004 - Бонка.cdw
      • icon-m3d БР.450.00.004 - Бонка.m3d
      • icon-cdw БР.450.00.004-01 - Бонка.cdw
        • icon-a3d БР.450.00.100-01 - Ложемент.a3d
        • icon-spw БР.450.00.100-01 - Ложемент Ду 50.spw
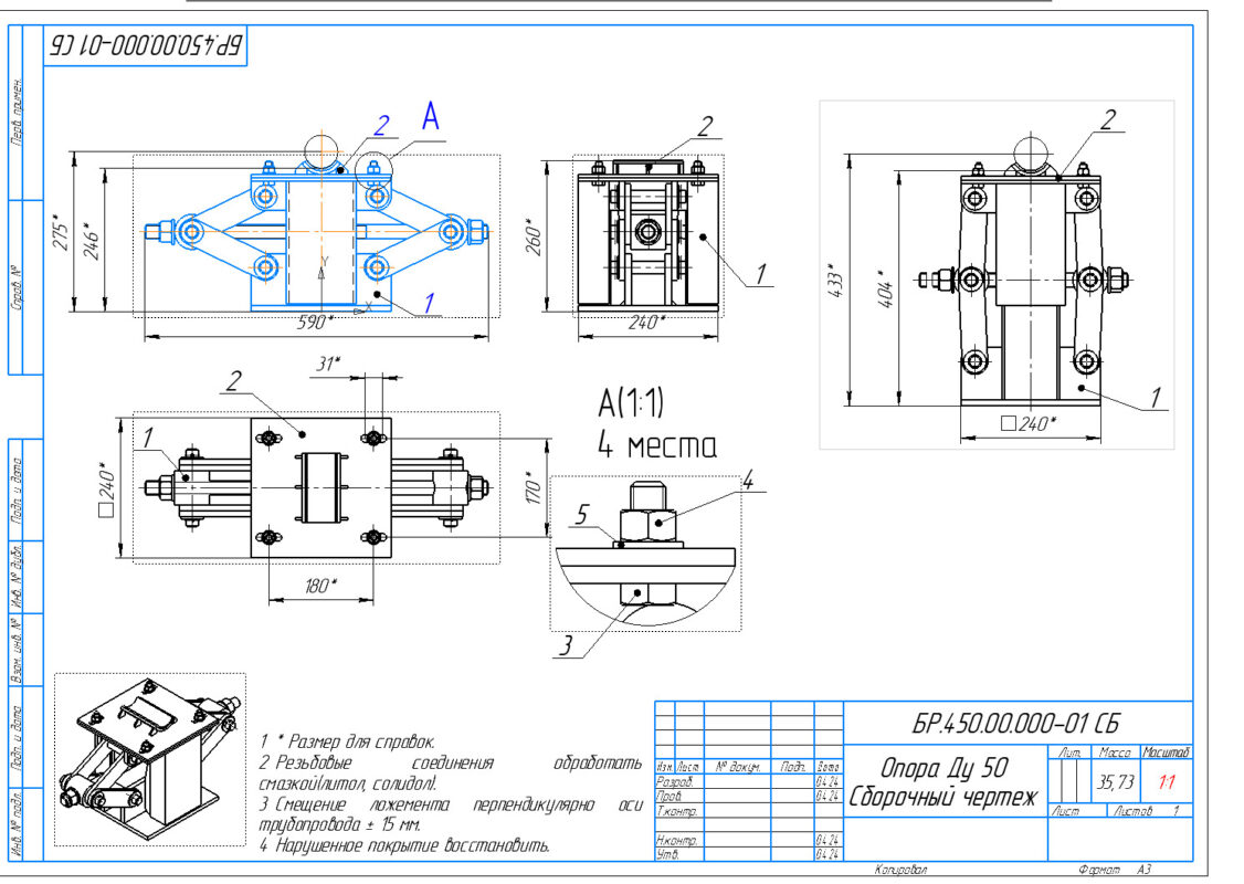
        • icon-cdw БР.450.00.100-01 СБ - Ложемент Ду 50 Сборочный чертеж.cdw
        • icon-cdw БР.450.00.101-01 - Опорный лист.cdw
        • icon-m3d БР.450.00.101-01 - Опорный лист.m3d
        • icon-cdw БР.450.00.102-01 - Лист.cdw
        • icon-m3d БР.450.00.102-01 - Лист.m3d
        • icon-cdw БР.450.00.103-01 - Ребро.cdw
        • icon-m3d БР.450.00.103-01 - Ребро.m3d
        • icon-m3d Электроизолирующий ложемент Литомет.m3d
      • icon-a3d БР.450.00.000-01 - Опора Ду 50.a3d
      • icon-cdw БР.450.00.000-01 - Опора Ду 50.cdw
      • icon-spw БР.450.00.000-01 - Опора Ду 50.spw
        • icon-a3d БР.450.00.100-02 - Ложемент.a3d
        • icon-spw БР.450.00.100-02 - Ложемент Ду 80.spw
        • icon-cdw БР.450.00.100-02 СБ - Ложемент Ду 80 Сборочный чертеж.cdw
        • icon-cdw БР.450.00.101-02 - Опорный лист.cdw
        • icon-m3d БР.450.00.101-02 - Опорный лист.m3d
        • icon-cdw БР.450.00.102-02 - Лист.cdw
        • icon-m3d БР.450.00.102-02 - Лист.m3d
        • icon-cdw БР.450.00.103-02 - Ребро.cdw
        • icon-m3d БР.450.00.103-02 - Ребро.m3d
        • icon-m3d Электроизолирующий ложемент Литомет.m3d
      • icon-a3d БР.450.00.000-02 - Опора Ду 80.a3d
      • icon-cdw БР.450.00.000-02 - Опора Ду 80.cdw
      • icon-spw БР.450.00.000-02 - Опора Ду 80.spw
        • icon-a3d БР.450.00.100-03 - Ложемент.a3d
        • icon-spw БР.450.00.100-03 - Ложемент Ду 100.spw
        • icon-cdw БР.450.00.100-03 СБ - Ложемент Ду 100 Сборочный чертеж.cdw
        • icon-cdw БР.450.00.101-03 - Опорный лист.cdw
        • icon-m3d БР.450.00.101-03 - Опорный лист.m3d
        • icon-cdw БР.450.00.102-03 - Лист.cdw
        • icon-m3d БР.450.00.102-03 - Лист.m3d
        • icon-cdw БР.450.00.103-03 - Ребро.cdw
        • icon-m3d БР.450.00.103-03 - Ребро.m3d
        • icon-m3d Электроизолирующий ложемент Литомет.m3d
      • icon-a3d БР.450.00.000-03 - Опора Ду 100.a3d
      • icon-cdw БР.450.00.000-03 - Опора Ду 100.cdw
      • icon-spw БР.450.00.000-03 - Опора Ду 100.spw
        • icon-a3d БР.450.00.100-04 - Ложемент.a3d
        • icon-spw БР.450.00.100-04 - Ложемент Ду 150.spw
        • icon-cdw БР.450.00.100-04 СБ - Ложемент Ду 150 Сборочный чертеж.cdw
        • icon-cdw БР.450.00.101-04 - Опорный лист.cdw
        • icon-m3d БР.450.00.101-04 - Опорный лист.m3d
        • icon-cdw БР.450.00.102-04 - Лист.cdw
        • icon-m3d БР.450.00.102-04 - Лист.m3d
        • icon-cdw БР.450.00.103-04 - Ребро.cdw
        • icon-m3d БР.450.00.103-04 - Ребро.m3d
        • icon-m3d Электроизолирующий ложемент Литомет.m3d
      • icon-a3d БР.450.00.000-04 - Опора Ду 150.a3d
      • icon-cdw БР.450.00.000-04 - Опора Ду 150.cdw
      • icon-spw БР.450.00.000-04 - Опора Ду 150.spw
        • icon-a3d БР.450.00.100-05 - Ложемент.a3d
        • icon-spw БР.450.00.100-05 - Ложемент Ду 200.spw
        • icon-cdw БР.450.00.100-05 СБ - Ложемент Ду 200 Сборочный чертеж.cdw
        • icon-cdw БР.450.00.101-05 - Опорный лист.cdw
        • icon-m3d БР.450.00.101-05 - Опорный лист.m3d
        • icon-cdw БР.450.00.102-05 - Лист.cdw
        • icon-m3d БР.450.00.102-05 - Лист.m3d
        • icon-cdw БР.450.00.103-05 - Ребро.cdw
        • icon-m3d БР.450.00.103-05 - Ребро.m3d
        • icon-m3d Электроизолирующий ложемент Литомет.m3d
      • icon-a3d БР.450.00.000-05 - Опора Ду 200.a3d
      • icon-spw БР.450.00.000-05 - Опора Ду 200.spw
      • icon-step БР.450.00.000-05 - Опора Ду 200.stp
      • icon-cdw ГЭК.450.00.000-05 - Опора Ду 200.cdw
        • icon-a3d БР.450.00.100-06 - Ложемент.a3d
        • icon-spw БР.450.00.100-06 - Ложемент Ду 300.spw
        • icon-cdw БР.450.00.100-06 СБ - Ложемент Ду 300 Сборочный чертеж.cdw
        • icon-cdw БР.450.00.101-06 - Опорный лист.cdw
        • icon-m3d БР.450.00.101-06 - Опорный лист.m3d
        • icon-cdw БР.450.00.102-06 - Лист.cdw
        • icon-m3d БР.450.00.102-06 - Лист.m3d
        • icon-cdw БР.450.00.103-06 - Ребро.cdw
        • icon-m3d БР.450.00.103-06 - Ребро.m3d
        • icon-m3d Электроизолирующий ложемент Литомет.m3d
      • icon-a3d БР.450.00.000-06 - Опора Ду 300.a3d
      • icon-spw БР.450.00.000-06 - Опора Ду 300.spw
      • icon-cdw ГЭК.450.00.000-06 - Опора Ду 300.cdw
        • icon-a3d БР.450.00.100-07 - Ложемент.a3d
        • icon-spw БР.450.00.100-07 - Ложемент Ду 400.spw
        • icon-cdw БР.450.00.100-07 СБ - Ложемент Ду 400 Сборочный чертеж.cdw
        • icon-cdw БР.450.00.101-07 - Опорный лист.cdw
        • icon-m3d БР.450.00.101-07 - Опорный лист.m3d
        • icon-cdw БР.450.00.102-07 - Лист.cdw
        • icon-m3d БР.450.00.102-07 - Лист.m3d
        • icon-cdw БР.450.00.103-07 - Ребро.cdw
        • icon-m3d БР.450.00.103-07 - Ребро.m3d
        • icon-m3d Электроизолирующий ложемент Литомет.m3d
      • icon-a3d БР.450.00.000-07 - Опора Ду 400.a3d
      • icon-cdw БР.450.00.000-07 - Опора Ду 400.cdw
      • icon-spw БР.450.00.000-07 - Опора Ду 400.spw
        • icon-a3d БР.450.00.100-08 - Ложемент.a3d
        • icon-spw БР.450.00.100-08 - Ложемент Ду 500.spw
        • icon-cdw БР.450.00.100-08 СБ - Ложемент Ду 500 Сборочный чертеж.cdw
        • icon-cdw БР.450.00.101-08 - Опорный лист.cdw
        • icon-m3d БР.450.00.101-08 - Опорный лист.m3d
        • icon-cdw БР.450.00.102-08 - Лист.cdw
        • icon-m3d БР.450.00.102-08 - Лист.m3d
        • icon-cdw БР.450.00.103-08 - Ребро.cdw
        • icon-m3d БР.450.00.103-08 - Ребро.m3d
        • icon-m3d Электроизолирующий ложемент Литомет.m3d
      • icon-a3d БР.450.00.000-08 - Опора Ду 500.a3d
      • icon-cdw БР.450.00.000-08 - Опора Ду 500.cdw
      • icon-spw БР.450.00.000-08 - Опора Ду 500.spw
        • icon-a3d БР.450.00.100-09 - Ложемент.a3d
        • icon-m3d БР.450.00.101-09 - Опорный лист.m3d
        • icon-m3d БР.450.00.102-09 - Лист.m3d
        • icon-m3d БР.450.00.103-09 - Ребро.m3d
        • icon-m3d Электроизолирующий ложемент Литомет.m3d
      • icon-a3d БР.450.00.000-09 - Опора Ду 600.a3d
        • icon-a3d БР.450.00.100-10 - Ложемент.a3d
        • icon-spw БР.450.00.100-10 - Ложемент Ду 700.spw
        • icon-cdw БР.450.00.100-10 СБ - Ложемент Ду 700 Сборочный чертеж.cdw
        • icon-cdw БР.450.00.101-10 - Опорный лист.cdw
        • icon-m3d БР.450.00.101-10 - Опорный лист.m3d
        • icon-cdw БР.450.00.102-10 - Лист.cdw
        • icon-m3d БР.450.00.102-10 - Лист.m3d
        • icon-cdw БР.450.00.103-10 - Ребро.cdw
        • icon-m3d БР.450.00.103-10 - Ребро.m3d
        • icon-m3d Электроизолирующий ложемент Литомет.m3d
      • icon-a3d БР.450.00.000-10 - Опора Ду 700.a3d
      • icon-cdw БР.450.00.000-10 - Опора Ду 700.cdw
      • icon-spw БР.450.00.000-10 - Опора Ду 700.spw
        • icon-a3d БР.450.00.100-11 - Ложемент.a3d
        • icon-spw БР.450.00.100-11 - Ложемент Ду 38.spw
        • icon-cdw БР.450.00.100-11 СБ - Ложемент Ду 38 Сборочный чертеж.cdw
        • icon-cdw БР.450.00.101-11 - Опорный лист.cdw
        • icon-m3d БР.450.00.101-11 - Опорный лист.m3d
        • icon-cdw БР.450.00.102-11 - Лист.cdw
        • icon-m3d БР.450.00.102-11 - Лист.m3d
        • icon-cdw БР.450.00.103-11 - Ребро.cdw
        • icon-m3d БР.450.00.103-11 - Ребро.m3d
        • icon-m3d Электроизолирующий ложемент Литомет.m3d
      • icon-a3d БР.450.00.000-11 - Опора Ду 38.a3d
      • icon-cdw БР.450.00.000-11 - Опора Ду 38.cdw
      • icon-spw БР.450.00.000-11 - Опора Ду 38.spw
        • icon-m3d БР.450.00.022 - Швеллер.m3d
        • icon-spw БР.450.10.020 - Верхння часть.spw
        • icon-a3d БР.450.10.020 - Верхняя часть.a3d
        • icon-cdw БР.450.10.020 СБ - Верхння часть Сборочный чертеж.cdw
        • icon-cdw БР.450.10.021 - Лист.cdw
        • icon-m3d БР.450.10.021 - Лист.m3d
        • icon-m3d БР.450.10.023 - Перемычка.m3d
        • icon-cdw БР.450.10.024 - Щека.cdw
        • icon-m3d БР.450.10.024 - Щека.m3d
        • icon-cdw БР.450.00.013 - Направляющая.cdw
        • icon-m3d БР.450.00.013 - Направляющая.m3d
        • icon-a3d БР.450.10.010 - Нижняя часть.a3d
        • icon-cdw БР.450.10.010 - Нижняя часть.cdw
        • icon-spw БР.450.10.010 - Нижняя часть.spw
        • icon-m3d БР.450.10.011 - Опорный лист.m3d
        • icon-cdw БР.450.10.012 - Щека.cdw
        • icon-m3d БР.450.10.012 - Щека.m3d
        • icon-cdw БР.450.10.014 - Ребро.cdw
        • icon-m3d БР.450.10.014 - Ребро.m3d
      • icon-cdw БР.450.00.001 - Палец.cdw
      • icon-m3d БР.450.00.001 - Палец.m3d
      • icon-cdw БР.450.00.002 - Тяга.cdw
      • icon-m3d БР.450.00.002 - Тяга.m3d
      • icon-spw БР.450.10.000 - Опора.spw
      • icon-a3d БР.450.10.000 - Опора малая.a3d
      • icon-cdw БР.450.10.000 СБ - Опора Сборочный чертеж.cdw
      • icon-cdw БР.450.10.003 - Шпилька резьбовая.cdw
      • icon-m3d БР.450.10.003 - Шпилька резьбовая.m3d
      • icon-cdw БР.450.10.004 - Бонка.cdw
      • icon-m3d БР.450.10.004 - Бонка.m3d
      • icon-cdw БР.450.10.004-01 - Бонка.cdw
    • icon-pdf Опора Ду38 - Ду 100.pdf
    • icon-pdf Опора Ду50 - Ду 100.pdf
    • icon-pdf Опора Ду150 - Ду 500.pdf
    • icon-pdf Опора Ду150 - Ду 700.pdf
Чтобы скачать чертеж, 3D модель или проект, Вы должны зарегистрироваться и принять участие в жизни сайта. Посмотрите, как тут скачивать файлы
Отзывов пока нет
Чтобы оставить отзыв, необходимо войти
Войти с помощью:

Используя функцию входа через сторонние сервисы, Вы соглашаетесь на обработку персональных данных в соответствии с Политикой конфиденциальности