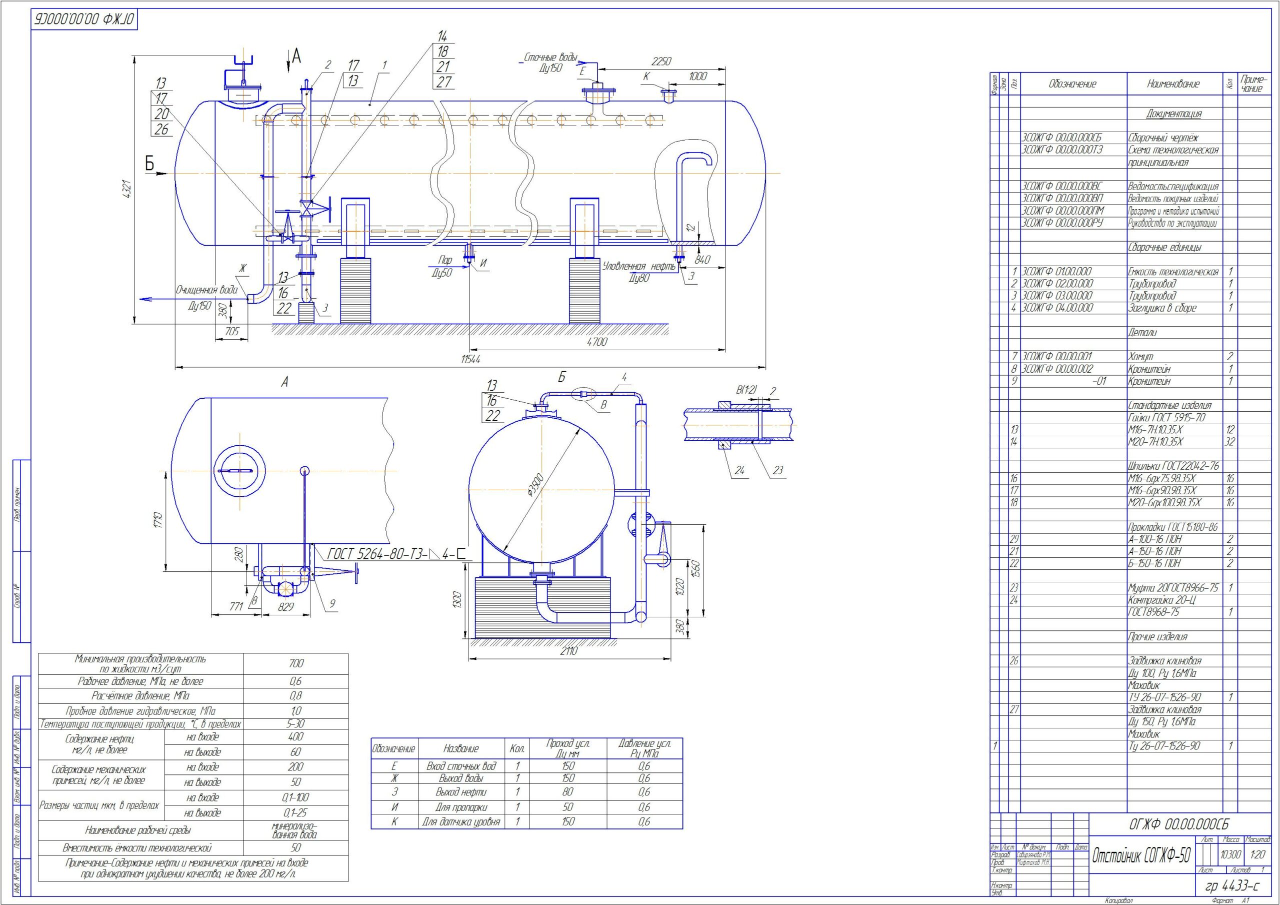
Полное техническое содержание данной установки представлено на чертеже в том числе габариты и производимость
- Главная -
- Чертежи -
- Промышленность -
- Добывающая, горная промышленность -
- Нефть и Газ -
- Отстойник СОГЖФ-50
Отстойник СОГЖФ-50
0
0
301
7
0
40

Сообщить о проблеме
Автор
Дата
09.10.2020
Язык
Русский
Состав
Техническая схема
Софт
КОМПАС-3D 13
Как открыть?
Отзывов пока нет
Содержимое архива
Чтобы скачать чертеж, 3D модель или проект, Вы должны зарегистрироваться
и принять участие в жизни сайта. Посмотрите, как тут скачивать
файлы
Отзывов пока нет
Чтобы задать вопрос, необходимо войти
Войти с помощью:
Ссылка на логин через google
Ссылка на логин через vk
Ссылка на логин через yandex