Перейти к содержимому
Войти

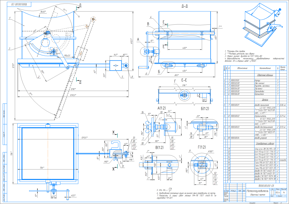
Металлоуловитель на трубу (d1260 мм)

0
2
26
0
0
70

Металлоуловитель (мусороуловитель) предназначен для осаждения частиц металла и мусора под действием гравитации из потока рабочей среды (стружка, опилки, другие сыпучие материалы), перемещаемых по трубопроводу. Металлоуловитель монтируется непосредственно на трубу (d1260 мм) и обладает двумя последовательными отсеками с регулируемыми заслонками для накопления и сброса собранных примесей.


Сообщить о проблеме
Автор
user-avatar Roxhad
Дата
25.02.2026
Язык
Русский
Состав
3D Сборка, чертежи согласно списка файлов
Софт
КОМПАС-3D 18.1 Как открыть?
Отзывов пока нет
Задать вопрос
Содержимое архива
  • icon-cdw 1000.00.00 СБ Металлоуловитель.cdw
  • icon-a3d 1000.00.00 ЭСБ Металлоуловитель.a3d
  • icon-step 1000.00.00 ЭСБ Металлоуловитель.stp
  • icon-m3d 1000.00.01 МД Шайба прижимная.m3d
  • icon-m3d 1000.00.02 МД Ограничитель.m3d
  • icon-m3d 1000.00.03 МД Шайба дистанционная.m3d
  • icon-m3d 1000.00.04 МД Шайба упорная.m3d
  • icon-cdw 1000.00.04 Шайба упорная.cdw
  • icon-cdw 1000.01.00 СБ Корпус.cdw
  • icon-a3d 1000.01.00 ЭСБ Корпус.a3d
  • icon-m3d 1000.01.01 МД Стенка с вырезом.m3d
  • icon-cdw 1000.01.01 Стенка с вырезом.cdw
  • icon-m3d 1000.01.02 МД Стенка.m3d
  • icon-m3d 1000.01.03 МД Уголок фланцевый длинный.m3d
  • icon-m3d 1000.01.04 МД Уголок фланцевый короткий.m3d
  • icon-cdw 1000.01.05 Втулка.cdw
  • icon-m3d 1000.01.05 МД Втулка.m3d
  • icon-m3d 1000.01.06 МД Ушко.m3d
  • icon-cdw 1000.01.06 Ушко.cdw
  • icon-m3d 1000.01.07 МД Стопор.m3d
  • icon-m3d 1000.01.08 МД Усиление длинное.m3d
  • icon-m3d 1000.01.09 МД Усиление короткое.m3d
  • icon-cdw 1000.02.00 СБ Люк нижний.cdw
  • icon-a3d 1000.02.00 ЭСБ Люк нижний.a3d
  • icon-m3d 1000.02.01 МД Петля.m3d
  • icon-cdw 1000.02.01 Петля.cdw
  • icon-cdw 1000.02.02 Крышка.cdw
  • icon-m3d 1000.02.02 МД Крышка.m3d
  • icon-m3d 1000.02.03 МД Рычаг.m3d
  • icon-cdw 1000.02.03 Рычаг.cdw
  • icon-m3d 1000.02.04 МД Ребро.m3d
  • icon-cdw 1000.02.04 Ребро.cdw
  • icon-cdw 1000.03.00 СБ Рукоять заслонки.cdw
  • icon-a3d 1000.03.00 ЭСБ Рукоять заслонки.a3d
  • icon-m3d 1000.03.01 МД Ось.m3d
  • icon-cdw 1000.03.01 Ось.cdw
  • icon-m3d 1000.03.02 МД Ручка.m3d
  • icon-cdw 1000.03.02 Ручка.cdw
  • icon-m3d 1000.03.03 МД Рычаг рукояти.m3d
  • icon-cdw 1000.03.03 Рычаг рукояти.cdw
  • icon-cdw 1000.04.00 СБ Заслонка.cdw
  • icon-a3d 1000.04.00 ЭСБ Заслонка.a3d
  • icon-m3d 1000.04.01 МД Пластина заслонки.m3d
  • icon-m3d 1000.04.02 МД Петля заслонки.m3d
  • icon-cdw 1000.04.02 Петля заслонки.cdw
  • icon-m3d 1000.04.03 МД Подвес.m3d
  • icon-cdw 1000.05.00 СБ Противовес.cdw
  • icon-a3d 1000.05.00 ЭСБ Противовес.a3d
  • icon-cdw 1000.05.01 Груз.cdw
  • icon-m3d 1000.05.01 МД Груз.m3d
  • icon-cdw 1000.05.02 Крюк.cdw
  • icon-m3d 1000.05.02 МД Крюк.m3d
  • icon-cdw 1000.06.00 СБ Кронштейн.cdw
  • icon-a3d 1000.06.00 ЭСБ Кронштейн.a3d
  • icon-m3d 1000.06.01 МД Пластина регулировочная.m3d
  • icon-cdw 1000.06.01 Пластина регулировочная.cdw
  • icon-m3d 1000.06.02 МД Стойка.m3d
Чтобы скачать чертеж, 3D модель или проект, Вы должны зарегистрироваться и принять участие в жизни сайта. Посмотрите, как тут скачивать файлы
Отзывов пока нет
Чтобы оставить отзыв, необходимо войти
Войти с помощью:

Используя функцию входа через сторонние сервисы, Вы соглашаетесь на обработку персональных данных в соответствии с Политикой конфиденциальности