Перейти к содержимому
Войти

Расчет распылительной сушилки для сушки молока

0
231
3674
19
1
100

Министерство образования Республики Беларусь
МОГИЛЕВСКИЙ ГОСУДАРСТВЕННЫЙ УНИВЕРСИТЕТ ПРОДОВОЛЬСТВИЯ
Кафедра «Теплохлодотехника»
Курсовой проект по дисциплине «Процессы и аппараты пищевых производств »
Могилев 2014

Курсовой проект содержит 2 листа графической части, 41 страница пояснительной записки.
Технические характеристики:
Производительность по готовому продукту 432 кг/ч.
Сушилка с D=2,9 м. Продукт из сушилки выходит с Wк=7%.

Техническая характеристика.
1.Аппарат предназначен для сушки молока от начальной влажности 45% СВ.
2.Производительность по испарённой влаге 300 кг/ч.
3.Температура греющего агента 160 С..
4.Диаметр сушильной камеры 2,9 м.

Содержание
стр.
Введение 3
1. Состояние вопроса 4
2. Технические описания и расчеты 20
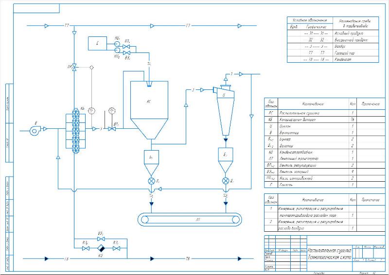
2.1 Описание принципа работы технологической схемы 20
2.2 Материальный расчет установки 21
2.3 Тепловой расчет аппарата 22
2.4 Конструктивный расчет аппарата 26
2.5 Расчет комплектующего оборудования 28
2.6 Гидравлический расчет продуктовой линии и подбор нагнетательного оборудования 33
2.7 Требования охраны труда и техники безопасности 38
Заключение 40
Список используемых источников 41


Сообщить о проблеме
Автор
user-avatar dianas
Дата
17.04.2015
Язык
Русский
Состав
Технологическая схема, чертеж общего вида, спецификация
Софт
КОМПАС-3D 12 Как открыть?
Отзывов пока нет
Задать вопрос
Содержимое архива
  • icon-cdw Лист1.cdw
  • icon-cdw Лист 2.cdw
  • icon-doc Расчет.docx
  • icon-cdw Сп-ция.cdw
Чтобы скачать чертеж, 3D модель или проект, Вы должны зарегистрироваться и принять участие в жизни сайта. Посмотрите, как тут скачивать файлы
Отзывов пока нет
Чтобы оставить отзыв, необходимо войти
Войти с помощью:

Используя функцию входа через сторонние сервисы, Вы соглашаетесь на обработку персональных данных в соответствии с Политикой конфиденциальности