Перейти к содержимому
Войти

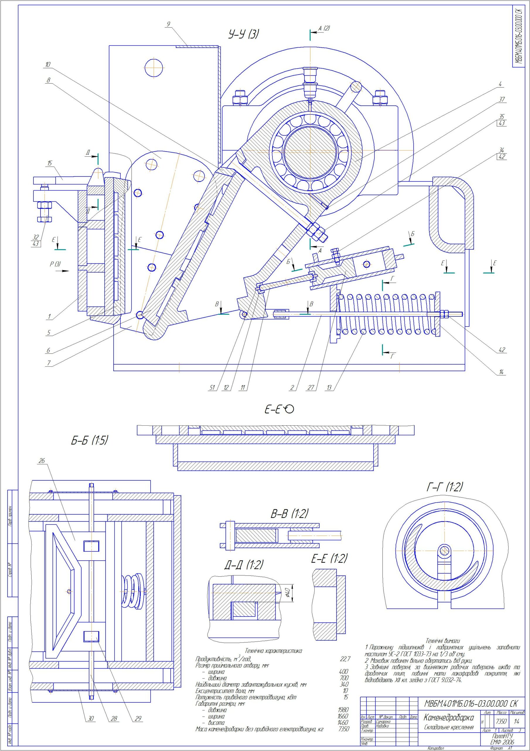
Общий вид камнедробилки

1
0
166
1
0
30

 

Продуктивність, м /год., 22,7

Розмір приймального отвору, мм:
- ширина 400
- довжина 700
Найбільший діаметр завантажувальних кусків, мм 340
Ексцентриситет вала, мм 10
Потужність привідного електродвигуна, кВт 15
Габаритні розміри, мм:
- довжина 1980
- ширина 1660
- висота 1460
Маса каменедробарки без привідного електродвигуна, кг 7350

Нет спецификации


Сообщить о проблеме
Дата
01.09.2019
Язык
Русский
Состав
Вид общий (ВО), без спецификации
Софт
КОМПАС-3D 13 Как открыть?
Отзывов пока нет
Задать вопрос
Содержимое архива
  • icon-cdw Лист 1.cdw
Чтобы скачать чертеж, 3D модель или проект, Вы должны зарегистрироваться и принять участие в жизни сайта. Посмотрите, как тут скачивать файлы
Отзывов пока нет
Чтобы оставить отзыв, необходимо войти
Войти с помощью:

Используя функцию входа через сторонние сервисы, Вы соглашаетесь на обработку персональных данных в соответствии с Политикой конфиденциальности