Перейти к содержимому
Войти

Разработать материальный баланс и основные проектные технологические решения цеха помола цементного завода

0
0
10
0
0
60

Белорусский национальный технический университет
Кафедра Технология бетона и строительные материалы
Курсовой по дисциплине "Вяжущие вещества"
На тему: Разработать материальный баланс и основные проектные технологические решения цеха помола
цементного завода
Минск, 2021

Исходные данные при расчете:

Способ производства – сухой
Годовая производительность цеха – 1 400 000 т/г по клинкеру.
Состав портландцемента:
Клинкер ………………………………………96%
Гипс ……………………………...…………...4%
Воздухововлекающая добавка …..……….....1,5% (от массы клинкера)

Состав сырьевой смеси:
Известняк.…………………….80,69%
Глина ………………………….19,31%

Естественная влажность сырьевых материалов:
Известняк …………………….4%
Глина …………………………14%
Потери при прокалывании сырьевой смеси – 35,15%
Производственные потери:
Сырьевых материалов ………2,5%
Клинкера ……………………..0,5%
Добавки……………………….1%
Цемента ………………………1%
Коэффициент использования вращающихся печей – 0,92

СОДЕРЖАНИЕ

1.Введение 3
2. Характеристика продукции 5
3.Технологическая часть 8
3.1 Требования к сырьевым материалам 8
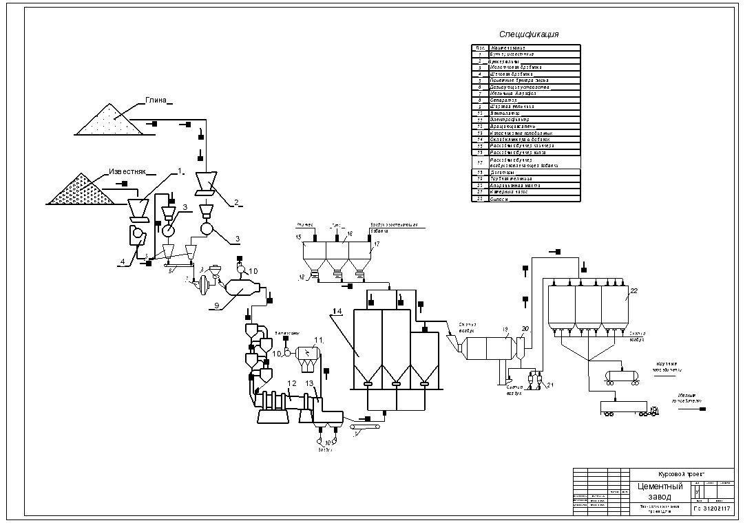
3.2 Принципиальная технологическая схема 11
3.3 Режим работы цеха 15
3.4. Расчет производительности цеха и потребности в сырье для выполнения производственной программы 16
3.4.1. Расчет состава двухкомпонентной шихты для получения 16
портландцементного клинкера 16
3.4.2. Составление материального баланса цементного завода 19
3.4.3. Расчет расхода сырьевых материалов 21
3.4.4. Материальный баланс отделения помола сырья 23
3.4.5. Материальный баланс карьера и дробильного отделения 24
3.4.6. Материальный баланс клинкерного склада и отделения помола цемента 26
3.4.7. Материальный баланс силосно-упаковочного отделения 29
3.5. Описание работы основного технологического оборудования 30
4. Мероприятия по охране труда и окружающей среды 33
5. Список использованной литературы и источников 36


Сообщить о проблеме
Дата
08.04.2026
Язык
Русский
Состав
чертеж, ПЗ
Софт
AutoCAD 2019 Как открыть?
Отзывов пока нет
Задать вопрос
Содержимое архива
  • icon-doc дорожный.docx
  • icon-dwg дорожный_1.dwg
Чтобы скачать чертеж, 3D модель или проект, Вы должны зарегистрироваться и принять участие в жизни сайта. Посмотрите, как тут скачивать файлы
Отзывов пока нет
Чтобы оставить отзыв, необходимо войти
Войти с помощью:

Используя функцию входа через сторонние сервисы, Вы соглашаетесь на обработку персональных данных в соответствии с Политикой конфиденциальности