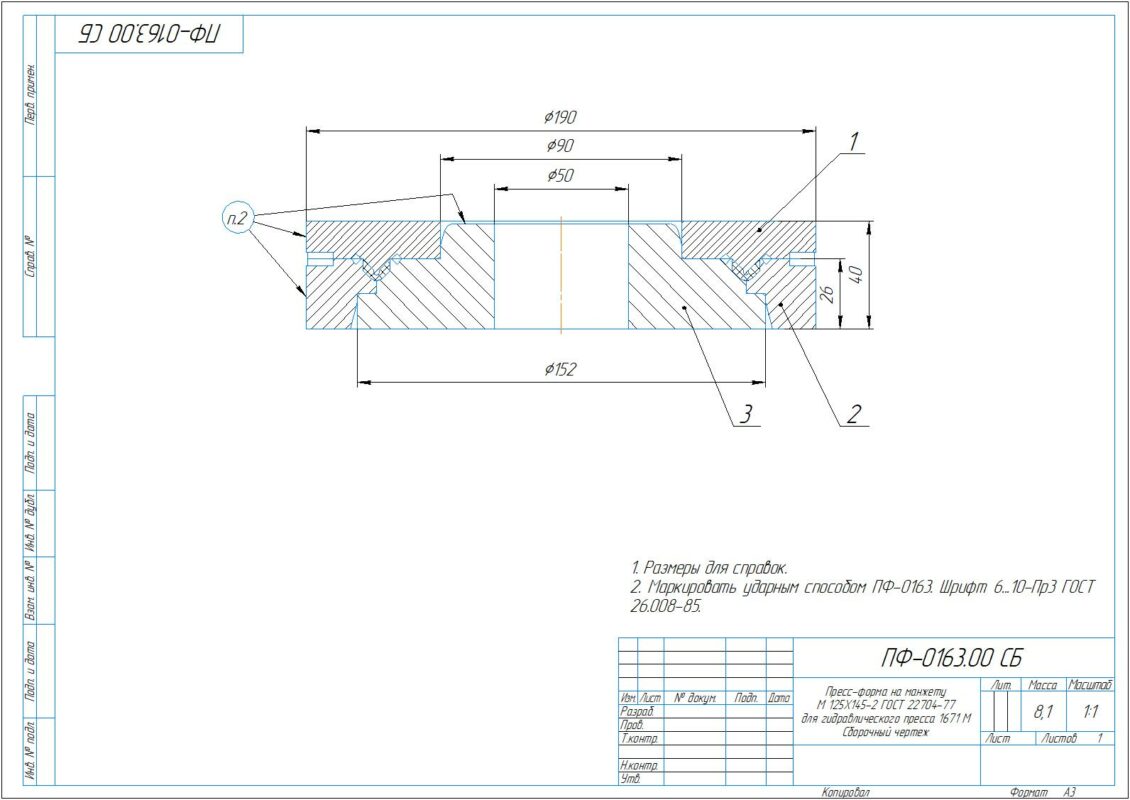
Пресс-форма на манжету
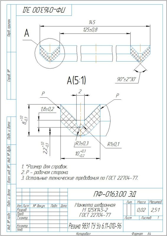
М 125X145-2 ГОСТ 22704-77
для гидравлического пресса 1671 М Состоит из нижней и верхней плит и обоймы.
- Главная -
- Чертежи -
- Промышленность -
- Металлургия -
- Литейное производство и пресс-формы -
- Пресс-форма на манжету М 125X145-2 ГОСТ 22704-77 для гидравлического пресса 1671 М
Пресс-форма на манжету М 125X145-2 ГОСТ 22704-77 для гидравлического пресса 1671 М
0
1
111
0
0
40


Сообщить о проблеме
Автор
Дата
07.01.2025
Язык
Русский
Состав
Сборочный чертеж, чертеж манжеты, обойма и две плиты
Софт
КОМПАС-3D 19
Как открыть?
Отзывов пока нет
Содержимое архива
Чтобы скачать чертеж, 3D модель или проект, Вы должны зарегистрироваться
и принять участие в жизни сайта. Посмотрите, как тут скачивать
файлы
Отзывов пока нет
Чтобы задать вопрос, необходимо войти
Войти с помощью:
Ссылка на логин через google
Ссылка на логин через vk
Ссылка на логин через yandex