Перейти к содержимому
Войти

Разработка шнеколопастного смесителя

0
100
1068
9
0
200

Тамбовский государственный технический университет
Кафедра агроинженерия
Курсовой проект по дисциплине "Животноводство"
На тему: "Разработка шнеколопастного смесителя"
Тамбов 2015

В животноводстве одним из наиболее важных процессов является приготовление и раздача кормов, так как правильно выбранная структура рациона кормления, соблюдение нормы выдачи и условий содержания животных позволяют не только добиться высоких производственных показателей, но и снизить себестоимость продукции животноводства. В структуре себестоимости производства свинины удельный вес затрат на приготовление и раздачу кормов составляет 50..75 % от общих затрат [1-3].
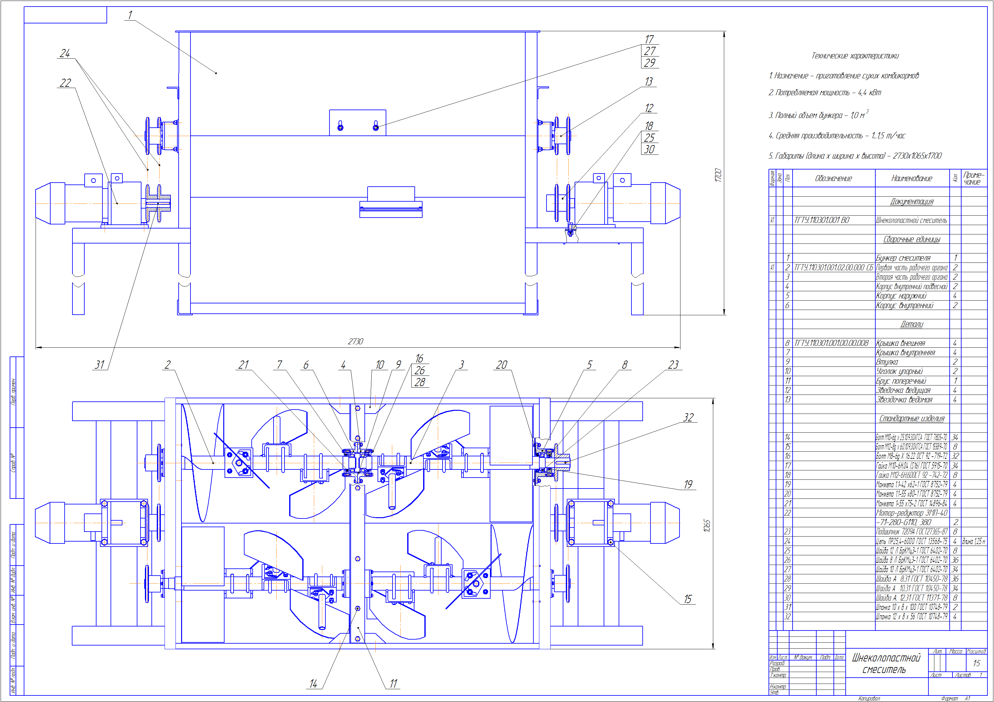
Графическая чась содержит схемы Корпуса внутреннего, Крышки внешней, Наконечника внешнего, Общий вид смесителя, Флянец внутренний
ВВЕДЕНИЕ
1. ОБОСНОВАНИЕ КОНСТРУКТИВНО-ТЕХНОЛОГИЧЕСКОЙ
СХЕМЫ СМЕСИТЕЛЯ
1.1 Актуальность совершенствования машин для приготовления кормов
1.2 Классификация и обзор существующих конструкций
смесителей кормов
1.3 Описание конструктивно-технологической схемы
предлагаемого смесителя
2. КОНСТРУКТИВНЫЙ РАСЧЕТ ШНЕКОЛОПАСТНОГО СМЕСИТЕЛЯ
2.1 Расчет мощности на привод рабочих органов смесителя
2.2 Расчет вала
2.3 Подбор подшипников
2.4 Подбор шпонки ведомого вала
2.5 Подбор шпонки ведущего вала
2.6 Подбор приводной цепи и проверка шарниров цепи по удельному
давлению
ЗАКЛЮЧЕНИЕ
СПИСОК ИСПОЛЬЗУЕМЫХ ИСТОЧНИКОВ


Сообщить о проблеме
Автор
user-avatar Verkhoturov68
Дата
02.06.2016
Язык
Русский
Состав
Пояснительная записка, Корпус внутренний, Крышка внешняя , Наконечник внешний, Общий вид смесителя ,Флянец внутренний
Софт
КОМПАС-3D 16 SP1 Как открыть?
Отзывов пока нет
Задать вопрос
Содержимое архива
  • icon-cdw Корпус внутренний.cdw
  • icon-cdw Крышка внешняя.cdw
  • icon-cdw Наконечник внешний.cdw
  • icon-cdw Общий вид смесителя.cdw
  • icon-png Общий вид смесителя.png
  • icon-doc Разработка шнеколопастного смесителя кормов.docx
  • icon-cdw Флянец внутренний.cdw
Чтобы скачать чертеж, 3D модель или проект, Вы должны зарегистрироваться и принять участие в жизни сайта. Посмотрите, как тут скачивать файлы
Отзывов пока нет
Чтобы оставить отзыв, необходимо войти
Войти с помощью:

Используя функцию входа через сторонние сервисы, Вы соглашаетесь на обработку персональных данных в соответствии с Политикой конфиденциальности