Перейти к содержимому
Войти

Разработка отделения объемного упрочнения лап глубокорыхлителей в РУПЦ УО «БГАТУ

0
271
1231
2
0
60

Белорусский государственный аграрный технический университет
Факультет ”Технический сервис в АПК”
Кафедра ” Ремонт тракторов, автомобилей и сельскохозяйственных машин”
Курсовая работа по дисциплине
”Проектирование предприятий технического сервиса ”
на тему: Разработка отделение объемного упрочнения лап глубокорыхлителей в РУПЦ УО «БГАТУ»
Минск 2009

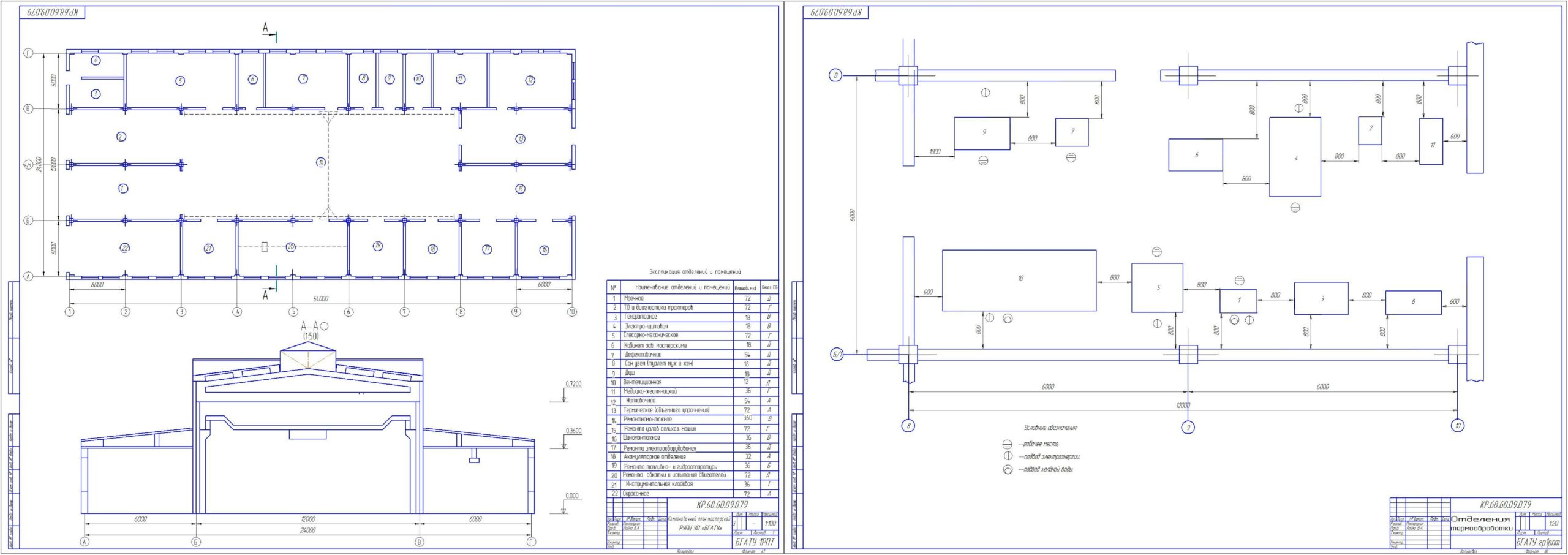
В данном курсовом проекте приведена компоновка производственного здания ремонтного предприятия, дана характеристика объекта ремонта; рассчитаны производственные и вспомогательные площади; спроектирован термический участок; произведен расчет количества рабочих и рабочих мест, подобрано необходимое оборудование и инструмент, а также подъемно-транспортные средства; рассчитана потребность в энергоресурсах; разработаны мероприятия по обеспечению охраны труда, строительные и противопожарные требования; произведен расчет технико-экономических показателей мастерской.

СОДЕРЖАНИЕ

ВВЕДЕНИЕ
1. ОБОСНОВАНИЕ АКТУАЛЬНОСТИ ТЕМЫ И РЕШАЕМЫХ ЗАДАЧ ПРОЕКТА
2. КОМПОНОВКА ПРОИЗВОДСТВЕННОГО ЗДАНИЯ
2.1.Характеристика объекта ремонта
2.2. Технологический процесс ремонта
2.3.Производственная структура предприятия
2.4. Режим работы и годовые фонды рабочего времени
2.5.Обоснование трудоемкости ремонта и годового объема работ предприятия
2.6. Расчет производственных и вспомогательных площадей
2.7.Обоснование принятого варианта компоновочного плана
2.8.Выбор подъемно-транспортных средств
3. ПРОЕКТИРОВАНИЕ ПРОИЗВОДСТВЕННОГО ОТДЕЛЕНИЯ
3.1.Назначение
3.2.Обоснование технологического процесса
3.3.Производственная программа и годовой объем работ
3.4.Расчет количества рабочих
3.5.Расчет количества и подбор оборудования
3.6.Расчет количества рабочих мест
3.7.Технологическая планировка
3.8.Расчет потребности в энергоресурсах
3.9.Мероприятя по охране труда, строительные и противопожарные требования
3.10.Проектирование элементов производственной эстетики
5. ТЕХНИКО-ЭКОНОМИЧЕСКИЕ ПОКАЗАТЕЛИ ПРОЕКТИРУЕМОГО РОП
6.ВЫВОДЫ И ЗАКЛЮЧЕНИЕ
ЛИТЕРАТУРА
ПРИЛОЖЕНИЕ


Сообщить о проблеме
Автор
user-avatar Андрей
Дата
02.01.2015
Язык
Русский
Состав
Компоновочный план мастерской РУПЦ УО «БГАТУ» (КП), Отделения термообработки (ПО), спецификация, ПЗ
Софт
КОМПАС-3D 12 SP1 Как открыть?
Отзывов пока нет
Задать вопрос
Содержимое архива
    • icon-doc СПЕЦИФ~12.DOC
    • icon-doc мой курс.doc
    • icon-cdw проектипование.cdw
    • icon-cdw терм участок.cdw
    • icon-doc титульник.doc
Чтобы скачать чертеж, 3D модель или проект, Вы должны зарегистрироваться и принять участие в жизни сайта. Посмотрите, как тут скачивать файлы
Отзывов пока нет
Чтобы оставить отзыв, необходимо войти
Войти с помощью:

Используя функцию входа через сторонние сервисы, Вы соглашаетесь на обработку персональных данных в соответствии с Политикой конфиденциальности