Эта компактная самодельная молотковая мельница-дробилка предназначена для эффективного измельчения небольших объемов сырья в домашних условиях или малой мастерской. Идеально подходит для переработки зерновых культур на корм скоту, измельчения мелких древесных отходов (щепы, опилок) для последующего брикетирования или в качестве компонента для компоста, а также для дробления легких строительных отходов (гипс, мел).
Рекомендуется использовать электродвигатель мощностью не выше 8,5 кВт при окружной скорости 9-10 м/с для стабильной работы мельницы.
- Главная -
- Чертежи -
- Сельское хозяйство -
- Технология производства и переработки сельскохозяйственной продукции -
- ММД Молотковая мельница-дробилка
ММД Молотковая мельница-дробилка
0
3
102
0
1
150
3D Модели
барабанная мельница
барабанниq мельница
дробилка молотковая
Дробление и измельчение
Зерноочистительные. мельницы
Мельница
мельница молотковая
Молотковая
Молотковая дробилка
Молотковая Дробилка. Диаметр ротора 1м
Молотковая мельница
Сообщить о проблеме
Автор
Дата
17.01.2026
Язык
Русский
Состав
3D Сборка
Софт
КОМПАС-3D v24
Как открыть?
Отзывов пока нет
Содержимое архива
-
-
-
АБВГ.01.01.01.000.СБ - Ротор.a3d
-
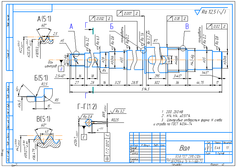
АБВГ.01.01.01.001 - Вал.m3d
-
АБВГ.01.01.01.002 - Диск.m3d
-
АБВГ.01.01.01.003 - Втулка.m3d
-
АБВГ.01.01.01.004 - Нож.m3d
-
АБВГ.01.01.01.005 - Палец 310.m3d
-
АБВГ.01.01.01.007 - ШКИВ 5Z 6.125.25.m3d
-
АБВГ.01.01.01.008 - Шпонка 8х7х50.m3d
-
АБВГ.01.01.01.009 - Шпонка 14х9х295.m3d
-
-
-
Вал лист А3.cdw
-
Дека лист А3.cdw
-
Диск лист А4.cdw
-
Нож лист А4.cdw
-
Шкив 5Z 6.125.25 лист А3.cdw
-
-
АБВГ.01.01.00.000.СБ - ММД.a3d
-
АБВГ.01.01.00.000.СБ - ММД.stp
-
АБВГ.01.01.00.001 - Крышка дробилки.m3d
-
АБВГ.01.01.00.002 - Корпус дробилки.m3d
-
АБВГ.01.01.00.003 - Загрузочный корпус.m3d
-
АБВГ.01.01.00.004 - Решето.m3d
-
АБВГ.01.01.00.005 - Вкладыш.m3d
-
АБВГ.01.01.00.006 - Дека.m3d
-
АБВГ.01.01.00.007 - Уплотнение.m3d
-
АБВГ.01.01.00.008 - Корпус подшипника.m3d
-
АБВГ.01.01.00.009 - Крышка подшипника сквозная.m3d
-
АБВГ.01.01.00.010 - Крышка подшипника глухая.m3d
-
АБВГ.01.01.00.011 - Палец шарнира.m3d
-
АБВГ.01.01.00.012 - Прокладка.m3d
-
АБВГ.01.01.00.013 - Палец.m3d
-
АБВГ.01.01.00.014 - Кожух защитный.m3d
-
АБВГ.01.01.00.015 - Швеллер 16аП.m3d
-
АБВГ.01.01.00.016 - Поддон.m3d
-
Чтобы скачать чертеж, 3D модель или проект, Вы должны зарегистрироваться
и принять участие в жизни сайта. Посмотрите, как тут скачивать
файлы
Задания с фриланса
3д и кд на мини погрузчик типа Taian DY620, DY840, Multione 5 series, Multione 7 series, Avant
договорная
4 недели назад
15.02.2026
Отзывов пока нет
Чтобы оставить отзыв, необходимо войти
Войти с помощью:
Используя функцию входа через сторонние сервисы, Вы соглашаетесь на обработку персональных данных в соответствии с Политикой конфиденциальности
Производительность уточните....
Используя функцию входа через сторонние сервисы, Вы соглашаетесь на обработку персональных данных в соответствии с Политикой конфиденциальности