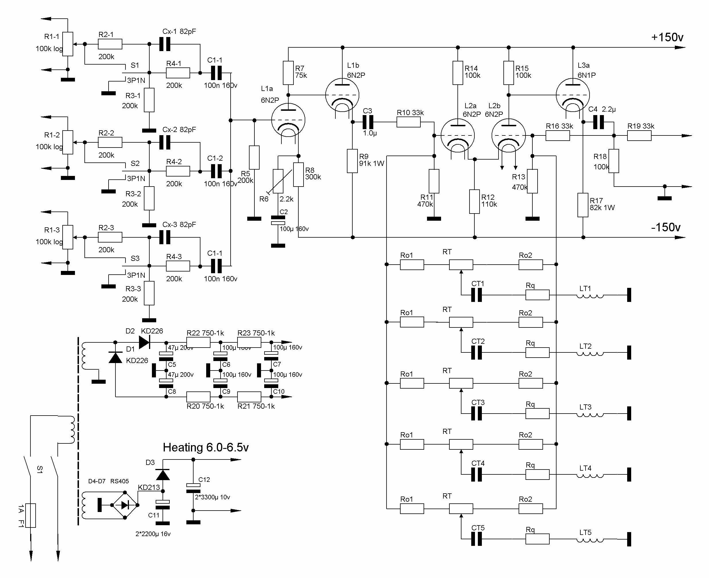
Ламповый эквалайзер представляет собой пассивный микшер на три входа и графический 5-ти полосный эквалайзер на LC фильтрах. Ниже приводится схема устройства. В архиве расположены файлы печатных плат в формате SprintLayout и развертки металлических деталей в формате CorelDraw.
Ламповый графический эквалайзер
0
118
4444
117
1
Бесплатно
Сообщить о проблеме
Автор
Дата
19.04.2016
Язык
Русский
Состав
Схема, Плата, Описание
Софт
sPlan 7
Отзывов пока нет
Содержимое архива
-
Preamp_1.spl
-
Плата.lay
-
Шасси.cdr
-
Эквалайзер_1.doc
Чтобы скачать чертеж, 3D модель или проект, Вы должны зарегистрироваться
и принять участие в жизни сайта. Посмотрите, как тут скачивать
файлы
Отзывов пока нет
Чтобы оставить отзыв, необходимо войти
Войти с помощью:
Используя функцию входа через сторонние сервисы, Вы соглашаетесь на обработку персональных данных в соответствии с Политикой конфиденциальности
Спасибо, интересная конструкция.
Используя функцию входа через сторонние сервисы, Вы соглашаетесь на обработку персональных данных в соответствии с Политикой конфиденциальности