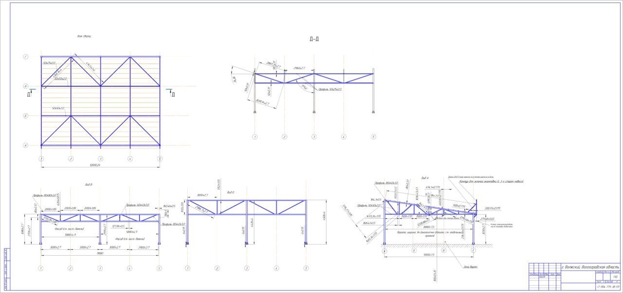
Навес 12х9, проектировался для расчета стоимости материалов и работ (эскизный). Также, дополнительно, имеются ламели для обшивки (ТЗ от Заказчика: предусмотреть вентилируемый фасад, но не прозрачный).
- Главная -
- Чертежи -
- Строительство -
- Металлоконструкции -
- Навес 12х9
Навес 12х9
0
1
155
0
0
100
Сообщить о проблеме
Автор
Дата
20.11.2025
Язык
Русский
Состав
все чертежи как картинке
Софт
КОМПАС-3D 16 и выше
Как открыть?
Отзывов пока нет
Содержимое архива
-
Навес разработка.cdw
-
Предложение ламели.cdw
Чтобы скачать чертеж, 3D модель или проект, Вы должны зарегистрироваться
и принять участие в жизни сайта. Посмотрите, как тут скачивать
файлы
Отзывов пока нет
Чтобы оставить отзыв, необходимо войти
Войти с помощью:
Используя функцию входа через сторонние сервисы, Вы соглашаетесь на обработку персональных данных в соответствии с Политикой конфиденциальности
Используя функцию входа через сторонние сервисы, Вы соглашаетесь на обработку персональных данных в соответствии с Политикой конфиденциальности