Перейти к содержимому
Войти

Проектирование малоэтажного жилого дома г. Москва

0
1
51
1
0
40

ФЕДЕРАЛЬНОЕ АГЕНТСТВО ПО ОБРАЗОВАНИЮ
МИНИСТЕРСТВО НАУКИ И ВЫСШЕГО ОБРАЗОВАНИЯ РОССИЙСКОЙ ФЕДЕРАЦИИ
ПЕРМСКИЙ НАЦИОНАЛЬНЫЙ ИССЛЕДОВАТЕЛЬСКИЙ ПОЛИТЕХНИЧЕСКИЙ УНИВЕРСИТЕТ
Строительный факультет
Кафедра архитектуры и урбанистики
Курсовая работа на тему: «Проектирование малоэтажного жилого дома»

1. Исходные данные для проектирования
Место строительства – г. Москва;
Климатический район – IIВ, СП 131.13330 [10];
Зона влажности – 2 нормальная (СП 50.13330.2024 «Тепловая защита зданий» [10]);
Продолжительность отопительного периода zоп = 202 суток (СП 131.13330.2025 «Строительная климатология» [11]);
Средняя расчетная температура отопит. периода tоп = – 1,7 ºС [11];
Температура холодной пятидневки tн = – 23 ºС [11];
температура внутреннего воздуха tв = + 20 ºС [10];
влажность воздуха – 55 % [10];
влажностный режим помещения – нормальный [10];
Условия эксплуатации ограждающих конструкций – А [10];
Грунты на площадке – суглинок;
Уровень ответственности – нормальный. ФЗ№384[9];
Степень огнестойкости: не нормируется СП 55.13330.2011 [9];
Класс функциональной пожарной опасности: Ф1.4 [9];

Содержание
1. Исходные данные для проектирования 3
2. Объемно-планировочное решение 3
3. Конструктивные решения 5
3.1. Фундаменты 5
3.2. Стены 5
3.3. Перекрытия и полы 6
3.4. Перегородки 7
3.5 Перемычки 7
3.6 Покрытия 7
3.7 Окна и двери 7
3.8. Лестницы 8
3.8. Наружная и внутренняя отделка. 8
4. Инженерное и санитарно-техническое оборудование 9
5 Расчётная часть 10
5.1 Теплотехнический расчёт наружной стены 10
5.2 Теплотехнический расчёт холодного чердака 13
5.3 Теплотехнический расчёт остекления 15
6. Технико-экономические показатели здания 16
7. Библиографический список 17


Сообщить о проблеме
Автор
user-avatar user-5309586
Дата
02.11.2025
Язык
Русский
Состав
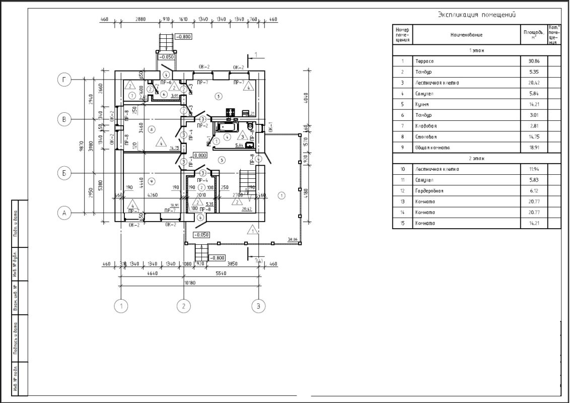
План 1 этажа, План 2 этажа, План Плит, План кровли, План стропильных конструкций, Фасад, Разрез, Узлы, Пояснительная записка
Софт
Отзывов пока нет
Задать вопрос
Содержимое архива
  • icon-dwg
    Бадер.dwg
  • icon-doc
    ПЗ_АР_МЭ_Бадер.docx
  • icon-doc
    ТР.docx
Чтобы скачать чертеж, 3D модель или проект, Вы должны зарегистрироваться и принять участие в жизни сайта. Посмотрите, как тут скачивать файлы
Отзывов пока нет
Чтобы оставить отзыв, необходимо войти
Войти с помощью:

Используя функцию входа через сторонние сервисы, Вы соглашаетесь на обработку персональных данных в соответствии с Политикой конфиденциальности