Перейти к содержимому
Войти
  • Главная -
  • Чертежи -
  • Строительство -
  • Разработка проекта производства работ на возведение 47-и этажного жилого здания башенного типа из монолитного железобетона с двухуровневой подземной автостоянкой

Разработка проекта производства работ на возведение 47-и этажного жилого здания башенного типа из монолитного железобетона с двухуровневой подземной автостоянкой

0
0
29
0
0
50

МГСУ, Институт Строительства и Архитектуры , Кафедра Технологии и организации строительного производства
Курсовой проект на тему: «Разработка проекта производства работ на возведение 47-и этажного жилого здания башенного типа из монолитного железобетона с двухуровневой подземной автостоянкой»
Год 2020

1. Исходные данные к курсовому проекту: чертежи фасада и разрез здания, поэтажные планы, экспликация помещений, конструктивные и инженерные решения, иные характеристики объекта.

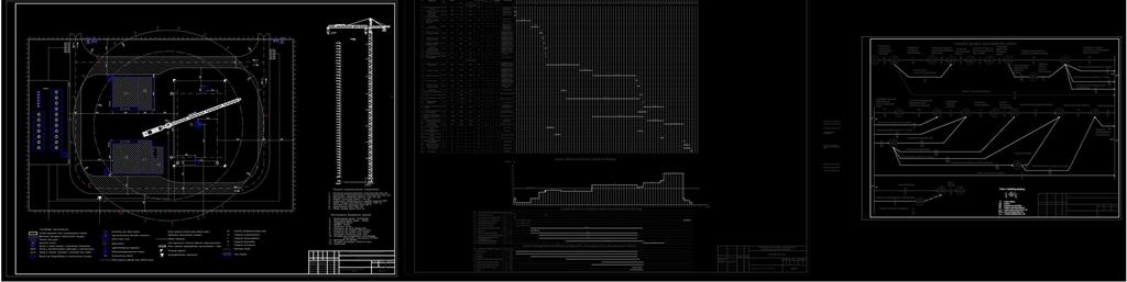
2. Перечень графического и иного материала (с точным указанием обязательных чертежей): стройгенплан, календарный план, ресурсные и сетевой графики.
Проектом предусматривается строительство односекционного 47-и этажного жилого здания из монолитного железобетона с двухуровневой подземной автостоянкой.
Размер здания в осях: 21,370 x 34,450 м. Высоты этажей:
• подземных этажей 3,90 м
• жилых этажей 3,0 м
• 23 технический этаж 3,30 м
• 47 технический этаж 2,9 м
Совмещенный 23 этаж является границей пожарного отсека, на нём расположены квартиры и технические помещения.
В административном положении объект находится в ЦАО г. Москвы.
В геоморфологическом отношении территория проведения работ
располагается в пределах древнеаллювиальной террасы р. Москвы. Абсолютные отметки поверхности земли на площадке изысканий изменяются в пределах 134,30 - 136,44м.
Климатические условия района строительства, согласно СП 131.13330.2018:
-климатический район – II , подрайон В;
-температура наружного воздуха наиболее холодной пятидневки с обеспеченностью 0,92 составляет -25С; наиболее холодных суток - 28С.
-расчетное значение веса снегового покрова Sg на 1 м2 горизонтальной поверхности земли (для III снегового района) 2,1 кПа;
-нормативное значение ветрового давления W0 (для I района) - 0,23 кПа;
-тип местности – В.
В соответствии с табл.5.2 СП 11-105-97 ч.2 участок строительства по категориям устойчивости территории отнесен к:
- по интенсивности образования карстовых провалов – V.
- по средним размерам карстовых провалов – В.
В геологическом строении территории до разведанной глубины принимают участие отложения четвертичной, юрской и каменноугольных систем, с поверхности отложения перекрыты насыпными грунтами, местами почвенно-растительным слоем. На основании литологического состава и физико-механических свойств грунтов на участке выделено 9 инженерно-геологических элементов (ИГЭ). Инженерно-геологические условия изучаемой площадки относятся ко III категории сложности согласно СП 47.13330.2016, прил. Г.
Состав ИГЭ (инженерно-геологических элементов):
• ИГЭ 1 Насыпной грунт, серый, с песчаным заполнителем, с обломками кирпича и строительным мусором.
• ИГЭ 2 Песок средней крупности серо-коричневый, средней плотности, с включением гравия.
• ИГЭ 3 Песок крупный светло-коричневый, средней плотности, с включениями гравия и гальки до 10%.
• ИГЭ 4 Суглинок тёмно-коричневый, тугопластичный, с редкими включениями гравия, гальки.
• ИГЭ 5 Глина темно-серая, черная, тяжелая слоистая слюдистая, тугопластичная, ожелезнённая, с включениями гравия.
• ИГЭ 6 Глина тёмно-серая, тяжёлая, твёрдая с тонкими прослоями супеси зелёной.
• ИГЭ 7 Известняк, разрушенный до щебня с глинистым заполнителем и известковой мукой
• ИГЭ 8 Известняк желтовато-белый, средней прочности, скрытокристаллический массивный доломитистый, с рыжими вкраплениями, с прослоями глины.
• ИГЭ 9 Известняк розовый, скрытокристаллический массивный доломитовый, прочный, с редкими прослоями глины.

СОДЕРЖАНИЕ
ВВЕДЕНИЕ 7
1. ОБЪЁМНО-ПЛАНИРОВОЧНЫЕ И КОНСТРУКТИВНЫЕ РЕШЕНИЯ 8
2. ОПРЕДЕЛЕНИЕ НОРМАТИВНОЙ ПРОДОЛЖИТЕЛЬНОСТИ РАБОТ 14
3. КАЛЕНДАРНОЕ ПЛАНИРОВАНИЕ 15
4. РАЗРАБОТКА СТРОЙГЕНПЛАНА 43
5. ТЭП 65
СПИСОК ИСПОЛЬЗУЕМОЙ ЛИТЕРАТУРЫ 66


Сообщить о проблеме
Автор
user-avatar user-3175842
Дата
04.03.2024
Язык
Русский
Состав
ПЗ + полный комплект чертежей.
Софт
AutoCAD 2020 Как открыть?
Отзывов пока нет
Задать вопрос
Содержимое архива
  • icon-dwg GENPLAN_Andrey_2020-3.dwg
  • icon-dwg GPR_i_Setevoy(2).dwg
  • icon-doc KP_08_05_01_ISA_6-3_Saprykin_AO.docx
Чтобы скачать чертеж, 3D модель или проект, Вы должны зарегистрироваться и принять участие в жизни сайта. Посмотрите, как тут скачивать файлы
Отзывов пока нет
Чтобы оставить отзыв, необходимо войти
Войти с помощью:

Используя функцию входа через сторонние сервисы, Вы соглашаетесь на обработку персональных данных в соответствии с Политикой конфиденциальности