Перейти к содержимому
Войти

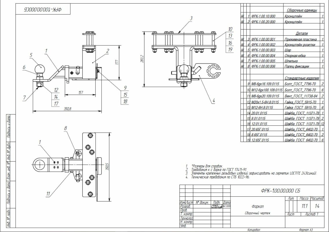
Фаркоп под американский квадрат 50х50

0
3
100
0
0
40

Фаркоп под американский квадрат — Nissan Pathfinder и другие.
Аналог - Бизон FA 0412-E(ДЗК RA 412)
Модель создана с аналога установленного на машине.
3Д модель в степ. Твердотельное моделирование.
КД ( сборочные чертежи+деталировка+спецификация)


Сообщить о проблеме
Дата
25.02.2026
Язык
Русский
Состав
3D модель, КД(чертежи + спецификации)
Софт
STEP / IGES AP214
Отзывов пока нет
Задать вопрос
Содержимое архива
    • icon-pdf ФРК-1.00.00.000 - Фаркоп - СБ-СП.pdf
    • icon-step ФРК-1.00.00.000 Фаркоп американский квадрат.STEP
    • icon-pdf ФРК-1.00.00.001 - Прижимная пластина.pdf
    • icon-pdf ФРК-1.00.00.002 - Кронштейн розетки.pdf
    • icon-pdf ФРК-1.00.00.003 - Шар.pdf
    • icon-pdf ФРК-1.00.00.004 - Опорная юбка.pdf
    • icon-pdf ФРК-1.00.00.005 - Шпилька.pdf
    • icon-pdf ФРК-1.00.00.006 - Палец фиксации.pdf
    • icon-pdf ФРК-1.00.10.000 - Кронштейн - СБ-СП.pdf
    • icon-pdf ФРК-1.00.10.001 - Пластина.pdf
    • icon-pdf ФРК-1.00.10.002 - Корпус.pdf
    • icon-pdf ФРК-1.00.10.003 - Втулка.pdf
    • icon-pdf ФРК-1.00.20.000 - Кронштейн - СБ-СП.pdf
    • icon-pdf ФРК-1.00.20.001 - Корпус.pdf
    • icon-pdf ФРК-1.00.20.003 - Пластина.pdf
    • icon-pdf ФРК-1.00.20.004 - Уголок.pdf
    • icon-pdf ФРК-1.00.20.005 - Обод.pdf
    • icon-pdf ФРК-1.00.20.006 - Заглушка.pdf
Чтобы скачать чертеж, 3D модель или проект, Вы должны зарегистрироваться и принять участие в жизни сайта. Посмотрите, как тут скачивать файлы
Отзывов пока нет
Чтобы оставить отзыв, необходимо войти
Войти с помощью:

Используя функцию входа через сторонние сервисы, Вы соглашаетесь на обработку персональных данных в соответствии с Политикой конфиденциальности