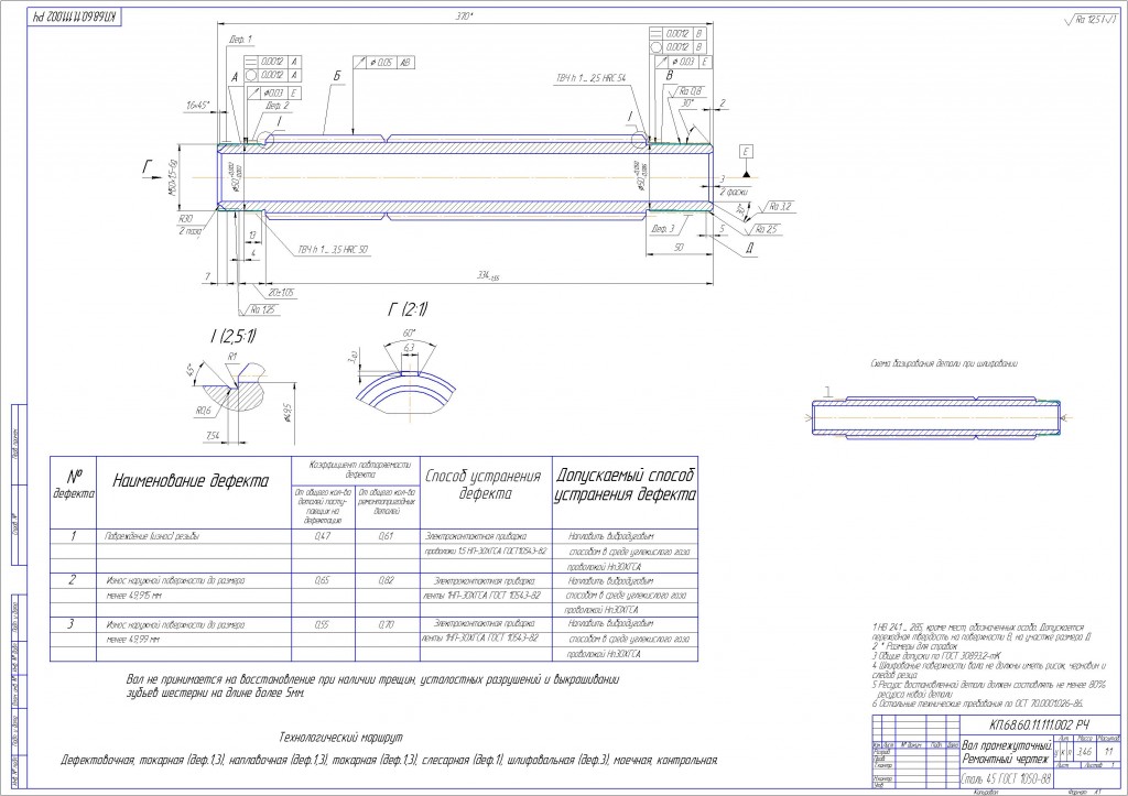
Вал промежуточный коробки перемены передач трактора Т-150. Ремонтный чертеж для выполнения задания к курсовому проекту по дисциплине "Ремонт машин".
- Главная -
- Чертежи -
- Транспорт -
- Автосервис и автомобильное хозяйство -
- Чертеж ремонтный вала промежуточного
Чертеж ремонтный вала промежуточного
0
0
375
2
0
20
Сообщить о проблеме
Автор
Дата
22.02.2018
Язык
Русский
Состав
Чертеж ремонтный
Софт
КОМПАС-3D 12
Как открыть?
Отзывов пока нет
Содержимое архива
-
Чертеж_ремонтный_вала_промежуточного.cdw
Чтобы скачать чертеж, 3D модель или проект, Вы должны зарегистрироваться
и принять участие в жизни сайта. Посмотрите, как тут скачивать
файлы
Отзывов пока нет
Чтобы оставить отзыв, необходимо войти
Войти с помощью:
Используя функцию входа через сторонние сервисы, Вы соглашаетесь на обработку персональных данных в соответствии с Политикой конфиденциальности
Используя функцию входа через сторонние сервисы, Вы соглашаетесь на обработку персональных данных в соответствии с Политикой конфиденциальности