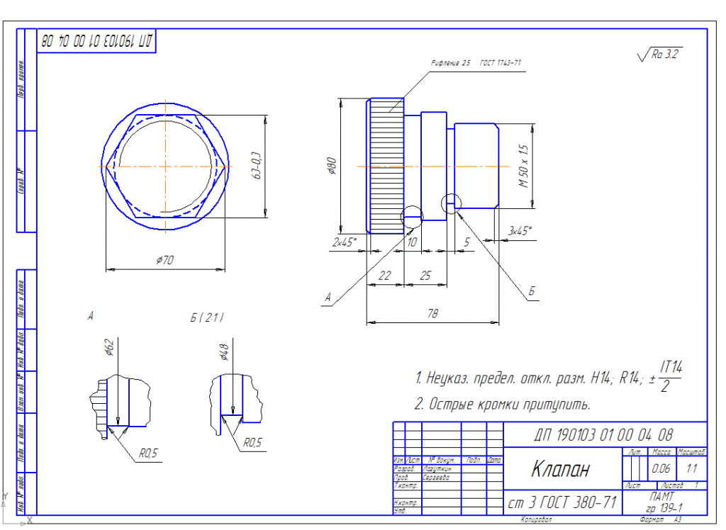
На чертеже ихображен клапан от автобуса ПАЗ
- Главная -
- Чертежи -
- Транспорт -
- Автосервис и автомобильное хозяйство -
- Клапан бензобака Автобуса ПАЗ
Клапан бензобака Автобуса ПАЗ
0
197
1352
0
0
20
Сообщить о проблеме
Содержимое архива
-
Клапан.cdw
Чтобы скачать чертеж, 3D модель или проект, Вы должны зарегистрироваться
и принять участие в жизни сайта. Посмотрите, как тут скачивать
файлы
Отзывов пока нет
Чтобы оставить отзыв, необходимо войти
Войти с помощью:
Используя функцию входа через сторонние сервисы, Вы соглашаетесь на обработку персональных данных в соответствии с Политикой конфиденциальности
Используя функцию входа через сторонние сервисы, Вы соглашаетесь на обработку персональных данных в соответствии с Политикой конфиденциальности