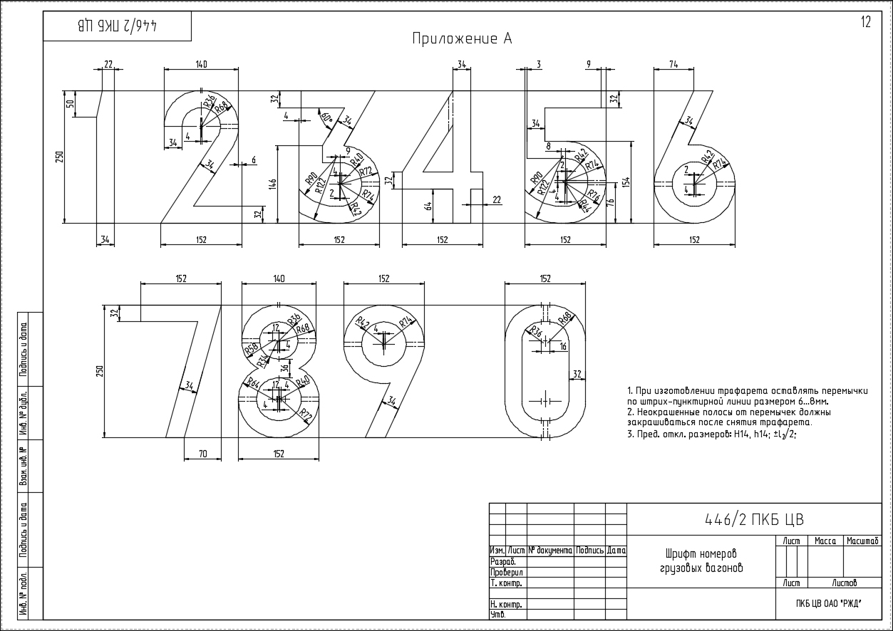
Трафарет шрифта для нумерации подвижного состава выполнен согласно новой нумерации 446 ПКБ ЦВ.
- Главная -
- Чертежи -
- Транспорт -
- Железнодорожный транспорт -
- Шрифт номеров подвижного состава 446 ПКБ ЦВ
Шрифт номеров подвижного состава 446 ПКБ ЦВ
1
2
3771
20
0
20
Сообщить о проблеме
Автор
Дата
02.02.2021
Язык
Русский
Состав
Шрифт номеров грузовых вагонов 446/2 ПКБ ЦВ, Шрифт номеров пассажирских вагонов и дублирующих номеров грузовых вагонов 446/3 ПКБ ЦВ, Шрифт номеров рефрижераторных вагонов 446/3 ПКБ ЦВ
Софт
AutoCAD 2017
Как открыть?
Отзывов пока нет
Содержимое архива
-
446 ПКБ ЦВ.dwg
-
446 ПКБ ЦВ.txt
-
eskdb.shx
-
eskdu.shx
Чтобы скачать чертеж, 3D модель или проект, Вы должны зарегистрироваться
и принять участие в жизни сайта. Посмотрите, как тут скачивать
файлы
Отзывов пока нет
Чтобы оставить отзыв, необходимо войти
Войти с помощью:
Используя функцию входа через сторонние сервисы, Вы соглашаетесь на обработку персональных данных в соответствии с Политикой конфиденциальности
Используя функцию входа через сторонние сервисы, Вы соглашаетесь на обработку персональных данных в соответствии с Политикой конфиденциальности