Перейти к содержимому
Войти

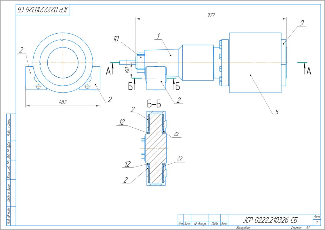
Ролик валковой (вертикальной) мельницы

1
0
37
0
0
250

Этот ролик принадлежит Валковая (Вертикальная) мельница. в роликах заливают масло с вязкостью 460.

Тех. характеристики мельницы
мощность основного эл.двигателья - 132 кВт
Тип привода - двух ступенчатый цилиндрический редуктор
Вращения выходного вала редуктора - 82 об/мин.
Число роликов - 6 шт


Сообщить о проблеме
Дата
09.04.2026
Язык
Русский
Состав
3D Сборка (в дереве предупреждения), чертежи согласно спписка файлов
Софт
КОМПАС-3D 21 Как открыть?
Отзывов пока нет
Задать вопрос
Содержимое архива
      • icon-m3d Бандаж.m3d
      • icon-cdw Бандаж ролика угольной мельницыJCP 0197.040226.cdw
      • icon-jpg Бандаж ролика угольной мельницыJCP 0197.040226.jpg
      • icon-m3d Бронзовая втулка ф100 х ф80 Н-100.m3d
      • icon-cdw Втулка 100х 80 Н-100JCP 0222.210326-08.2.cdw
      • icon-jpg Втулка 100х 80 Н-100JCP 0222.210326-08.2.jpg
      • icon-m3d Дистационная шайба ф120 х ф80 б-12.m3d
      • icon-m3d Корпус держатель ролика.m3d
      • icon-cdw Корпус держателя роликаJCP 0222.210326-08.1.cdw
      • icon-jpg Корпус держателя роликаJCP 0222.210326-08.1.jpg
      • icon-a3d Корпус держателя ролика в сборе.a3d
      • icon-cdw Корпус держателя ролика в сбореJCP 0222.210326-08 СБ.cdw
      • icon-jpg Корпус держателя ролика в сбореJCP 0222.210326-08 СБ.jpg
      • icon-cdw Шайба дистанционная 120 х 80,5 б-12JCP 0222.210326-08.3.cdw
      • icon-jpg Шайба дистанционная 120 х 80,5 б-12JCP 0222.210326-08.3.jpg
    • icon-m3d Бронзовая втулка ф157х137 Н-325.m3d
    • icon-cdw Бронзувую втулкуJCP 0222.210326-07.cdw
    • icon-jpg Бронзувую втулкуJCP 0222.210326-07.jpg
    • icon-jpg Бронзувую втулку ф165 х ф130 Н-325.jpg
    • icon-jpg Бронзувую втулку ф200 х ф150 Н-255.jpg
    • icon-m3d Верхная корпус оса.m3d
    • icon-cdw Верхный корпус оса ролика вертикалной уголной мельн.JCP 0222.210326-03.cdw
    • icon-jpg Верхный корпус оса ролика вертикалной уголной мельн.JCP 0222.210326-03.jpg
    • icon-cdw Держатель роликаJCP 0222.210326-04.2.cdw
    • icon-jpg Держатель роликаJCP 0222.210326-04.2.jpg
    • icon-m3d Квадрат держател ролика.m3d
    • icon-m3d Накидкая гайка М75х2.m3d
    • icon-m3d Накидкая гайка М200х3.m3d
    • icon-cdw Накидная гайка М75х2JCP 0222.210326-06.cdw
    • icon-jpg Накидная гайка М75х2JCP 0222.210326-06.jpg
    • icon-cdw Накидная гайка М200х3JCP 0222.210326-05.cdw
    • icon-jpg Накидная гайка М200х3JCP 0222.210326-05.jpg
    • icon-m3d Нижная корпус оса.m3d
    • icon-cdw Нижный корпус оса ролика вертикалной уголной мельн.JCP 0222.210326-02.cdw
    • icon-jpg Нижный корпус оса ролика вертикалной уголной мельн.JCP 0222.210326-02.jpg
    • icon-m3d Ось.m3d
    • icon-cdw Ось ролика вертикальной угольной мельницыJCP 0222.210326-01.cdw
    • icon-jpg Ось ролика вертикальной угольной мельницыJCP 0222.210326-01.jpg
    • icon-a3d Ролик в сборе.a3d
    • icon-step Ролик в сборе.stp
    • icon-jpg Ролик в сборе угольная вертикальная мельницаJCP 0222.210326 СБ(1).jpg
    • icon-jpg Ролик в сборе угольная вертикальная мельницаJCP 0222.210326 СБ(2).jpg
    • icon-cdw Ролик в сборе угольная вертикальная мельницаJCP 0222.210326 СБ.cdw
    • icon-cdw Стакан в сбореJCP 0222.210326-04 СБ.cdw
    • icon-jpg Стакан в сбореJCP 0222.210326-04 СБ.jpg
    • icon-m3d Стакан ролика.m3d
    • icon-cdw Стакан ролика вертикалной уголной мельн.JCP 0222.210326-04.cdw
    • icon-jpg Стакан ролика вертикалной уголной мельн.JCP 0222.210326-04.jpg
    • icon-a3d Стакан ролика в сборе.m3d.a3d
    • icon-m3d Шуп.m3d
    • icon-cdw ШупJCP 0222.210326-09.cdw
    • icon-jpg ШупJCP 0222.210326-09.jpg
    • icon-m3d держатель ролика.m3d
Чтобы скачать чертеж, 3D модель или проект, Вы должны зарегистрироваться и принять участие в жизни сайта. Посмотрите, как тут скачивать файлы
Отзывов пока нет
Чтобы оставить отзыв, необходимо войти
Войти с помощью:

Используя функцию входа через сторонние сервисы, Вы соглашаетесь на обработку персональных данных в соответствии с Политикой конфиденциальности