Перейти к содержимому
Войти

Нормирование точности и технические измерения в соответствии с заданием

0
124
883
1
0
100

Новосибирский государственный технический университет
Кафедра технологии машиностроения
Расчетно-графическая работа по дисциплине «Нормирование точности и технические измерения»
На тему: «Нормирование точности»
Новосибирск 2015

Курсовая работа по нормировании точности и техническим измерениям. Имеется пояснительная записка и чертежы.
Исходные данные:
1 Посадки Осн. отв. H10 Осн. вал h7
2 D или сопр. 1/2 L 50 n 800 P, кН 1,4 Масло Тур. 22
3 Соп. 10/9 Мкр, кНм 0,3 Ст. 45
4 Из задания 3
5 Соп. 6/4, 4/5 КТ 5 Р, кН 5
6 Сопряжение 11/10
7 Соп. 7/1 Исп. 2 Соед. Норм.
8 Замыкающее звено Б^=5+0.5
9 Резьбовые калибры Из зад. 6
10 Сопряжение 6×23×26 Центрир. По d
11 Шлицевые калибры Из зад. 10
12 Чертеж детали Поз. 1
13 Контроль погр. расп. Параллельность, соосность


Сообщить о проблеме
Автор
user-avatar AS
Дата
05.04.2016
Язык
Русский
Состав
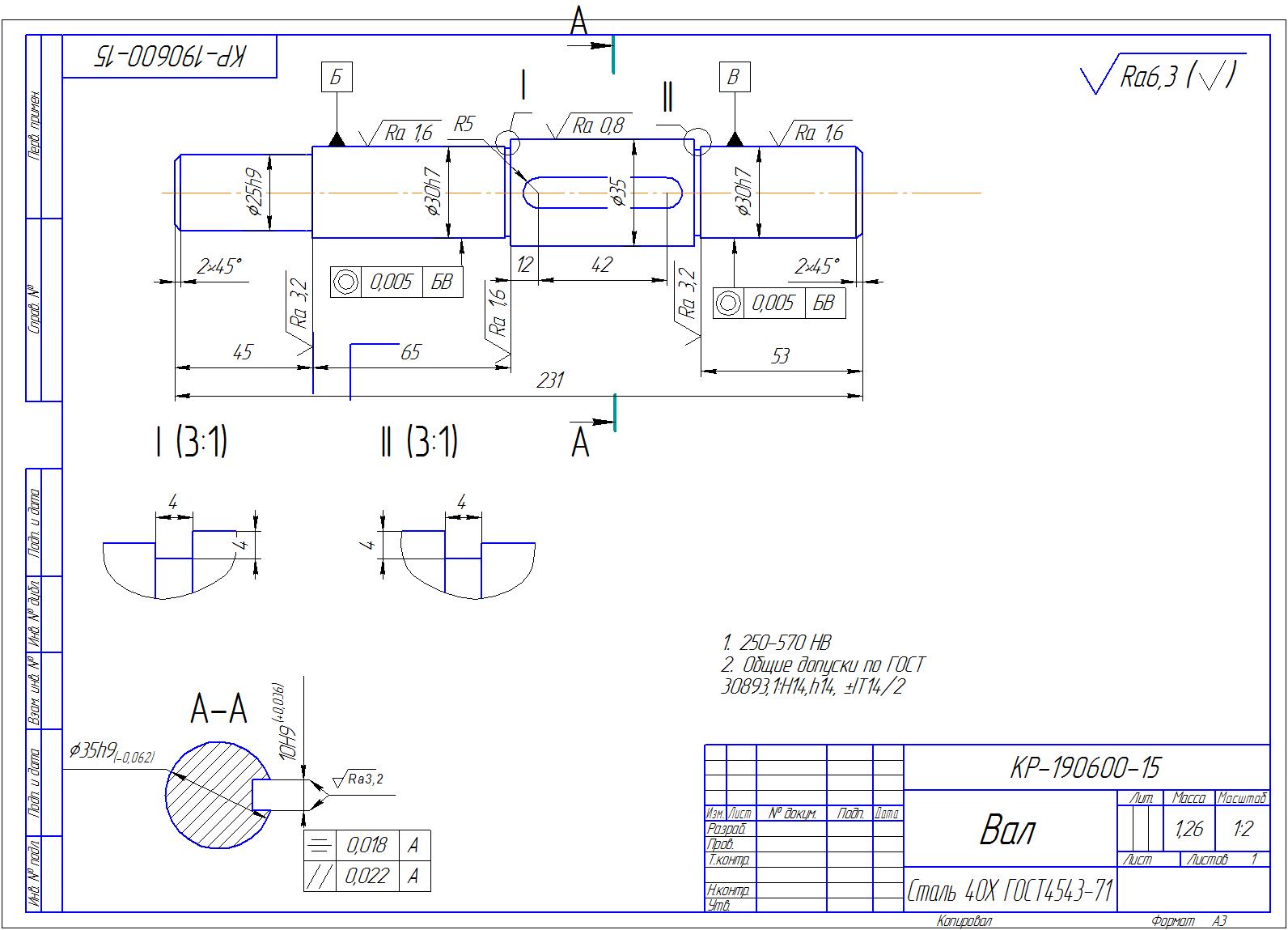
Вал, Исходные данные, Калибры, Подшипник, Пояснительная, Расположение полей допусков, Резьбовое, Сопряжение (зазор), Сопряжение (натяг), Шлицы, Шпонка
Софт
КОМПАС-3D 13 Как открыть?
Отзывов пока нет
Задать вопрос
Содержимое архива
    • icon-cdw Вал.cdw
    • icon-doc Исходные данные.doc
    • icon-cdw Калибры.cdw
    • icon-cdw Подшипник.cdw
    • icon-doc Пояснительная.doc
    • icon-cdw Расположение полей допусков.cdw
    • icon-cdw Резьбовое.cdw
    • icon-cdw Сопряжение (зазор).cdw
    • icon-cdw Сопряжение (натяг).cdw
    • icon-cdw Шлицы.cdw
    • icon-cdw Шпонка.cdw
Чтобы скачать чертеж, 3D модель или проект, Вы должны зарегистрироваться и принять участие в жизни сайта. Посмотрите, как тут скачивать файлы
Отзывов пока нет
Чтобы оставить отзыв, необходимо войти
Войти с помощью:

Используя функцию входа через сторонние сервисы, Вы соглашаетесь на обработку персональных данных в соответствии с Политикой конфиденциальности