Перейти к содержимому
Войти

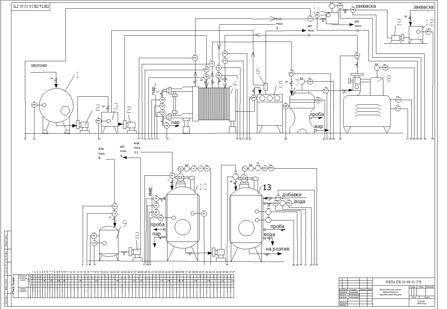
Схема автоматизации производства йогурта

0
407
8987
26
3
30

автоматизация производства питьевого йогурта, на чертеже таблица PLANT SCAPE

Вступ………………………………………………………………………….
1 Загальна частина…………………………………………………………..
1.1 Вибір засобу виробництва………………………………………………
1.2 Фізико-хімічні та біологічні основи процесу………………………….
1.3 Характеристика продуценту, сировини та готового продукту……….
1.3.1 Характеристика продуценту…………………………………
1.3.2 Характеристика сировини……………………………………
1.3.3 Характеристика готового продукту…………………………
1.4. Опис технологічної схеми……………………………………….
2 Контроль виробництва ……………………………………………………
2.1 Види контролю……………………………………………………
2.2 Опис типової схеми НАССР виробництва (Hazard Analysis
Critical Control Points система ризику в критичних контрольних точках).
3 Автоматизація процесу …………………………………………………...
3.1 Аналіз процесу, як об’єкта автоматизації………………………
3.2 Характеристика системи PLANT SCAPE……………………….
3.3 Розробка функціональної схеми автоматизації…………………
3.3.1 Характеристика параметрів, які підлягають контролю,
регулюванню…………………………………………………………………
3.3.2 Вибір засобів автоматизації та їх характеристика…………..
3.3.3 Опис схеми автоматизації…………………………………….
Висновки……………………………………………………………………..
Перелік посилань ……………………………………………………………


Сообщить о проблеме
Автор
user-avatar zaichishka0130
Дата
14.05.2011
Язык
Украинский
Состав
Функціональна схема автоматизації виробництва йогурту, ПЗ
Софт
Отзывов пока нет
Задать вопрос
Содержимое архива
  • icon-dxf Аня.dxf
  • icon-doc Логвинова.docx
Чтобы скачать чертеж, 3D модель или проект, Вы должны зарегистрироваться и принять участие в жизни сайта. Посмотрите, как тут скачивать файлы
Отзывов пока нет
Чтобы оставить отзыв, необходимо войти
Войти с помощью:

Используя функцию входа через сторонние сервисы, Вы соглашаетесь на обработку персональных данных в соответствии с Политикой конфиденциальности