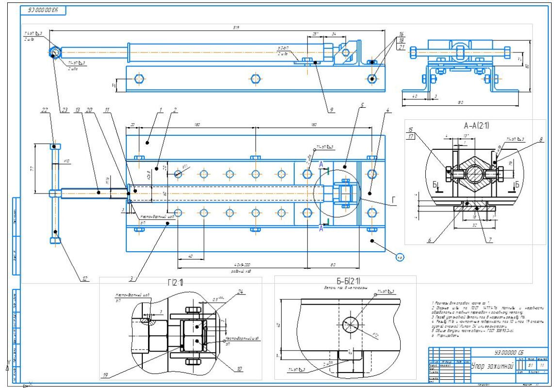
Упор зажимной используется для ускорения фиксации различных профилей под сварку и другие нужды.
- Главная -
- Чертежи -
- Моделизм, хобби, своими руками -
- Упор зажимной
Упор зажимной
0
1
18
0
0
30
Сообщить о проблеме
Автор
Дата
25.01.2026
Язык
Русский
Состав
3д модель в step, Сборочный чертеж (СБ), Спецификация
Софт
КОМПАС-3D 22
Как открыть?
Отзывов пока нет
Содержимое архива
-
УЗ 00.000.spw
-
Упор зажимной.cdw
-
Упор зажимной.stp
Чтобы скачать чертеж, 3D модель или проект, Вы должны зарегистрироваться
и принять участие в жизни сайта. Посмотрите, как тут скачивать
файлы
Задания с фриланса
Отзывов пока нет
Чтобы оставить отзыв, необходимо войти
Войти с помощью:
Используя функцию входа через сторонние сервисы, Вы соглашаетесь на обработку персональных данных в соответствии с Политикой конфиденциальности
Используя функцию входа через сторонние сервисы, Вы соглашаетесь на обработку персональных данных в соответствии с Политикой конфиденциальности