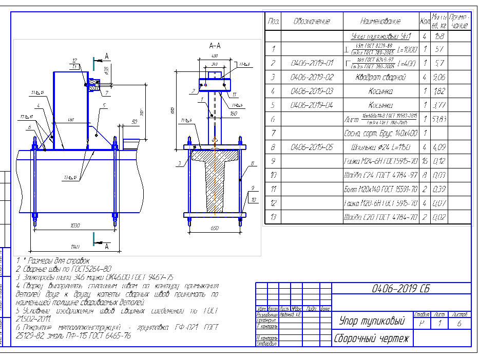
Упор тупиковый для мостового электрического крана грузоподъемностью до 10 т.
- Главная -
- Чертежи -
- Строительство -
- Металлоконструкции -
- Упор тупиковый
Упор тупиковый
0
2
1062
4
0
50

Сообщить о проблеме
Автор
Дата
09.12.2019
Язык
Русский
Состав
Сборочный чертеж (деталировка)
Софт
КОМПАС-3D 16.1
Как открыть?
Отзывов пока нет
Содержимое архива
Чтобы скачать чертеж, 3D модель или проект, Вы должны зарегистрироваться
и принять участие в жизни сайта. Посмотрите, как тут скачивать
файлы
Отзывов пока нет
Чтобы задать вопрос, необходимо войти
Войти с помощью:
Ссылка на логин через google
Ссылка на логин через vk
Ссылка на логин через yandex