Перейти к содержимому
Войти

Трансформаторы тока высокоточные FRER

2
1
18
0
0
50

Трансформаторы тока высокоточные FRER измерительные устройства, предназначенные для преобразования больших значений переменного тока в меньшие (стандартные), безопасные для измерения значения. Он обеспечивает гальваническую развязку между силовыми электрическими цепями и цепями измерения. Устройства являются ключевыми элементами в системах коммерческого и технического учета электроэнергии, релейной защиты и мониторинга параметров сети.


Сообщить о проблеме
Дата
16.01.2026
Язык
Русский
Состав
эскизы 20 шт.
Софт
Отзывов пока нет
Задать вопрос
Содержимое архива
    • icon-png 1.png
    • icon-png 2.png
    • icon-png 3.png
    • icon-dwg FRER MAT127 3000A 127×55.dwg
    • icon-dwg FRER TAA083 600A 51×80,5 600_5.dwg
    • icon-dwg FRER TAA123 800A 80,5×121,5 800_5.dwg
    • icon-dwg FRER TAC005 80A 80_5.dwg
    • icon-dwg FRER TAC010 600A 600_5.dwg
    • icon-dwg FRER TAC020 100A 100_5.dwg
    • icon-dwg FRER TAC032 200A 32×10 200_5.dwg
    • icon-dwg FRER TAC040 400A 40×10 400_1.dwg
    • icon-dwg FRER TAC051 1500A 51×18 1500_5.dwg
    • icon-dwg FRER TAC054 1500A 54×34 1500_5.dwg
    • icon-dwg FRER TAC071 150A 15×5 150_5.dwg
    • icon-dwg FRER TAT061 1500A 61×31 1500_5.dwg
    • icon-dwg FRER TAT063 400A 63×30 400_5.dwg
    • icon-dwg FRER TAT081 2500A 81×31 2500_5.dwg
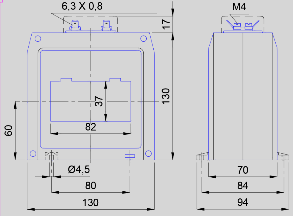
    • icon-dwg FRER TAT082 2500A 82×37 2500_5.dwg
    • icon-dwg FRER TAT101 3000A 102×55 3000_5.dwg
    • icon-dwg FRER TAT106 3000A 106×76 3000_5.dwg
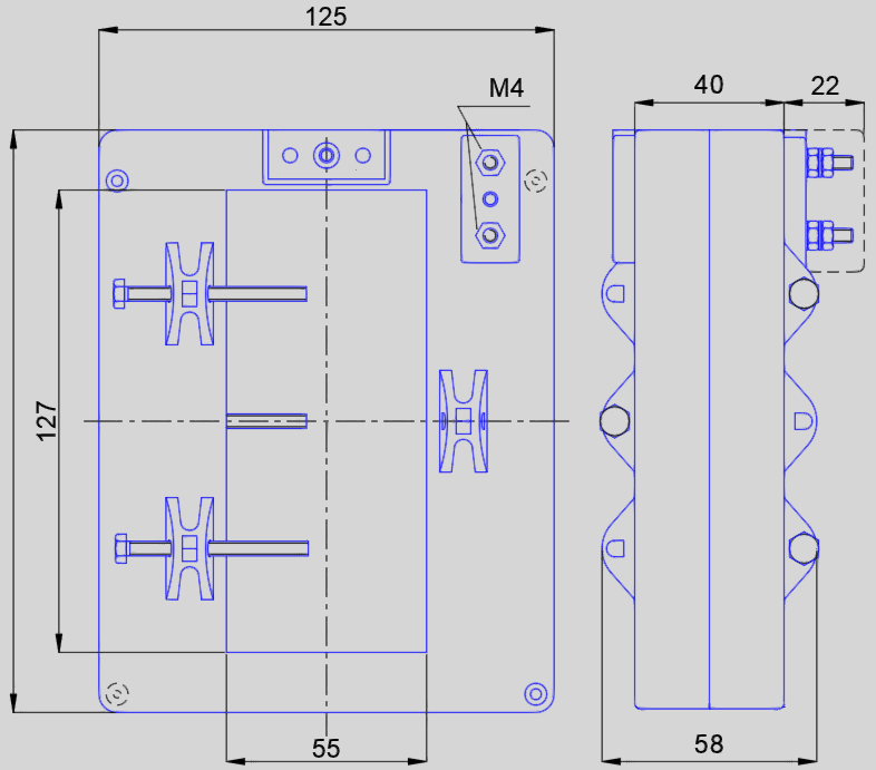
    • icon-dwg FRER TAT125 2000A 125×55 2000_5.dwg
    • icon-dwg FRER TAT127 800A 127×55 800_5.dwg
    • icon-dwg FRER TAT127 2000A 127×55 2000_5.dwg
Чтобы скачать чертеж, 3D модель или проект, Вы должны зарегистрироваться и принять участие в жизни сайта. Посмотрите, как тут скачивать файлы
Отзывов пока нет
Чтобы оставить отзыв, необходимо войти
Войти с помощью:

Используя функцию входа через сторонние сервисы, Вы соглашаетесь на обработку персональных данных в соответствии с Политикой конфиденциальности