Перейти к содержимому
Войти

Расчет теплопотерь помещений жилого здания; площади отопительных приборов;естественной вентиляции. Для жилого помещения площадью 212,8 м2

0
52
449
1
0
20

Сумський національний аграрний університет
Кафедра проектування технічних систем
Розрахунково-графічна робота з дисципліни «Інженерні мережі та конструкції в АПК»
Суми 2016

Завдання
Варіант 4
Стінові огородження із силікатної цегли.
Середня температура пяти найбільш холодних днів t_з5=-20℃
Середня температура найбільш холодного періоду t_(х.п.)=-10℃
Кліматична зона вологості – Б.
Параметри внутрішнього повітря:
Температура внутрішнього повітря житлової кутової кімнати t_п^вуг=19℃
Температура повітря середньої кімнати t_п^сер=18℃
Джерело тепла – ТЕЦ
Кількість поверхів -1
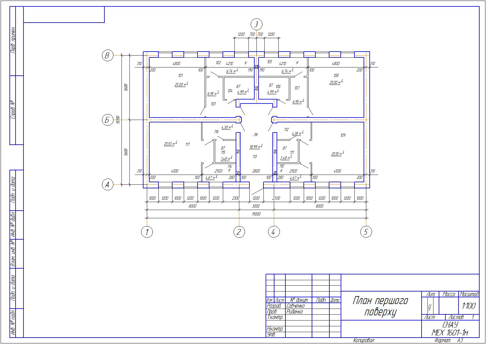
У даній роботі проводиться розрахунок тепловтрат приміщень житлового будинку; площі опалювальних приладів; природної вентиляції з подальшим нанесенням вентиляції на креслення приміщення.


Сообщить о проблеме
Дата
04.03.2017
Язык
Украинский
Состав
Завдання, розрахунок, креслення приміщення
Софт
КОМПАС-3D SP1 Как открыть?
Отзывов пока нет
Задать вопрос
Содержимое архива
  • icon-doc Завдання.docx
  • icon-doc Розрахунок .docx
  • icon-cdw Чертеж.cdw
Чтобы скачать чертеж, 3D модель или проект, Вы должны зарегистрироваться и принять участие в жизни сайта. Посмотрите, как тут скачивать файлы
Отзывов пока нет
Чтобы оставить отзыв, необходимо войти
Войти с помощью:

Используя функцию входа через сторонние сервисы, Вы соглашаетесь на обработку персональных данных в соответствии с Политикой конфиденциальности