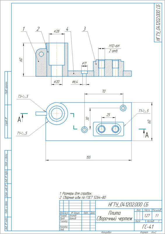
Главная - Чертежи - Начертательная геометрия и Инженерная графика - Плита НГТУ-041202.000 СБ Плита НГТУ-041202.000 СБ 0 0 11 0 0 40 Показать по оси x Показать по оси y Показать по оси z Показать разбор детали Плита_НГТУ_041202.000.stp Плей/пауза Во весь экран НГТУ ,ФЛА ,Инженерная Графика ,2025 Винт ,основание ,вал ,ушко ,опора ,чертежи ,модели ,сборка ,2 вариант 3D Модели Плита Поделиться: Поделиться через Telegram Поделиться через Whatsapp Поделиться через VK Сообщить о проблеме Пожаловаться на пользователя Проблема с работой Автор user-2350836 Дата 16.10.2025 Язык Русский Состав 3D сборка, сборочный чертёж, спецификация Софт КОМПАС-3D 22 Как открыть? Отзывы Отзывов пока нет Задать вопрос Содержимое архива Плита_НГТУ_041202.000.stp Плита_НГТУ_041202.000.cdw Вал_НГТУ_041202.002 (2) (2).m3d Плита _ НГТУ_041202.000.spw Вал _ НГТУ_041202.002 (2).cdw Опора _ НГТУ_041202.003 (2) (2) (2).cdw Основание _ НГТУ_041202.004 (1) (2).cdw Плита_НГТУ_041202.000.a3d Опора_НГТУ_041202.003 (2) (2).m3d Ушко _ НГТУ_041202.001 (2).cdw Ушко_НГТУ_041202.001 (2).m3d Основание_НГТУ_041202.004 (2) (2).m3d Чтобы скачать чертеж, 3D модель или проект, Вы должны зарегистрироваться и принять участие в жизни сайта. Посмотрите, как тут скачивать файлы Еще чертежи и проекты по этой теме: 50 Плита прямоугольная электромагнитная 1000х320х120 Плита прямоугольная электромагнитная 1000х320х120 18.02.2018 Софт: КОМПАС-3D 13 0 8 10 1 379 100 Плита на копёр Плита на копёр 02.09.2020 Софт: КОМПАС-3D 17 0 0 0 0 54 30 Плита пустотная Плита пустотная 20.05.2015 Софт: AutoCAD 2010 0 194 13 0 5729 20 Плита литниковая Плита литниковая 26.07.2011 Софт: КОМПАС-3D 10 0 260 0 0 3130 50 Кран спускной НГТУ.002.23.100 СБ Кран спускной НГТУ.002.23.100 СБ 28.05.2021 Софт: КОМПАС-3D 18.1 0 0 5 0 299 20 Плита УСП Плита УСП 31.03.2014 Софт: SolidWorks 11 0 314 7 1 2379 Показать еще Больше чертежей из этой категории Задания с фриланса Разработка проекта блока автоматической одоризации газа договорная user-9946047 24.09.2025 Спроектировать и подготовить РД Блок бункеров договорная user-6230096 28.09.2025 Сделать чертежи мотохвоста договорная Ensys 29.09.2025 Все задания Услуги Проектирование грузоподъемного оборудования Леонид Алмазов 4 недели назад 3D моделирование Максим Мелешко 31.12.2024 Обмерный план помещения Сергей Водянин 25.02.2025 Все услуги Отзывы Вопросы Отзывов пока нет Чтобы задать вопрос, необходимо войти Войти с помощью: Ссылка на логин через google Ссылка на логин через vk Ссылка на логин через yandex Вопросов пока нет Отменить ответ Чтобы задать вопрос, необходимо войти Войти с помощью: Ссылка на логин через google Ссылка на логин через vk Ссылка на логин через yandex