Перейти к содержимому
Войти

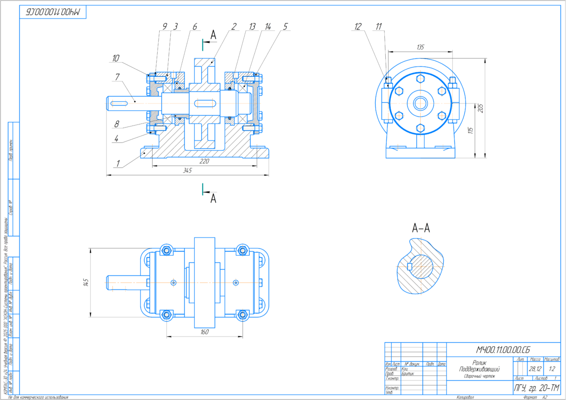
Ролик поддерживающий МЧ00.11.00.00 с чертежами

0
1
53
1
0
60

ПГУ,
МТФ,
Инженерная графика,
Расчетно-графическая работа
Новополоцк, 2021

Расчетно-графическая работа по дисциплине "Инженерная графика", выполнялась по чертежам в печатном варианте


Сообщить о проблеме
Дата
28.01.2026
Язык
Русский
Состав
Чертежи и модели деталей, сборочный чертёж и сборка, спецификация
Софт
КОМПАС-3D 22 Учебная версия Как открыть?
Отзывов пока нет
Задать вопрос
Содержимое архива
    • icon-cdw Вал _ МЧ00.11.00.07.cdw
    • icon-m3d Вал _ МЧ00.11.00.07.m3d
    • icon-cdw Втулка _ МЧ00.11.00.08.cdw
    • icon-m3d Втулка _ МЧ00.11.00.08.m3d
    • icon-cdw Диск _ МЧ00.11.00.06.cdw
    • icon-m3d Диск _ МЧ00.11.00.06.m3d
    • icon-cdw Корпус _ МЧ00.11.00.01.cdw
    • icon-m3d Корпус _ МЧ00.11.00.01.m3d
    • icon-cdw Крышка _ МЧ00.11.00.03.cdw
    • icon-m3d Крышка _ МЧ00.11.00.03.m3d
    • icon-cdw Крышка _ МЧ00.11.00.04.cdw
    • icon-m3d Крышка _ МЧ00.11.00.04.m3d
    • icon-cdw Крышка _ МЧ00.11.00.05.cdw
    • icon-m3d Крышка _ МЧ00.11.00.05.m3d
    • icon-cdw Прокладка _ МЧ00.11.00.09.cdw
    • icon-m3d Прокладка _ МЧ00.11.00.09.m3d
    • icon-cdw Ролик _ МЧ00.11.00.02.cdw
    • icon-m3d Ролик _ МЧ00.11.00.02.m3d
    • icon-a3d Ролик Поддерживающий _ МЧ00.11.00.00.a3d
    • icon-cdw Ролик Поддерживающий _ МЧ00.11.00.00.cdw
    • icon-spw Ролик Поддерживающий _ МЧ00.11.00.00.spw
    • icon-step Ролик Поддерживающий _ МЧ00.11.00.00.stp
Чтобы скачать чертеж, 3D модель или проект, Вы должны зарегистрироваться и принять участие в жизни сайта. Посмотрите, как тут скачивать файлы
Отзывов пока нет
Чтобы оставить отзыв, необходимо войти
Войти с помощью:

Используя функцию входа через сторонние сервисы, Вы соглашаетесь на обработку персональных данных в соответствии с Политикой конфиденциальности