Перейти к содержимому
Войти

Устройство натяжное МЧ00.50.00.00 (Боголюбов С.К.)

0
0
96
0
0
50

СГТУ им.Гагарина Ю.А.

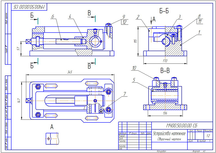
Натяжное устройство используется для устранения провисания ленты или цепи в ленточных или цепных конвейерах.

Оси натяжного барабана или звездочки концами валов (на черт, не показаны) опираются на втулки поз. 1. расположенные в двух подобных натяжных устройствах. Натяжение осуществляется горизонтальным перемещением ползуна поз. 4 по направляющим корпуса поз. 1. Вращая винт поз. 6 с прямоугольной резьбой, можно регулировать натяжение ленты или цепи. Корпус крепят к раме конвейера четырьмя болтами, проходящими через удлиненные отверстия. Эти отверстия позволяют производить более точную установку натяжного устройства на раме конвейера. Для уменьшения изнашивания втулки поз. 5 предусмотрена масленка поз. 10, из которой подводится смазка к трущимся поверхностям. Втулка поз. 5, установленная в ползуне поз. 4, фиксируется винтом поз. 7.

Устройство натяжное МЧ00.50.00.00 сборочный чертеж

Устройство натяжное МЧ00.50.00.00 спецификация

Устройство натяжное МЧ00.50.00.00 3д модель

Устройство натяжное МЧ00.50.00.00 чертежи

Корпус МЧ00.50.00.01

Плита МЧ00.50.00.02

Крышка МЧ00.50.00.03

Ползун МЧ00.50.00.04

Втулка МЧ00.50.00.05

Винт МЧ00.50.00.06

Задание 50 из альбома Чтение и деталирование сборочных чертежей Боголюбова С.К.


Сообщить о проблеме
Автор
user-avatar Radik Khamitov
Дата
28.09.2025
Язык
Русский
Состав
3D Сборка с чертежами и спецификациями.
Софт
КОМПАС-3D 16 Как открыть?
Отзывов пока нет
Задать вопрос
Содержимое архива
    • icon-cdw МЧ00.50.00.00 Устройство натяжное.cdw
    • icon-cdw МЧ00.50.00.00 Устройство натяжное сп.cdw
    • icon-cdw МЧ00.50.00.01_Корпус.cdw
    • icon-cdw МЧ00.50.00.02_Плита.cdw
    • icon-cdw МЧ00.50.00.03_Крышка.cdw
    • icon-cdw МЧ00.50.00.04_Ползун.cdw
    • icon-cdw МЧ00.50.00.04_Ползун аксонометрия.cdw
    • icon-cdw МЧ00.50.00.05_Втулка.cdw
    • icon-cdw МЧ00.50.00.06_Винт.cdw
  • icon-a3d МЧ00.50.00.00 Устройство натяжное.a3d
  • icon-step МЧ00.50.00.00 Устройство натяжное.stp
  • icon-m3d МЧ00.50.00.01_Корпус.m3d
  • icon-m3d МЧ00.50.00.02_Плита.m3d
  • icon-m3d МЧ00.50.00.03_Крышка.m3d
  • icon-m3d МЧ00.50.00.04_Ползун.m3d
  • icon-m3d МЧ00.50.00.05_Втулка.m3d
  • icon-m3d МЧ00.50.00.06_Винт.m3d
Чтобы скачать чертеж, 3D модель или проект, Вы должны зарегистрироваться и принять участие в жизни сайта. Посмотрите, как тут скачивать файлы
Отзывов пока нет
Чтобы оставить отзыв, необходимо войти
Войти с помощью:

Используя функцию входа через сторонние сервисы, Вы соглашаетесь на обработку персональных данных в соответствии с Политикой конфиденциальности