Перейти к содержимому
Войти

Проект электрооборудования ангара для хранения техники.

0
0
38
0
0
30

Стадия Р раздел ЭОМ: электрооборудование, электроосвещение, молниезащита.
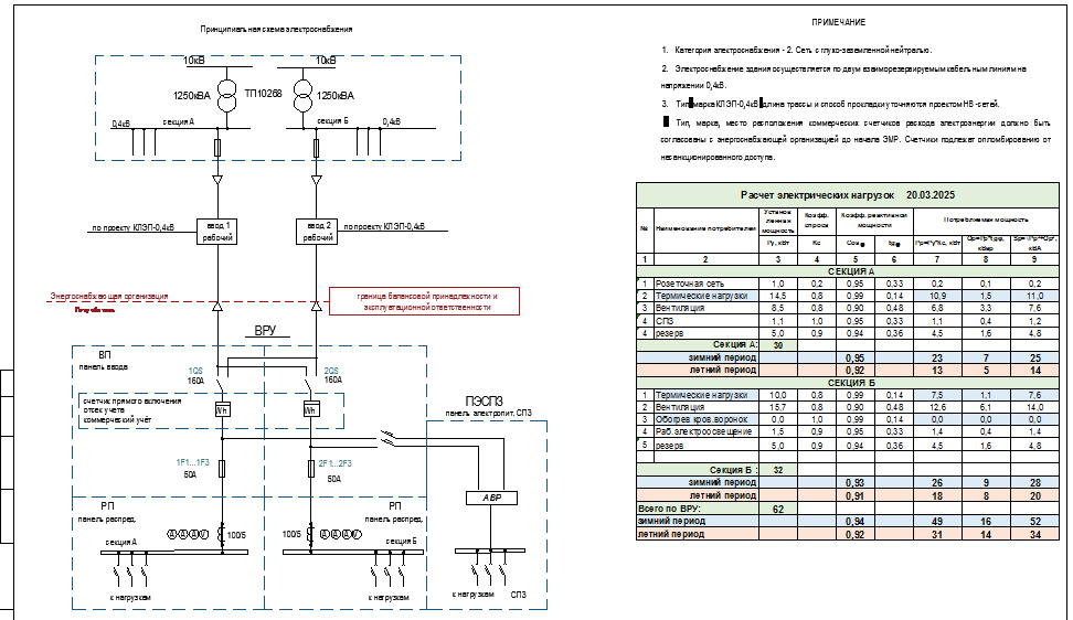
Категория электроснабжения -2.

Электроснабжение Ангара для техники осуществляется по одной кабельной линии 0,4кВ от трансформаторной подстанции.
Категория электроснабжения здания - 2. Сеть с глухо-заземленной нейтралью.
Для воода и распределения в пом. электрощитовой предусматривается установка вводно-распределительного устройства ВРУ. Распределительная панель оснащена аппаратом для защиты распределительных цепей от КЗ и токов перегрузок.
Резервирование оборудования СПЗ олсуществляется аккумуляторными батареями.
Счетчики коммерческого учета расхода электроэнергии устанвливаются в отсеке учета вводной панели. Тип, марка, место расположения счетчиков должно быть согласованы с энергоснабжающей организацией до начала ЭМР. Счетчики подлежат опломбированию от несанкционированного доступа.


Сообщить о проблеме
Автор
user-avatar Галина
Дата
27.02.2026
Язык
Русский
Состав
1. ОД. 2. Принципиальная схема электроснабжения 3. Принципиальная схема ВРУ. 4. Задание на организацию электрощитовой 5. ОСУП 6. План электропитания оборудования 1 этажа 7. План электропитания оборудования. Кровля 8. Молниезащита и заземление.План кровли. 9. Молниезащита и заземление.План 1 этажа Спецификация
Софт
Отзывов пока нет
Задать вопрос
Содержимое архива
  • icon-dwg Ангар ЭОМ стадия Р.dwg
Чтобы скачать чертеж, 3D модель или проект, Вы должны зарегистрироваться и принять участие в жизни сайта. Посмотрите, как тут скачивать файлы
Отзывов пока нет
Чтобы оставить отзыв, необходимо войти
Войти с помощью:

Используя функцию входа через сторонние сервисы, Вы соглашаетесь на обработку персональных данных в соответствии с Политикой конфиденциальности