Перейти к содержимому
Войти

Проектирование электрификации предприятия частного сельскохозяйственного предприятия с детальной разработкой микроклимата

0
0
29
1
0
100

Житомирский агротехнический коледж, Електрификация и автоматизация, Тема:Проектування електрифікації пташника приватного сільськогосподарського підприємства з детальною розробкою мікроклімату 2020

Дипломний проект складається з розрахунково-пояснювальної записки обсягом 100 аркушів та графічної частини на 4 аркушах формату А1, що включає вісім розділів:
1. Характеристика об'єкту — організаційно-економічна оцінка підприємства та обґрунтування вибору теми.
2. Технологія виробничих процесів — вибір електроприводів, розрахунок кормоприготування, кормороздавання, водопостачання, прибирання посліду та освітлення.
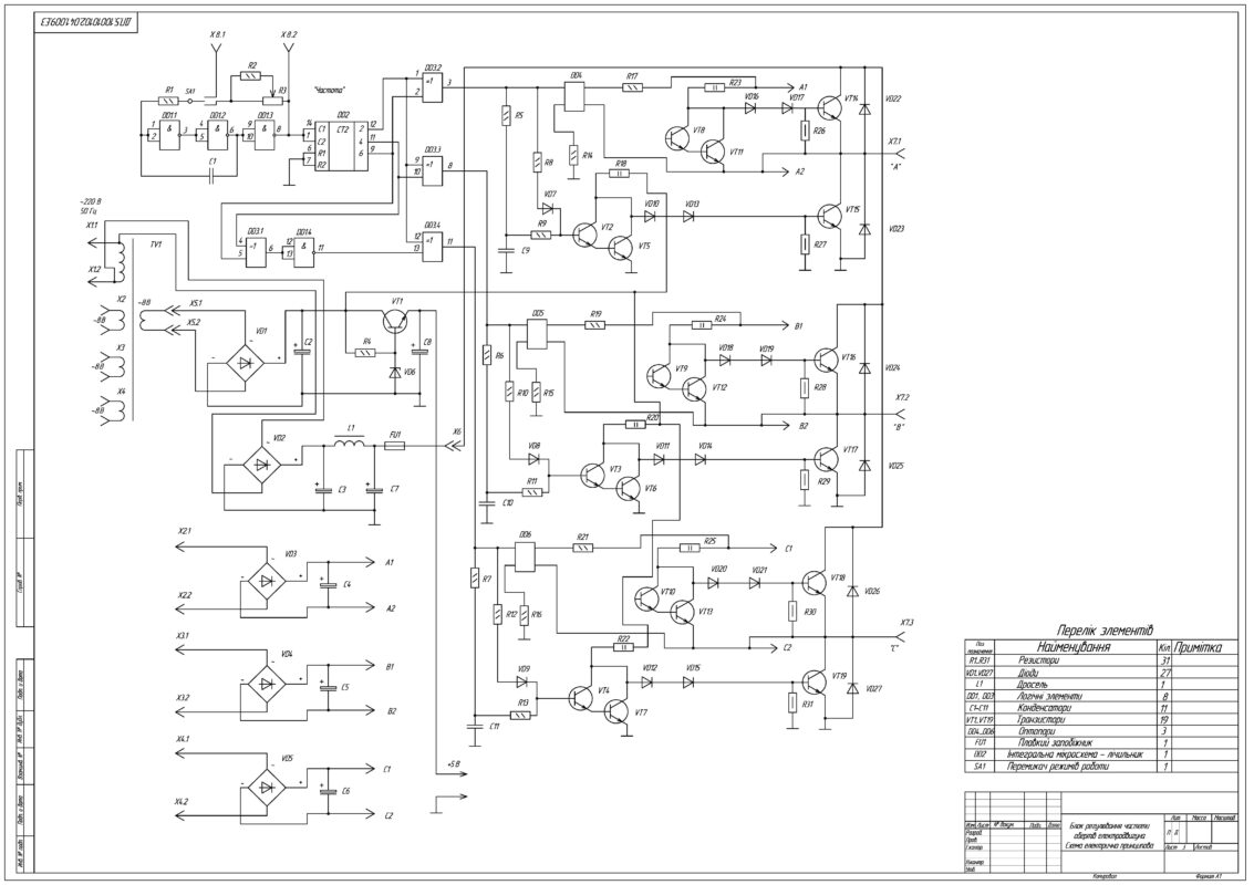
3. Автоматизація мікроклімату — розрахунок вентиляційно-опалювальної установки, вибір системи «Клімат-2000», розрахунок електроприводу вентилятора та інфрачервоного обігріву.
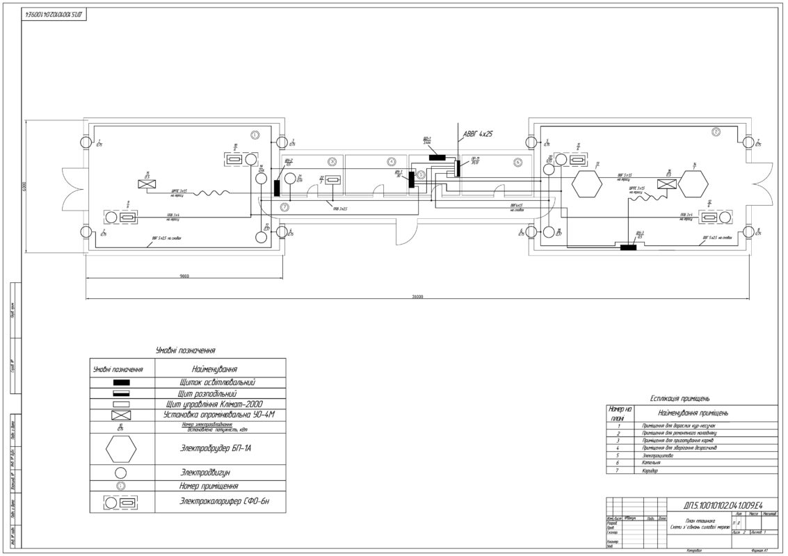
4. Розрахунок силової мережі — вибір пускозахисної апаратури, проводки, кабелів.
5. Технічна експлуатація електрообладнання.
6. Охорона праці — розробка системи електробезпеки, розрахунок заземлення, вибір УЗО та блискавкозахисту.
7. Техніко-економічне обґрунтування — оцінка економічної ефективності впровадження проекту.
У проекті виконано розрахунок і вибір такого основного обладнання:
• Кормоприготування — універсальний подрібнювач кормів із двигуном АИРЗУТ71В4 (0,55 кВт), що забезпечує добову потребу поголів'я в зерні, зеленій масі та коренеплодах.
• Кормороздавання та напування — автоматизована система годування «Фімавіт» (22 годівниці для дорослих курей та 50 для молодняка) і ніпельна система напування «Спарклайн».
• Водопостачання — занурний насос ESPA ACUA 5 35 M (0,37 кВт, напір 33 м) та проточний водонагрівач потужністю 3 кВт для підігріву води в зимовий період.
• Освітлення — люмінесцентні світильники ЛПП «Сіріус» (2×58 Вт) з розрахунком за точковим методом і перевіркою методом питомої потужності; нормована освітленість — 75 лк.
• Мікроклімат — система «Клімат-2000» з восьма осьовими вентиляторами ED-24 (0,37 кВт) та двома електрокалориферами СФО-6н (6 кВт кожен); розрахункова потужність опалення — 12,7 кВт.
• Інфрачервоний обігрів молодняка — 2 брудери БП-1А (по 1 кВт), що забезпечують температуру під брудером у межах 24–40 °С.
• Ультрафіолетове опромінення — установка УО-4М з лампами ДРТ-125 для профілактики рахіту та підвищення продуктивності птиці.

ЗМІСТ
Вступ 7
1.Проектування електрифікації пташника приватного сільськогосподарського підприємства 8
1.1. Обгрунтування вибору теми 8
2. Вибір технологічних процесів і машин 11
2.1 Розрахунок і вибір машин кормоприготувань 11
2.2 Кормораздача та напування 13
2.3 Розрахунок і вибір устаткування для гарячого і холодного водопостачання 17
2.4 Прибирання посліду 22
2.5 Світлотехничний розрахунок електричного освітлення пташника з вибором світильників 24
2.6 Методика розрахунку і вибір пускозахисної апаратури, освітлювального і силового щитів 35
2.7 Методика вибору силової і освітлювальної проводки в пташнику 42
3. Вибір електроустаткування для процесів підтримки мікроклімату 47
3.1 Основні параметри мікроклімату в пташнику 47
3.2 Розрахунок вентиляційно-опалювальної установки 48
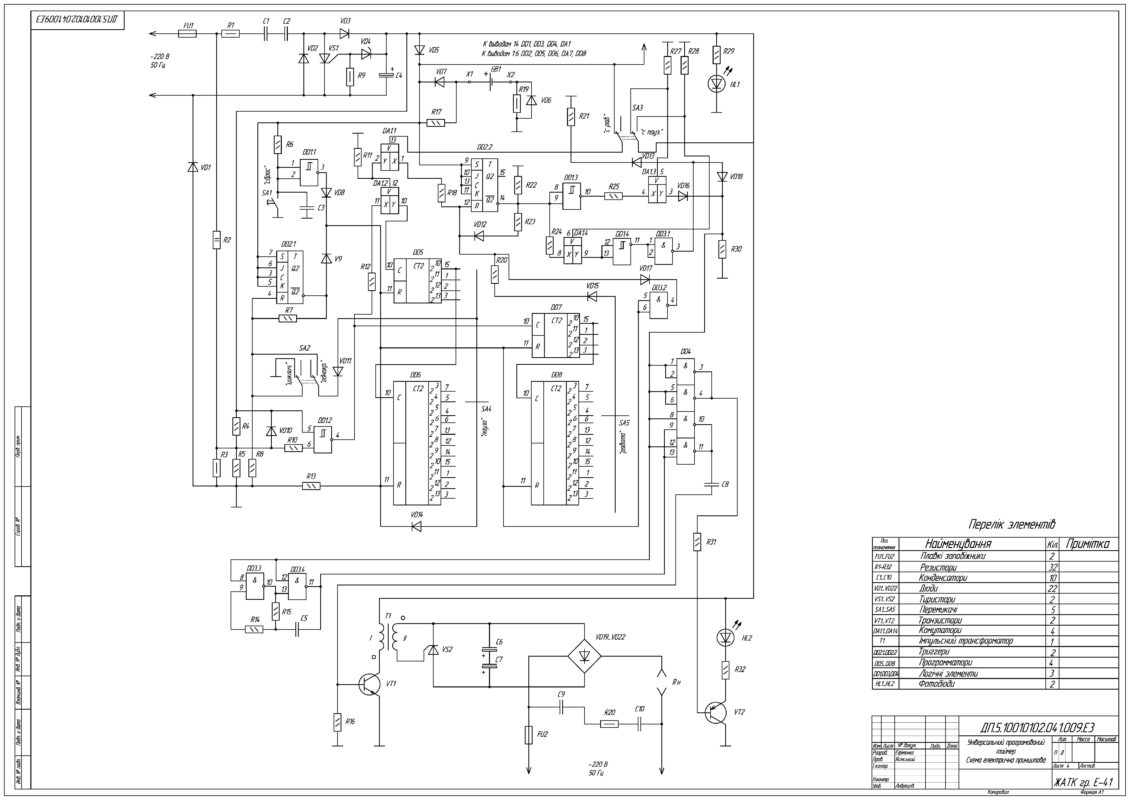
3.3 Управління мікрокліматом в пташнику 55
3.4 Розрахунок електроприводу вентилятора 69
3.5 Вибір установки інфрачервоного нагріву 76
3.6 Розрахунок і вибір опромінювальних установок 77
4. Охорона праці 81
4.1 Коротка характеристика робіт по безпеці життєдіяльності, виконуваних на об'єкті 81
4.2 Визначення категорій приміщень 81
4.3 Розробка прийнятої системи способів і засобів електробезпеки 82

4.3.1 Опис прийнятої системи способів і засобів електробезпеки 82
4.3.2 Розрахунок заземляючих пристроїв 83
4.3.3 Вибір пристрою захисного відключення 85
4.3.4 Блискавкозахист 87
4.4 Вибирання первинних засобів пожежогасінні 88
5. Техніко-економічне обгрунтування проекту 91
Список використаних літературних джерел 97


Сообщить о проблеме
Дата
18.02.2026
Язык
Украинский
Состав
Чертеж Схема соединения осветительной сети. Схема соединений силовой сети. Блок регулирования частоты оборотов двигателя. Универсальный програмируемый таймер. ПЗ
Софт
AutoCAD 2016. Как открыть?
Отзывов пока нет
Задать вопрос
Содержимое архива
    • icon-doc Пояснительная записка.doc
    • icon-dwg РЧВ 3.dwg
    • icon-dwg Таймер 4.dwg
    • icon-dwg схема осветительной сети 1.dwg
    • icon-dwg схема силовой сети 2.dwg
Чтобы скачать чертеж, 3D модель или проект, Вы должны зарегистрироваться и принять участие в жизни сайта. Посмотрите, как тут скачивать файлы
Отзывов пока нет
Чтобы оставить отзыв, необходимо войти
Войти с помощью:

Используя функцию входа через сторонние сервисы, Вы соглашаетесь на обработку персональных данных в соответствии с Политикой конфиденциальности