Перейти к содержимому
Войти

Релейная защита (Вывод генератора ТЭЦ на автономную нагрузку)

0
0
21
0
0
200

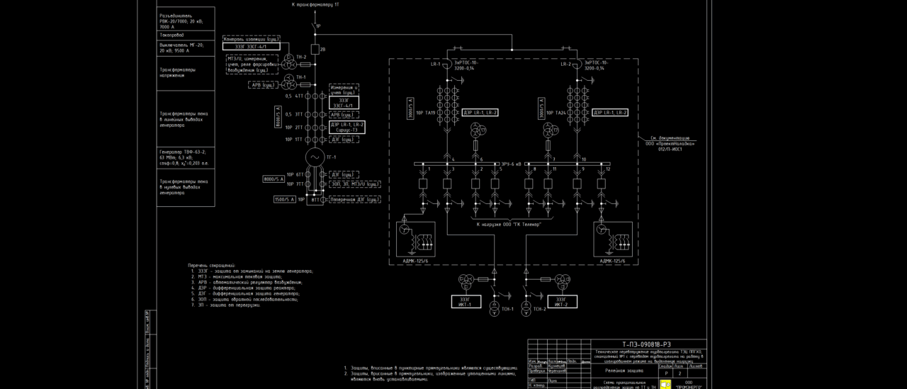
Отключение генератора 63 МВт от шин ТЭЦ и подключение его на автономную нагрузку

Общие указания

1. Раздел выполнен в соответствии с ТЗ на предпроектные работы, разработку проектной документации по техническому перевооружению турбоагрегата ТЭЦ ППГХО, станционный №1 с переводом турбоагрегата на работу в изолированном режиме на выделенную нагрузку.
2. Существующая релейная защита, а также цепи управления и сигнализации в части генератора остаются без изменений. РЗА, цепи управления и сигнализации в части Т-1 и реакторов 1РТ-1 и 1РТ-2 в объем данной документации не входят и на схемах не показаны.
3. Дополнительно к существующим защитам генератора в связи с резким увеличением емкостного тока в цепи генераторного напряжения вследствие появления большого количества кабелей потребителей и приведения защит к действующим требованиям ПУЭ, предусматривается установка 100% селективной защиты от замыканий на землю обмотки статора генератора типа ЗЗСГ-4/1 с двумя источниками контрольного тока ИКТ-2.
4. Для релейной защиты от вновь устанавливаемого токопровода и токоограничивающих реакторов 3 х РТОС-10-3200-0,14 предусматривается установка комплекта защиты ДЗР на базе терминала Сириус-Т3 производства АО «РАДИУС Автоматика».
5. Устройства ЗЗСГ-4/1 и Сириус-Т3 устанавливаются в панели защит 163Р. Устройства ИКТ-2 устанавливаются в камерах КСО здания КТП СН 6/0,4 кВ и подключаются к основным вторичным обмоткам двух ТН с номинальным напряжением 100/√3, предназначенных только для их подключения и собранных в схему разомкнутого треугольника.


Сообщить о проблеме
Дата
29.10.2025
Язык
Русский
Состав
РЗА
Софт
Отзывов пока нет
Задать вопрос
Содержимое архива
    • icon-dwg
      01-общие данные.dwg
    • icon-pdf
      01-общие данные.pdf
    • icon-png
      02-Схема ТТ т ТН.bmp
    • icon-dwg
      02-Схема ТТ т ТН.dwg
    • icon-pdf
      02-Схема ТТ т ТН.pdf
    • icon-png
      02-Схема ТТ т ТН.png
    • icon-dwg
      03.1-Цепи тока и напряжения.dwg
    • icon-pdf
      03.1-Цепи тока и напряжения.pdf
    • icon-dwg
      03.2-Цепи тока и напряжения.dwg
    • icon-pdf
      03.2-Цепи тока и напряжения.pdf
    • icon-dwg
      04-Защита генератора.dwg
    • icon-pdf
      04-Защита генератора.pdf
    • icon-dwg
      05-Токовые цепи ДЗР.dwg
    • icon-pdf
      05-Токовые цепи ДЗР.pdf
    • icon-dwg
      06-Защита реакторов.dwg
    • icon-pdf
      06-Защита реакторов.pdf
    • icon-dwg
      07-Выключатель генератора.dwg
    • icon-pdf
      07-Выключатель генератора.pdf
    • icon-dwg
      08-Сигнализация.dwg
    • icon-pdf
      08-Сигнализация.pdf
    • icon-dwg
      08-Сигнализация_recover.dwg
    • icon-dwg
      09-Кабельные связи.dwg
    • icon-pdf
      09-Кабельные связи.pdf
    • icon-dwg
      10-Клеммник 8У.dwg
    • icon-pdf
      10-Клеммник 8У.pdf
    • icon-dwg
      11-Клеммник 15Р.dwg
    • icon-pdf
      11-Клеммник 15Р.pdf
    • icon-dwg
      12-Клеммник ШС-1Р.dwg
    • icon-pdf
      12-Клеммник ШС-1Р.pdf
    • icon-dwg
      13-Клеммник 163Р.dwg
    • icon-pdf
      13-Клеммник 163Р.pdf
    • icon-dwg
      14-Клеммник 16Р.dwg
    • icon-pdf
      14-Клеммник 16Р.pdf
    • icon-dwg
      15-Клеммник КСО.dwg
    • icon-pdf
      15-Клеммник КСО.pdf
    • icon-txt
      hardcopy.log
    • icon-txt
      plot.log
    • icon-doc
      Бланк уставок.doc
    • icon-doc
      Болванка письма.docx
    • icon-dwg
      Задание на 163Р.dwg
    • icon-pdf
      Задание на 163Р.pdf
    • icon-pdf
      Наезд.pdf
    • icon-doc
      По схеме управления ген выключателя..docx
    • icon-pdf
      РЗА.pdf
    • icon-pdf
      РЗА от 08.07.2019.pdf
    • icon-doc
      Спецификация.doc
    • icon-pdf
      Спецификация.pdf
    • icon-doc
      Титул.docx
    • icon-pdf
      Титул.pdf
    • icon-dwg
      состав.dwg
    • icon-pdf
      состав.pdf
Чтобы скачать чертеж, 3D модель или проект, Вы должны зарегистрироваться и принять участие в жизни сайта. Посмотрите, как тут скачивать файлы
Отзывов пока нет
Чтобы оставить отзыв, необходимо войти
Войти с помощью:

Используя функцию входа через сторонние сервисы, Вы соглашаетесь на обработку персональных данных в соответствии с Политикой конфиденциальности