Перейти к содержимому
Войти

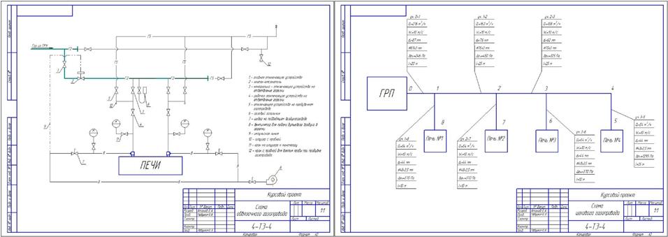
Цеховой газопровод участка нагревательных печей

0
111
1228
3
0
50

Самарский государственный технический университет
Кафедра промышленной теплоэнергетики
Курсовой проект по дисциплине "Технологические энергоносители предприятий"
На тему:"Цеховой газопровод участка нагревательных печей"
Самара 2015

• Топливо - природный газ (плотность р=0,73 кг/м3 , кинематическая вязкость v=14,3*10-6 м2/с);
• Тип горелки - ГППС-5;
• Количество горелок на печи – 2;
• Давление газа перед горелкой печи среднее - Рг=5 кПа;
• Расход газа на одну горелку - Vr=27 м3/ч

Дополнительные данные для расчета цехового газопровода:

0-1=20м
1-2=25м
2-3=25м
3-4=25м
1-6=60м
2-5=60м
3-6=10м
4-5=10м
2-7=10м
1-8=10м
2-4=30м
1-5=85м
3-5=35м
В данной работе производится гидравлический расчет цехового газопровода, расчет обвязочного газопровода и выбор горелочного устройства.
Содержание
1. Исходные данные
2. Гидравлический расчет цехового участка
3. Гидравлический расчет обвязочного газопровода печи
4. Описание и характеристика горелочного устройства
5. Описание и состав ГРП
6. Список используемой литературы


Сообщить о проблеме
Автор
user-avatar black1633
Дата
08.11.2016
Язык
Русский
Состав
Цеховой газопровод, Обвязочный газопровод, ПЗ
Софт
КОМПАС-3D 16 Как открыть?
Отзывов пока нет
Задать вопрос
Содержимое архива
  • icon-cdw Схема цехового газопровода.cdw
  • icon-doc курсач.docx
  • icon-cdw обвязочный газопровод.cdw
Чтобы скачать чертеж, 3D модель или проект, Вы должны зарегистрироваться и принять участие в жизни сайта. Посмотрите, как тут скачивать файлы
Отзывов пока нет
Чтобы оставить отзыв, необходимо войти
Войти с помощью:

Используя функцию входа через сторонние сервисы, Вы соглашаетесь на обработку персональных данных в соответствии с Политикой конфиденциальности