Перейти к содержимому
Войти

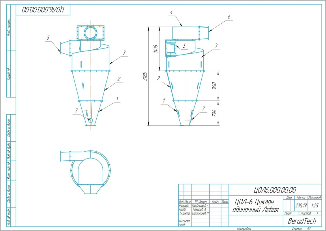
Циклон ЦОЛ-6 одиночный ЦОЛ6.000.00.00

1
2
91
0
0
500

аппарат, предназначенный для очистки воздуха (газа)от взвешенных в нем твердых частиц (масс, капель воды или пыли) под действием центробежной силы. Конструкция состоит из цилиндрического корпуса с коническим сужением к низу, патрубка, который крепится к корпусу старательно или по спирали, и выпускной трубы. Грязный воздух (газ) проходит через патрубок с большой скоростью.отправлено в верхнюю часть. Воздух (газ) движется по кругу и падает сверху вниз, образуя спиралевидный узел. Тогда под действием центробежной силы инерции взвешенные твердые частицы (мас, частицы пыли) s. выбрасывается в стенку корпуса, вместе с воздухом (газом) попадает на дно корпуса и выходит через выпускной патрубок. Очищенный воздух (газ) движется по трубопроводу чшдпп, образуя внутренний узел и выходя наружу. габарит L3188 ,болшой диаметр 1200 масштаб 1х1
В этой сборке есть все размеры, чертежи и необходимые файлы для лазерной резки


Сообщить о проблеме
Дата
07.11.2025
Язык
Русский
Состав
3D Сборка, Спецификация , чертежи (возможно не все)
Софт
КОМПАС-3D 21 Как открыть?
Отзывов пока нет
Задать вопрос
Содержимое архива
        • icon-jpg front.jpg
        • icon-jpg full1.jpg
        • icon-jpg full2.jpg
        • icon-jpg Бакавая для фланец (для отвод) _ ЦОЛ6.000.03.04.jpg
        • icon-jpg Деталь.jpg
        • icon-jpg Ныжный конуц _ ЦОЛ6.000.01.jpg
        • icon-jpg Ныжный конуц Сборка _ ЦОЛ6.000.01.00СБ.jpg
        • icon-jpg Средний конус _ ЦОЛ6.000.02.00СБ.jpg
        • icon-jpg Циклон ЦОЛ-6 одиночный _ ЦОЛ6.000.00.00.jpg
        • icon-jpg Циклон ЦОЛ-6 одиночный _ ЦОЛ6.000.00.00jpg.jpg
        • icon-jpg Шапка для филтр _ ЦОЛ6.000.04.00СБ.jpg
      • icon-frw laser.frw
      • icon-frw laser2в.frw
      • icon-dxf laser2в т=2 .dxf
      • icon-frw laser2в т=2 .frw
      • icon-dxf laser2в т=2 1.dxf
      • icon-dxf laser2в т=3.dxf
      • icon-frw laser2в т=3.frw
      • icon-frw laser yarimtalik.frw
      • icon-dxf laser yarimtalik t=3.dxf
      • icon-dxf mix.dxf
      • icon-frw mix.frw
      • icon-dxf shluz uchun.dxf
      • icon-frw shluz uchun.frw
      • icon-cdw Бакавая для фланец (для отвод) _ ЦОЛ6.000.03.04.cdw
      • icon-cdw Ныжный конуц _ ЦОЛ6.000.01.cdw
      • icon-cdw Ныжный конуц Сборка _ ЦОЛ6.000.01.00СБ.cdw
      • icon-spw Ныжный конуц Сборка _ ЦОЛ6.000.01.00СБ.spw
      • icon-cdw Ныжный конуц вверхный сторона _ ЦОЛ6.000.01.02.cdw
      • icon-cdw Ныжный конуц маленкий фланец _ ЦОЛ6.000.01.01.cdw
      • icon-cdw Перо шнека.cdw
      • icon-cdw Сиклонный сторона _ ЦОЛ6.000.03.00СБ.cdw
      • icon-cdw Сиклон силиндр _ ЦОЛ6.000.03.01 shisha.cdw
      • icon-cdw Сиклон силиндр _ ЦОЛ6.000.03.01.cdw
      • icon-cdw Силиндр смотревой (для ныжнй конус) _ ЦОЛ6.000.07.01.cdw
      • icon-cdw Средная сторона шапка (Лоток) _ ЦОЛ6.000.04.04.cdw
      • icon-cdw Средний конус _ ЦОЛ6.000.02.00СБ.cdw
      • icon-cdw Средний конуц _ ЦОЛ6.000.02.00.cdw
      • icon-cdw Флянец _ ЦОЛ6.000.02.01.cdw
      • icon-cdw Циклон ЦОЛ-6 одиночный _ ЦОЛ6.000.00.00.cdw
      • icon-spw Циклон ЦОЛ-6 одиночный _ ЦОЛ6.000.00.00.spw
      • icon-cdw Шапка для филтр _ ЦОЛ6.000.04.00СБ.cdw
      • icon-spw Шапка для филтр _ ЦОЛ6.000.04.00СБ.spw
      • icon-cdw бункер 2 на шапка _ ЦОЛ6.000.06.02.cdw
      • icon-cdw бункер _ ЦОЛ6.000.05.01.cdw
      • icon-cdw вверхная сторона _ ЦОЛ6.000.04.02.cdw
      • icon-cdw вверхний силиндр _ ЦОЛ6.000.03.02.cdw
      • icon-cdw ныжня сторона шапка _ ЦОЛ6.000.04.03.cdw
      • icon-m3d прут для ребро д6 _ ЦОЛ6.000.03.04.m3d
      • icon-cdw силиндр для крепления ныжня болшая силиндр _ ЦОЛ6.000.04.01.cdw
    • icon-m3d Бакавая для фланец (для отвод) _ ЦОЛ6.000.03.04.m3d
    • icon-m3d Ныжный.m3d
    • icon-m3d Ныжный к-с флянец Ныжный сторона _ ЦОЛ6.000.01.01.m3d
    • icon-m3d Ныжный к-с флянец вверхный сторона _ ЦОЛ6.000.01.02.m3d
    • icon-m3d Ныжный конуц _ ЦОЛ6.000.01.m3d
    • icon-a3d Ныжный конуц Сборка _ ЦОЛ6.000.01.00.a3d
    • icon-a3d Сборка бункер 1 _ ЦОЛ6.000.05.00СБ.a3d
    • icon-a3d Сборка бункер 2 для шапка _ ЦОЛ6.000.06.00CБ.a3d
    • icon-cdw Сиклон силиндр _ ЦОЛ6.000.03.01.cdw
    • icon-m3d Сиклон силиндр _ ЦОЛ6.000.03.01.m3d
    • icon-m3d Сиклон силиндр _ ЦОЛ6.000.03.01_изменения.m3d
    • icon-m3d Силиндр смотревой (для ныжнй конус) _ ЦОЛ6.000.07.01.m3d
    • icon-m3d Средная сторона шапка (Лоток) _ ЦОЛ6.000.04.04.m3d
    • icon-m3d Средний конуц _ ЦОЛ6.000.02.00.m3d
    • icon-a3d Средный конуц Сборка _ ЦОЛ6.000.02.00.a3d
    • icon-m3d Фланец для бункер2 на шапке _ ЦОЛ6.000.06.01.m3d
    • icon-m3d Флянец (отвод).m3d
    • icon-m3d Флянец _ ЦОЛ6.000.02.01.m3d
    • icon-a3d Циклон ЦОЛ-6 одиночный _ ЦОЛ6.000.00.00.a3d
    • icon-step Циклон ЦОЛ-6 одиночный _ ЦОЛ6.000.00.00.stp
    • icon-a3d Шапка для филтр _ ЦОЛ6.000.04.00СБ.a3d
    • icon-m3d Шнек 1200x650 N1 L510 _ ЦОЛ6.000.03.03.m3d
    • icon-m3d бакававя (отвод н-й).m3d
    • icon-m3d бункер 2 на шапка _ ЦОЛ6.000.06.02.m3d
    • icon-m3d бункер _ ЦОЛ6.000.05.01.m3d
    • icon-m3d вверхная сторона _ ЦОЛ6.000.04.02.m3d
    • icon-m3d вверхний силиндр _ ЦОЛ6.000.03.02.m3d
    • icon-a3d крышка смотревой ныжнй конус _ ЦОЛ6.000.07.00 СБ.a3d
    • icon-m3d крышка смотревой ныжнй конус _ ЦОЛ6.000.07.02.m3d
    • icon-m3d ныжня сторона шапка _ ЦОЛ6.000.04.03.m3d
    • icon-a3d отвод фанец сб.a3d
    • icon-m3d правая сторона.m3d
    • icon-a3d сиклонный сторона _ ЦОЛ6.000.03.00.a3d
    • icon-m3d силиндр для крепления ныжня болшая силиндр _ ЦОЛ6.000.04.01.m3d
    • icon-m3d фланец бункер 2 (для шапка) _ ЦОЛ6.000.06.03.m3d
    • icon-m3d фланец маленкий для бункер 1 _ ЦОЛ6.000.05.02.m3d
    • icon-frw шаблон.frw
Чтобы скачать чертеж, 3D модель или проект, Вы должны зарегистрироваться и принять участие в жизни сайта. Посмотрите, как тут скачивать файлы
Отзывов пока нет
Чтобы оставить отзыв, необходимо войти
Войти с помощью:

Используя функцию входа через сторонние сервисы, Вы соглашаетесь на обработку персональных данных в соответствии с Политикой конфиденциальности