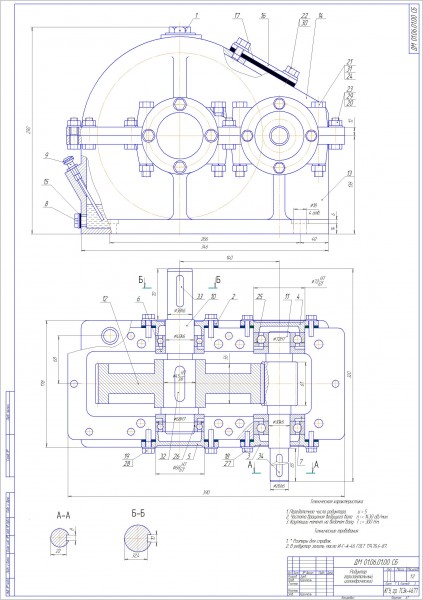
Горизонтальный цилиндрический редуктор, передаточное число редуктора равно 5, межосевое расстояние - 140 мм.
- Главная -
- Чертежи -
- Машиностроение и механика -
- Детали машин -
- Чертеж горизонтального редуктора
Чертеж горизонтального редуктора
0
343
12883
3
0
60
Сообщить о проблеме
Автор
Дата
07.10.2011
Язык
Русский
Состав
Сборочный чертеж, расчетно-пояснительная записка, спецификация
Софт
КОМПАС-3D 12
Как открыть?
Отзывов пока нет
Содержимое архива
-
61 редуктор.cdw
-
Расчетно-пояснительная записка.docx
-
спец 1 к редуктору.cdw
-
спец 2 к редуктору.cdw
Чтобы скачать чертеж, 3D модель или проект, Вы должны зарегистрироваться
и принять участие в жизни сайта. Посмотрите, как тут скачивать
файлы
Отзывов пока нет
Чтобы оставить отзыв, необходимо войти
Войти с помощью:
Используя функцию входа через сторонние сервисы, Вы соглашаетесь на обработку персональных данных в соответствии с Политикой конфиденциальности
Используя функцию входа через сторонние сервисы, Вы соглашаетесь на обработку персональных данных в соответствии с Политикой конфиденциальности