Перейти к содержимому
Войти

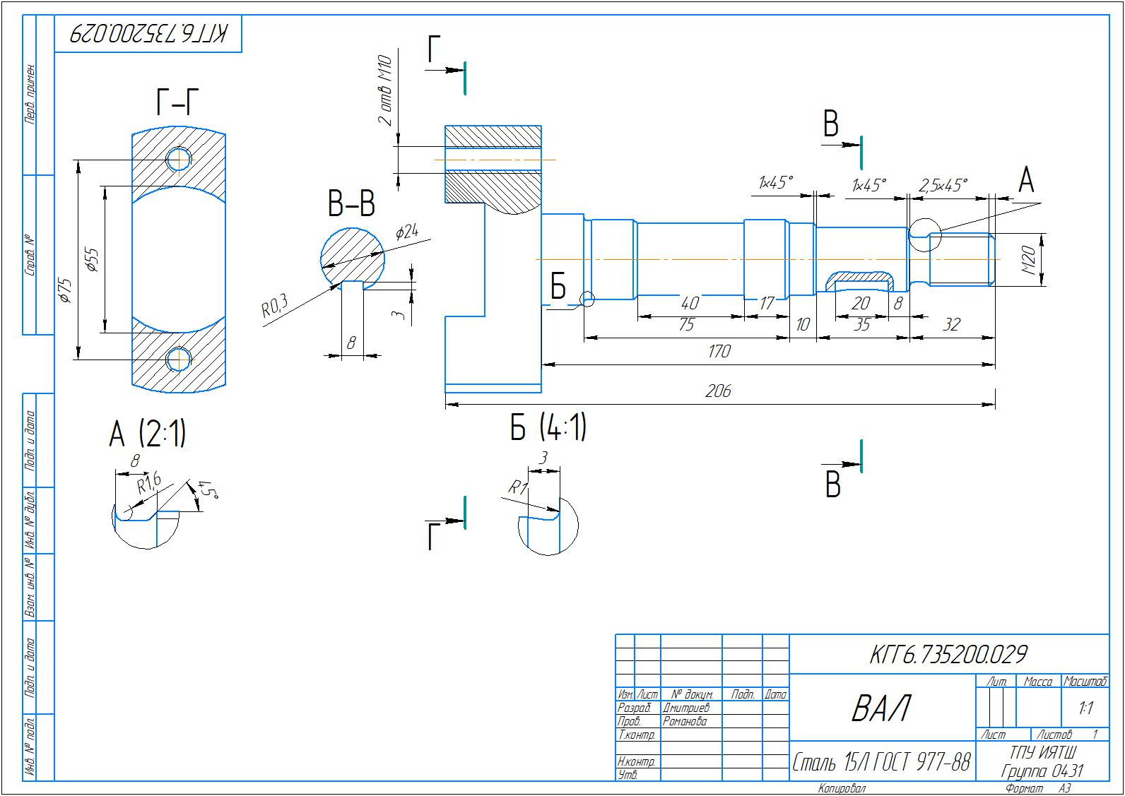
Чертеж вала КГГ6.735200.006

0
3
731
51
1
Бесплатно

Национальный исследовательский томский политехнический университет
Кафедра Химической технологии редких и рассеянных элементов
ИДЗ за 2 семестр
Чертеж Вала
Томск 2024

Чертеж вала с Резьбой ГОСТ 8724-2002
Фаска ГОСТ 10549-80
Проточкой 10549-80 и наружной резьбой ГОСТ 8724-2002
фаска ГОСТ 10948-80
Канавка ГОСТ 8820-69
Шпоночный паз ГОСТ 23360-78


Сообщить о проблеме
Автор
user-avatar Aqua
Дата
08.10.2024
Язык
Русский
Состав
Вид общий (ВО), 3D Деталь
Софт
КОМПАС-3D 22 Как открыть?
Отзывов пока нет
Задать вопрос
Содержимое архива
  • icon-cdw ВАЛ _ КГГ6.735200.029.cdw
  • icon-m3d Вал _ КГГ6.735200.006.m3d
Чтобы скачать чертеж, 3D модель или проект, Вы должны зарегистрироваться и принять участие в жизни сайта. Посмотрите, как тут скачивать файлы
Отзывов пока нет
Чтобы оставить отзыв, необходимо войти
Войти с помощью:

Используя функцию входа через сторонние сервисы, Вы соглашаетесь на обработку персональных данных в соответствии с Политикой конфиденциальности