Перейти к содержимому
Войти

Привод датчика ВСА-6

0
0
77
1
0
60

Могилевский государственный университет продовольствия
Кафедра прикладной механики
Курсовая работа по дисциплине "Прикладная механика"
На тему"Привод датчика ВСА-6"
Могилев 2021

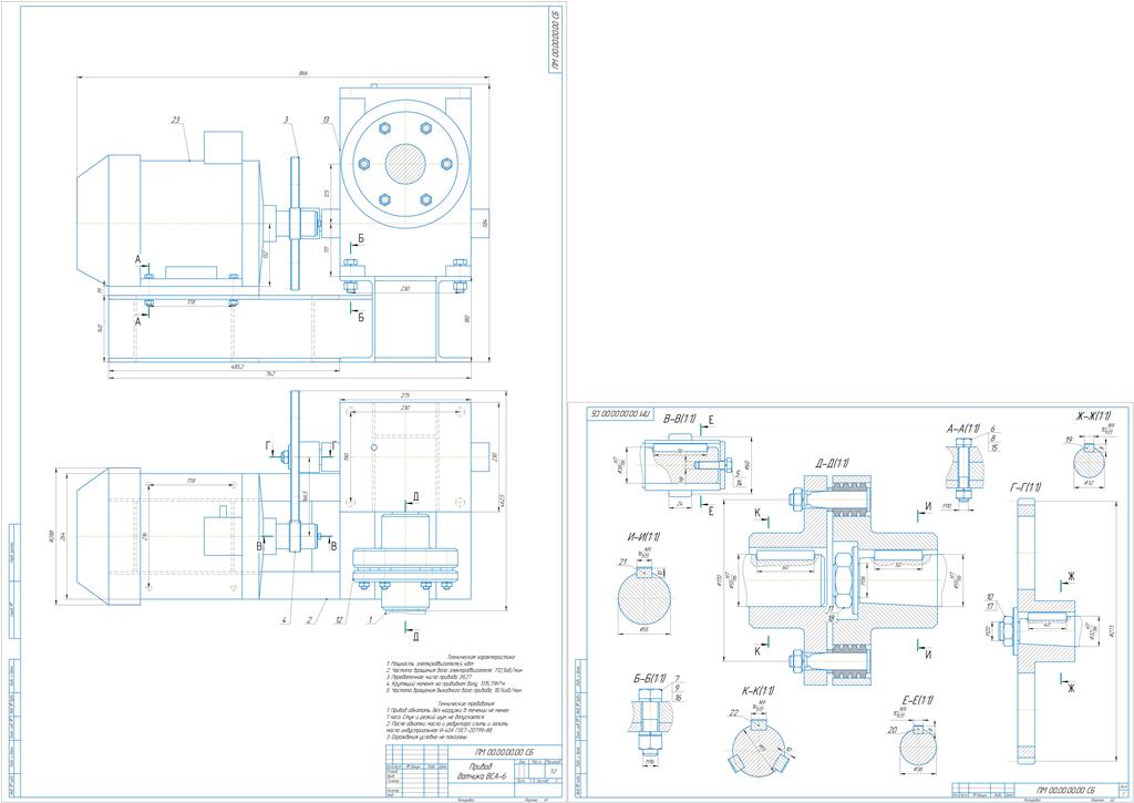
Сборочный чертеж, основные разрезы, спецификация
Привод датчика ВСА-6
Состоит из электродвигателя, зубчатой цилиндрической передачи, червячного редуктора, двух подшипников качения.
Мощность N=2,5 кВт ; угловая скорость w=1,9 рад/с.
Пояснительная записка включает:
Введение ………………………………………………………………….. 3
1 Кинематическая схема привода………………………………………….. 5
2 Расчётная часть……………………………………………………………. 6
2.1 Кинематический расчет привода………………………………………… 6
2.2 Выбор редуктора………………………………………………………… 9
2.3 Расчет передачи………………………………………………………….. 9
2.4 Расчет шпоночного соединения, подбор муфты………………………. 12
3 Рекомендация по выбору масла и смазки всех углов привода……….. 14
4 Краткое описание порядка сборки, работы и обслуживания основных элементов привода ………………………………………………………..15
5 Требования техники безопасности к проектируемому объекту……….
Заключение………………………………………………………………...
Список используемых источников………………………………………. 16
Спецификация


Сообщить о проблеме
Автор
user-avatar Natasha
Дата
24.04.2022
Язык
Русский
Состав
Привод датчика (СБ), основные разрезы, ПЗ, спецификация
Софт
КОМПАС-3D 2019 Как открыть?
Отзывов пока нет
Задать вопрос
Содержимое архива
  • icon-doc ПЗ датчик ВСА-6.docx
  • icon-doc спецификация.docx
  • icon-cdw чертеж дачика СБ+основные разрезы.cdw
Чтобы скачать чертеж, 3D модель или проект, Вы должны зарегистрироваться и принять участие в жизни сайта. Посмотрите, как тут скачивать файлы
Отзывов пока нет
Чтобы оставить отзыв, необходимо войти
Войти с помощью:

Используя функцию входа через сторонние сервисы, Вы соглашаетесь на обработку персональных данных в соответствии с Политикой конфиденциальности