Перейти к содержимому
Войти

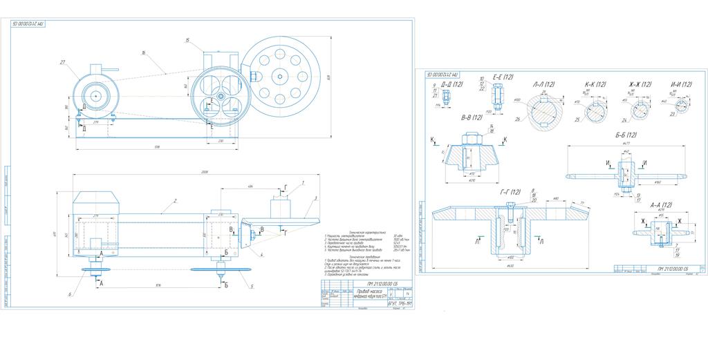
Привод насоса мембранного модуля типа БТМ

0
1
57
0
0
40

Белорусский государственный университет пищевых и химических технологий (бывш. МГУП)
Кафедра прикладной механики и инженерной графики
Курсовой проект по дисциплине "Прикладная механика"
На тему: "Привод насоса мембранного модуля типа БТМ"
Могилёв 2021

Привод насоса мембранного модуля типа БТМ.
Исходные данные:
-Кинематическая схема
-Мощность N= 15 кВт
-Угловая скорость w= 3,0 рад/с.

Содержание
Введение 3
1 Кинематическая схема привода 4
2 Расчётная часть 5
2.1 Кинематический расчёт привода 5
2.2 Выбор редуктора 7
2.3 Расчёт открытой конической зубчатой передачи 7
2.4 Расчёт шпоночного соединения 11
2.5 Расчёт цепной передачи 13
3 Рекомендации по выбору смазки 17
4 Краткое описание порядка сборки, работы и обслуживания
основных элементов привода 18
5 Требование техники безопасности к проектируемому объекту 19
Заключение 20


Сообщить о проблеме
Дата
01.05.2022
Язык
Русский
Состав
Пояснительная записка, Сборочный чертёж, Спецификация
Софт
КОМПАС-3D 19 Как открыть?
Отзывов пока нет
Задать вопрос
Содержимое архива
  • icon-doc Пояснительная записка.docx
  • icon-cdw Привод насоса мембранного модуля типа БТМ.cdw
  • icon-doc Содержание ПЗ.docx
  • icon-doc Спецификация.docx
Чтобы скачать чертеж, 3D модель или проект, Вы должны зарегистрироваться и принять участие в жизни сайта. Посмотрите, как тут скачивать файлы
Отзывов пока нет
Чтобы оставить отзыв, необходимо войти
Войти с помощью:

Используя функцию входа через сторонние сервисы, Вы соглашаетесь на обработку персональных данных в соответствии с Политикой конфиденциальности