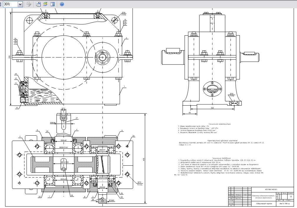
Сборочный чертёж одноступенчатого редуктора, общее передаточное число u=15, вращающий момент T=297 н*м
- Главная -
- Чертежи -
- Машиностроение и механика -
- Детали машин -
- Редукторы -
- Чертеж одноступенчатого редуктора в visio
Чертеж одноступенчатого редуктора в visio
0
277
4535
2
1
20

Сообщить о проблеме
Автор
Дата
11.05.2010
Язык
Русский
Состав
Сборочный чертеж (СБ)
Софт
Microsoft Visio
Отзывов пока нет
Содержимое архива
Чтобы скачать чертеж, 3D модель или проект, Вы должны зарегистрироваться
и принять участие в жизни сайта. Посмотрите, как тут скачивать
файлы
Отзывов пока нет
Чтобы задать вопрос, необходимо войти
Войти с помощью:
Ссылка на логин через google
Ссылка на логин через vk
Ссылка на логин через yandex