Перейти к содержимому
Войти

Проектирование привода с цилиндрическим редуктором и цепной передачей (u=9,6)

0
0
66
0
0
50

Житомирский агротехнический колледж
Дисциплина: «Детали машин»

КП на тему: Проектирование привода с цилиндрическим редуктором и цепной передачей (u=9,6)
В данной курсовой работе выполнен комплексный расчёт и проектирование механического привода, включающего электродвигатель, цилиндрический редуктор, цепную передачу и упругую муфту.

Исходные данные
Р кВт 7,5
ω рад/с 152,3
n об/хв. 1455
T Н·м 49,2
u 9,6

ЗМІСТ
ВСТУП…...………………………………………….
1. Кінематичний розрахунок приводу…...6
1.1 Вибір електродвигуна.…………………………..6
2. Розрахунок редуктора……………………8
2.1 Розрахунок циліндричного редуктора…………..8
2.1.1 Вибір матеріалів та визначення
допустимих напружень…………………………….8
2.1.2 Геометричні параметри передачі……….10
2.1.3 Кінематичні параметри передачі……….12
2.1.4 Силові залежності передачі та перевірка
міцності зубців………………………………...13
2.1.5 Конструктивні розміри шестірні і зубчастого
колеса…………………………………………15
2.1.6 Конструктивні розміри корпуса
редуктора…………………………………………..15
2.1.7 Попередній розрахунок валів…………...18
2.1.8 Приблизний розрахунок валів…………..20
2.1.9 Уточнений розрахунок вала…………….21

2.1.10 Вибір та розрахунок підшипників
кочення……………………………………………22
2.1.11 Перевірка міцності шпонкових
з'єднань……………………………………………23
2.2. Мащення редуктора……………………...24
2.3. Складання редуктора…………………….25
3. Розрахунок ланцюгової передачі…..26
4. Розрахунок пружної муфти з
тороподібною оболонкою…………………...31

Правила техніки безпеки…………………32
Список використаної літератури……....34


Сообщить о проблеме
Дата
19.03.2026
Язык
Украинский
Состав
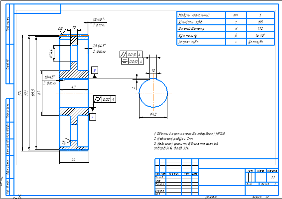
Одноступінчастий циліндричний редуктор А1, Зубчасте колесо А3, специфікації А4, ПЗ.
Софт
КОМПАС-3D 17 Как открыть?
Отзывов пока нет
Задать вопрос
Содержимое архива
    • icon-doc Записка – копія.doc
    • icon-cdw Зубчасте колесо.cdw
    • icon-png Зубчасте колесо.png
    • icon-png Редуктор.png
    • icon-frw Редуктор цилиндр – копія.frw
    • icon-frw Спецификация доп1 – копія.frw
    • icon-frw Спецификация доп2 – копія.frw
    • icon-frw Спецификация осн – копія.frw
    • icon-png Специфікація 2.png
    • icon-png Спкцифікація 1.png
    • icon-png специфікація.png
Чтобы скачать чертеж, 3D модель или проект, Вы должны зарегистрироваться и принять участие в жизни сайта. Посмотрите, как тут скачивать файлы
Отзывов пока нет
Чтобы оставить отзыв, необходимо войти
Войти с помощью:

Используя функцию входа через сторонние сервисы, Вы соглашаетесь на обработку персональных данных в соответствии с Политикой конфиденциальности