Перейти к содержимому
Войти

Расчет привода одноступенчатого цилиндрического косозубого редуктора

0
0
25
0
0
100

БГТУ, Промышленности строительных материалов, Машины и аппараты химического производства и промышленности строительных материалов, Расчет привода одноступенчатого цилиндрического косозубого редуктора, 2024

- Асинхронный электродвигатель 4A80B2 у которого мощность Р = 2,2 кВт и синхронная частота вращения 3000мин-1, и S=4,3%
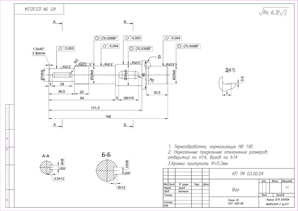
- Размер шестерни 40 мм
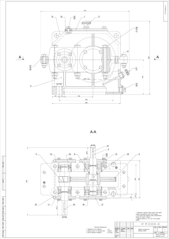
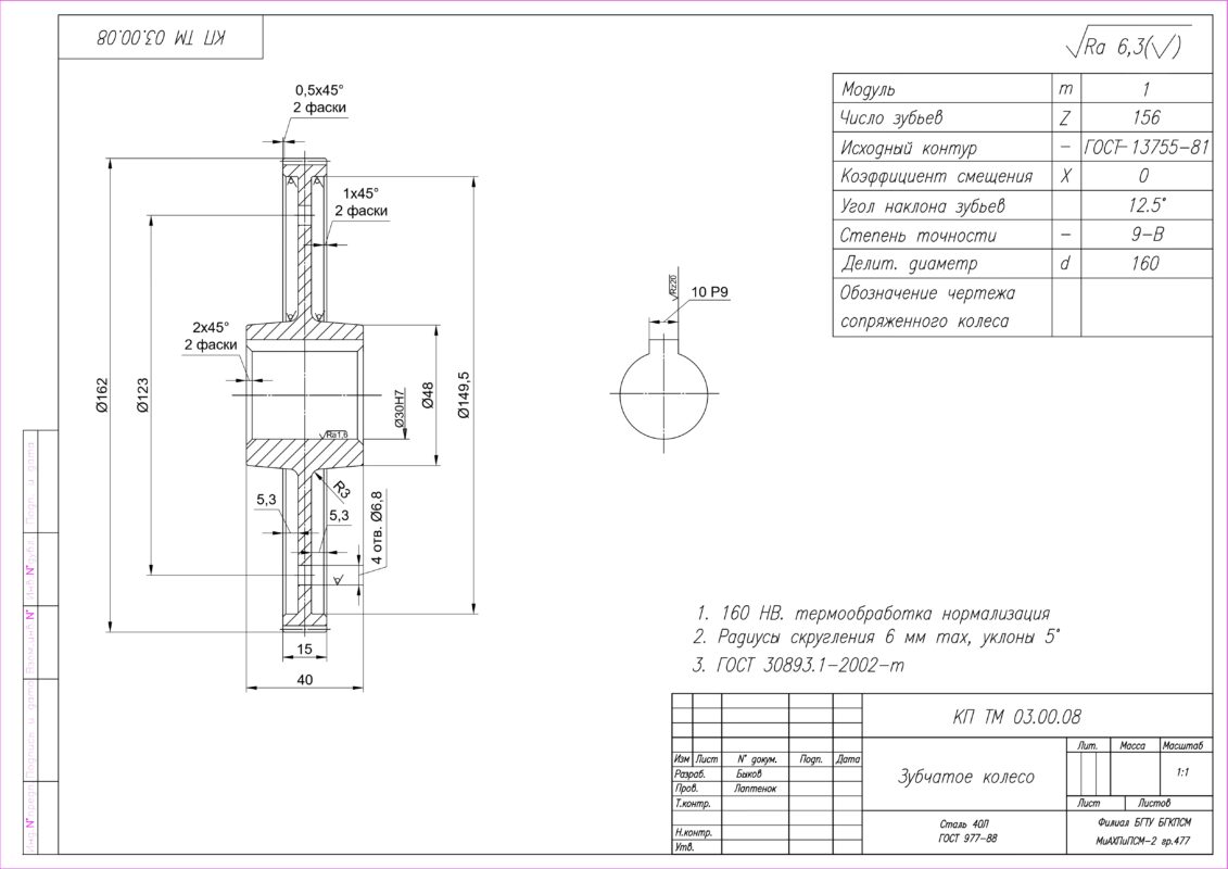
- Размер колеса 160 мм
- Межосевое расстояние 100 мм
- Вращающий момент на (1 вал=5,9 Н∙м), (2 вал=22,5 Н∙м), (3 вал=80,8 Н∙м)

СОДЕРЖАНИЕ

Введение 3
1 Выбор электродвигателя и кинематический расчет 4
2 Расчёт передачи с гибкой связью 5
3 Расчёт зубчатых колес редуктора 7
4 Предварительный расчёт валов редуктора 10
5 Конструктивные размеры шестерни и колеса 11
6 Конструктивные размеры корпус редуктора 12
7 Первый этап компоновки редуктора 13
8 Проверка долговечности подшипников 14
9 Проверка прочности шпоночных соединений 17
10 Уточненный расчет валов 18
11 Посадки деталей редуктора 20
12 Выбор сорта масла 21
13 Сборка редуктора 22
Список использованных источников 23


Сообщить о проблеме
Автор
user-avatar DobPyE
Дата
11.01.2026
Язык
Русский
Состав
чертежи, ПЗ, Спецификация
Софт
AutoCAD 2024 Как открыть?
Отзывов пока нет
Задать вопрос
Содержимое архива
    • icon-doc
      Расчет_привода_с_одноступенчатым_цилиндрическим_косозубым_редуктором.docx
    • icon-dwg
      Редуктор цилиндрический общ.dwg
Чтобы скачать чертеж, 3D модель или проект, Вы должны зарегистрироваться и принять участие в жизни сайта. Посмотрите, как тут скачивать файлы
Отзывов пока нет
Чтобы оставить отзыв, необходимо войти
Войти с помощью:

Используя функцию входа через сторонние сервисы, Вы соглашаетесь на обработку персональных данных в соответствии с Политикой конфиденциальности