Перейти к содержимому
Войти

Расчет редуктора цилиндрического

0
159
874
0
0
40

Сибирская Автомобильно-Дорожная Академия
Кафедра "Механика"
Курсовой проект по дисциплине "Детали машин"
На тему: "Расчет редуктора цилиндрического"
Омск 2016

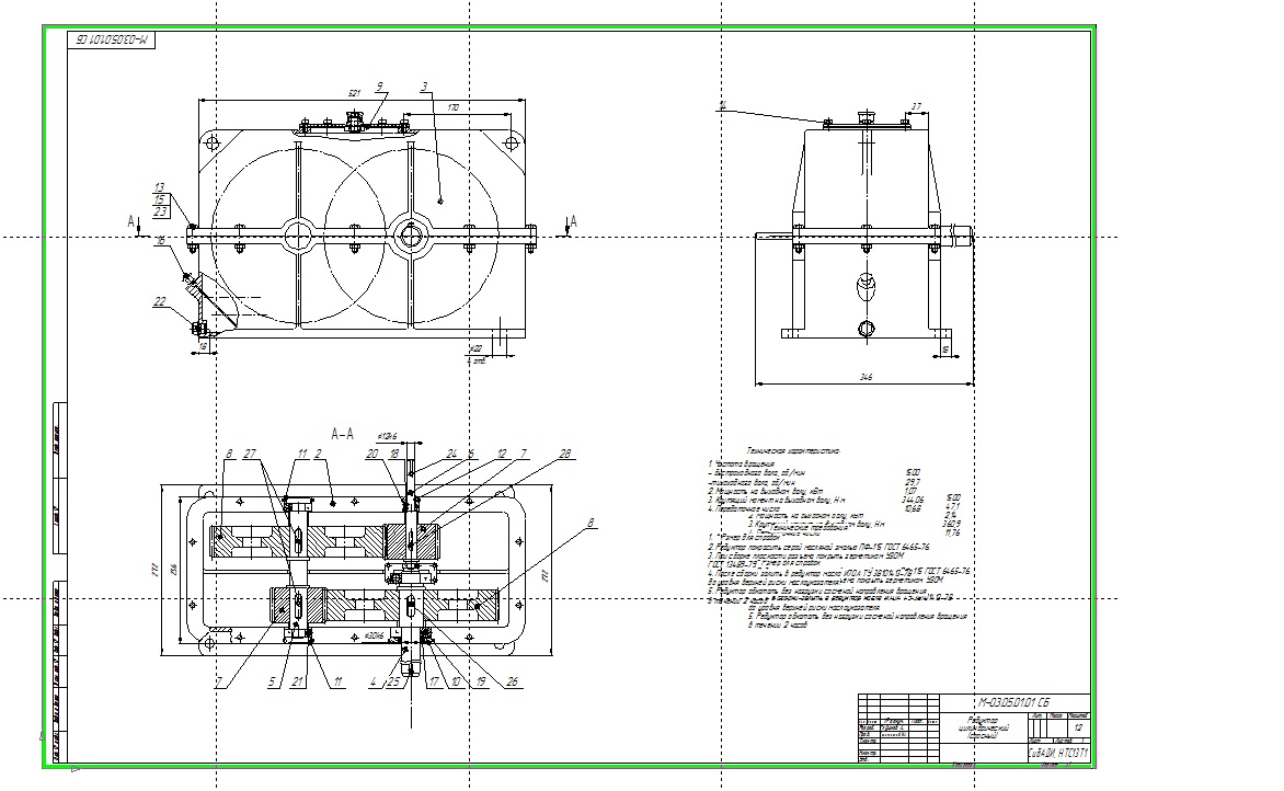
Исходные данные: Электродвигатель Рэ = 2,2, частота вращения 1500 об/мин, крутящий момент 344,06 Нм, передаточное число 10,68.

Графическая часть содержит сборочный чертеж редуктора цилиндрического,


Сообщить о проблеме
Автор
user-avatar Alexey8566
Дата
03.06.2016
Язык
Русский
Состав
Пояснительная записка, сборочный чертеж, деталировка (шкив, колесо, вал), спецификации
Софт
КОМПАС-3D 15,2 Как открыть?
Отзывов пока нет
Задать вопрос
Содержимое архива
    • icon-cdw DM_sborochny_chertezh.cdw
    • icon-cdw Koleso.cdw
    • icon-doc Kursovaya_po_DM.docx
    • icon-cdw Shkiv.cdw
    • icon-cdw spets1.cdw
    • icon-cdw spets2.cdw
    • icon-cdw spets3.cdw
    • icon-cdw Val.cdw
Чтобы скачать чертеж, 3D модель или проект, Вы должны зарегистрироваться и принять участие в жизни сайта. Посмотрите, как тут скачивать файлы
Отзывов пока нет
Чтобы оставить отзыв, необходимо войти
Войти с помощью:

Используя функцию входа через сторонние сервисы, Вы соглашаетесь на обработку персональных данных в соответствии с Политикой конфиденциальности