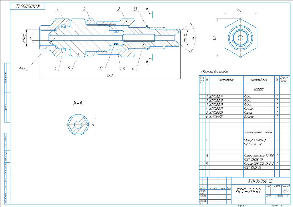
БРС на гидравлическое давление до 2000 атмосфер, уплотнение металл по металлу: конус сфера.
- Главная -
- Чертежи -
- Машиностроение и механика -
- Гидравлика и пневматика -
- Быстроразъемное соединение Pу 2000 атм.
Быстроразъемное соединение Pу 2000 атм.
0
0
24
0
0
30

200 МПа
2000 атмосфер
2000 бар
БРС
быстро разъемное соединение
быстроразъёмное соединение
давление 200 МПа
Сообщить о проблеме
Автор
Дата
18.08.2025
Язык
Русский
Состав
БРС-2000 (СБ), Гайка _ КТИ.00.002, Гайка _ КТИ.00.003, Кольцо _ КТИ.00.004, Штуцер _ КТИ.00.006, Гайка, Корпус
Софт
КОМПАС-3D 21
Как открыть?
Отзывов пока нет
Содержимое архива
Чтобы скачать чертеж, 3D модель или проект, Вы должны зарегистрироваться
и принять участие в жизни сайта. Посмотрите, как тут скачивать
файлы
Отзывов пока нет
Чтобы задать вопрос, необходимо войти
Войти с помощью:
Ссылка на логин через google
Ссылка на логин через vk
Ссылка на логин через yandex