Перейти к содержимому
Войти

Минибульдозер дорожно-землеройный

0
0
21
0
0
40

Белорусско-Российский университет
Кафедра ттм
Курсовая работа по дисциплине "Гидромашины и гидропривод"
Могилев 2018

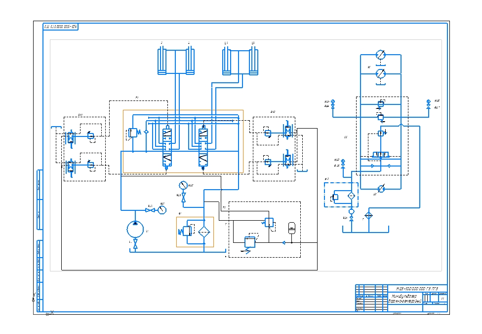
В данной работе разрабатывался гидропривод для минибульдозера дорожно-землеройного

Повышение давления жидкости в гидросистеме позволяет повысить произ-водительность и снизить металлоемкость машины.
Для разрабатываемой гидросистемы привода минибульдозера принимаем номинальное давление Рном= 20 МПа, учитывая, что промышленность в достаточной степени освоила гидрооборудование, работающее при таком давлении.

ВВЕДЕНИЕ
1.1 Описание принципиальной схемы гидропривода
1.2 Выбор номинального давления
1.3 Подбор гидродвигателей
1.4 Определение расхода, потребляемого
гидродвигателями
1.5 Подбор насоса
1.6 Выбор рабочей жидкости
2 Расчет потерь давления в гидросистеме
2.1 Расчет диаметров труб и рукавов
2.2 Расчет потерь давления в трубопроводах
2.3 Подбор гидроаппаратов и определение потерь давления в них.
2.4 Расчет потерь давления в магистралях гидросистемы
3 Проверочный расчет гидропривода
4 Расчет мощности и КПД гидропривода
5 Тепловой расчет гидропривода
СПИСОК ЛИТЕРАТУРЫ


Сообщить о проблеме
Дата
25.03.2026
Язык
Русский
Состав
Принципиальная схема, Спецификация, ПЗ
Софт
КОМПАС-3D 17.0 Как открыть?
Отзывов пока нет
Задать вопрос
Содержимое архива
  • icon-doc spetsifikaya.doc
  • icon-doc zapiska_gidravlika.docx
  • icon-cdw Принципиальная схема.cdw
Чтобы скачать чертеж, 3D модель или проект, Вы должны зарегистрироваться и принять участие в жизни сайта. Посмотрите, как тут скачивать файлы
Отзывов пока нет
Чтобы оставить отзыв, необходимо войти
Войти с помощью:

Используя функцию входа через сторонние сервисы, Вы соглашаетесь на обработку персональных данных в соответствии с Политикой конфиденциальности