Перейти к содержимому
Войти

Проектирование механизма передвижения мостового крана

0
176
1910
15
0
50

ВОРОНЕЖСКИЙ ГОСУДАРСТВЕННЫЙ
АРХИТЕКТУРНО-СТРОИТЕЛЬНЫЙ УНИВЕРСИТЕТ
КАФЕДРА СТРОИТЕЛЬНОЙ ТЕХНИКИ И ИНЖЕНЕРНОЙ МЕХАНИКИ
ИМЕНИ ПРОФЕССОРА Н.А. УЛЬЯНОВА
Курсовой проект по дисциплине «Детали машин и основам конструирования»
На тему: "Проектирование механизма передвижения мостового крана"
Воронеж 2014

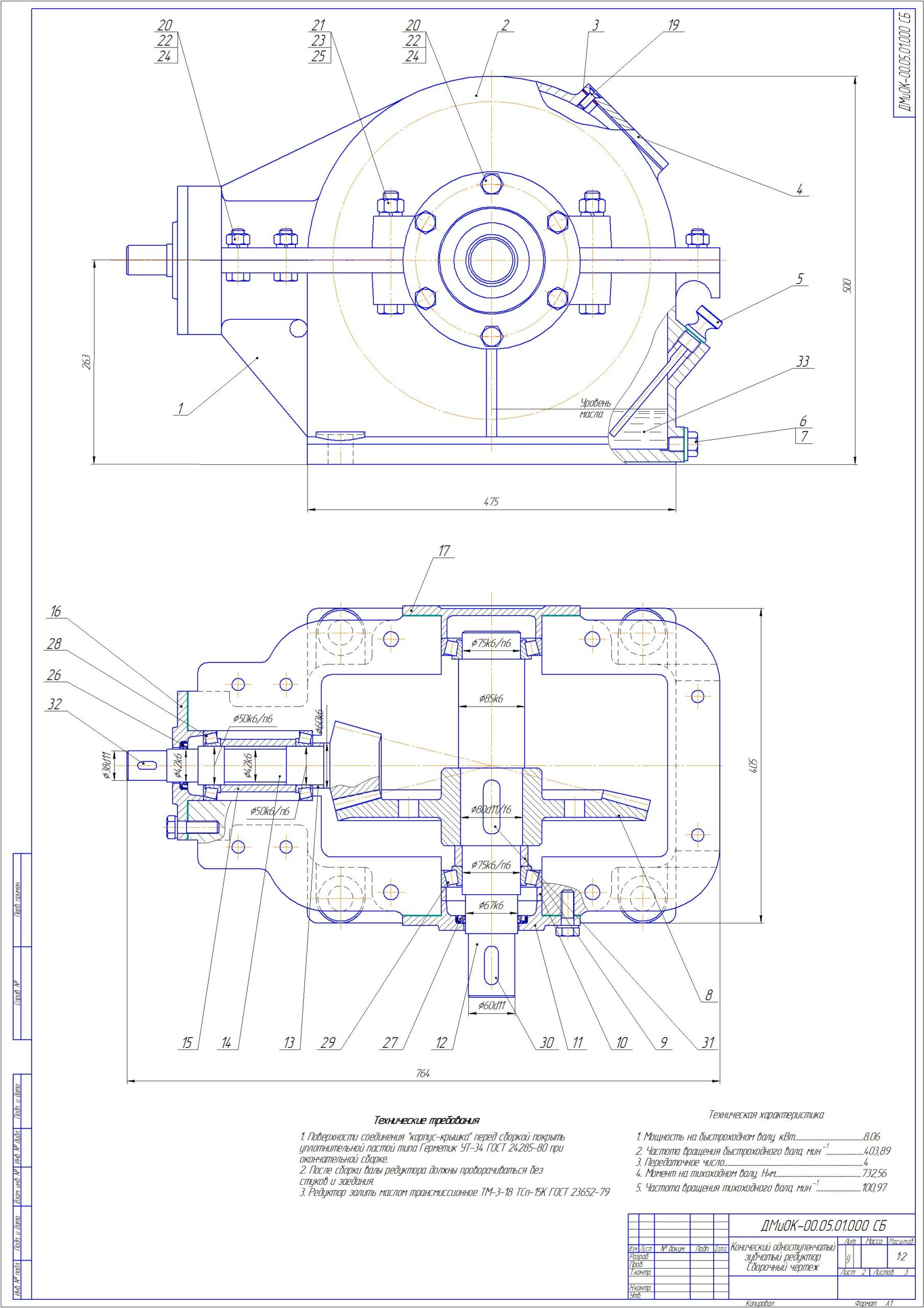
В рамках данного курсового проекта рассмотрены расчеты и проектирование привода общего назначения, который включает в себя электрический двигатель, клиноременную передачу и конический редуктор. Графическая часть содержит общий вид привода, сборочный чертеж редуктора и 4 чертежа деталировки редуктора (вал, шестерня, крышка смотрового окна, крышка подшипника сквозная).
Курсовой проект содержит 3 листа формата А1, 3 спецификации, 55 страница пояснительной записки.
Разрабатываемый привод предназначен для промышленного применения в различных отраслях машиностроения.
Привод — совокупность устройств, предназначенных для приведения в действие машин. Состоит из двигателя, силовых передач и системы управления.
Силовая передача (трансмиссия) — совокупность сборочных единиц и механизмов, соединяющих двигатель с рабочим органом механизма или машины. Для передач вращательного движения различают передачи трения (ременные) и передачи зацепления (зубчатые, червячные, цепные и др.).

Техническая характеристика:
Электродвигатель асинхронный АИР-112М2 (мощность 7,5 кВт, номинальная синхронная частота вращения 727 об/мин)
Редуктор конический (u=4)
Частота вращения на выходном валу редуктора - 100,97 об/мин
Общее передаточное число привода - 12,96
Вращающий момент на выходном валу - 732 Нм

Техническая характеристика редуктора:
1. Мощность на быстроходном валу, кВт - 8.06
2. Частота вращения быстроходного вала, мин - 403,89
3. Передаточное число - 4
4. Момент на тихоходном валу, Н м - 732,56
5. Частота вращения тихоходного вала, мин - 100,97


Сообщить о проблеме
Дата
29.09.2015
Язык
Русский
Состав
Механизм передвижения мостового крана (ВО), Стойка (СБ), Редуктор конический (СБ), Деталировка (колесо зубчатое, вал, крышка), Спецификация, Расчетно-пояснительная записка
Софт
КОМПАС-3D 15.1 Как открыть?
Отзывов пока нет
Задать вопрос
Содержимое архива
      • icon-cdw Чертеж22222.cdw
      • icon-cdw Конический редуктор.cdw
      • icon-cdw 3 Деталировка.cdw
      • icon-cdw Спец общий вид1.cdw
      • icon-cdw Спец редуктора лист1.cdw
      • icon-cdw Спец редуктора лист2.cdw
      • icon-cdw Спец стойка лист1.cdw
    • icon-doc Содержани1.docx
    • icon-doc ТИТУЛЬНЫЙ ЛИСТ.doc
    • icon-doc пояснилка готовая.docx
Чтобы скачать чертеж, 3D модель или проект, Вы должны зарегистрироваться и принять участие в жизни сайта. Посмотрите, как тут скачивать файлы
Отзывов пока нет
Чтобы оставить отзыв, необходимо войти
Войти с помощью:

Используя функцию входа через сторонние сервисы, Вы соглашаетесь на обработку персональных данных в соответствии с Политикой конфиденциальности