Перейти к содержимому
Войти

Расчет привода механизма передвижения мостового крана

0
154
2411
34
0
50

Пермский Национальный Исследовательский Политехнический Университет
Кафедра Инновационные технологии машиностроения
Курсовой проект По дисциплине: ”Детали машин”
на тему Привод механизма передвижения мостового крана
Пермь, 2014

Курсовой проект содержит пояснительную записку 20 листов, чертежи кинематики и сборочного чертежа редуктора и рамы.
Исходными данными является Техническое задание 3, вариант №4 из Шейнблит А.Е.
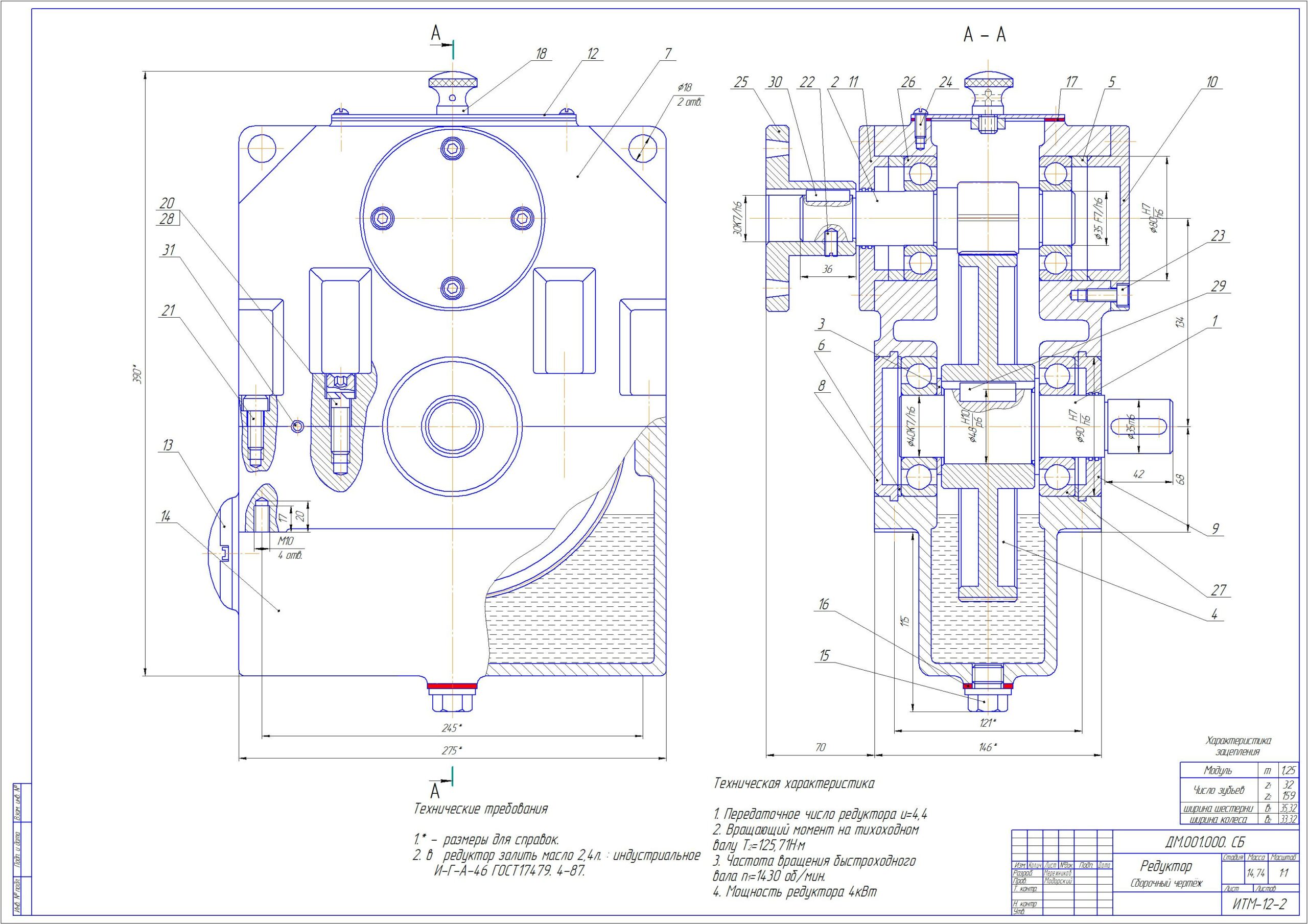
Технические характеристики разработанного приспособления: Тип двигателя 4АМ100S2У3


Сообщить о проблеме
Дата
12.04.2016
Язык
Русский
Состав
Компоновка(СБ),спецификация, чертеж вала-шестерни
Софт
КОМПАС-3D 15 SP1 Как открыть?
Отзывов пока нет
Задать вопрос
Содержимое архива
      • icon-cdw
        Кинематическая схемаа.cdw
      • icon-cdw
        Расчётная схема2.cdw
      • icon-cdw
        Схема нагружения.cdw
      • icon-cdw
        расчетная схема1.cdw
    • icon-cdw
      Кинематическая схема.cdw
    • icon-jpg
      Кинематическая схема.jpg
    • icon-cdw
      Расчётная схема2.cdw
    • icon-jpg
      Расчётная схема2.jpg
    • icon-cdw
      Схема нагружения.cdw
    • icon-jpg
      Схема нагружения.jpg
    • icon-cdw
      расчетная схема1.cdw
    • icon-jpg
      расчетная схема1.jpg
    • icon-cdw
      Вал-шестерня.cdw
    • icon-cdw
      Компановка.cdw
    • icon-cdw
      Рама.cdw
    • icon-cdw
      Сборочный чертеж.cdw
    • icon-cdw
      Спецификация1.cdw
    • icon-spw
      Спецификация рама.spw
    • icon-cdw
      Чертеж Колеса.cdw
    • icon-cdw
      спецификация2.cdw
  • icon-doc
    ПЗмоя.docx
  • icon-doc
    Содержание.docx
  • icon-doc
    Титульник.doc
Чтобы скачать чертеж, 3D модель или проект, Вы должны зарегистрироваться и принять участие в жизни сайта. Посмотрите, как тут скачивать файлы
Отзывов пока нет
Чтобы оставить отзыв, необходимо войти
Войти с помощью:

Используя функцию входа через сторонние сервисы, Вы соглашаетесь на обработку персональных данных в соответствии с Политикой конфиденциальности