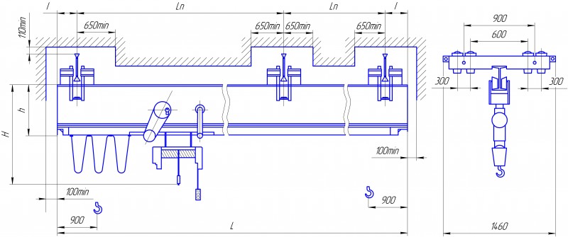
Кран мостовой электрический одноб. подвесн.двухпролетный 1-5т
- Главная -
- Чертежи -
- Машиностроение и механика -
- Подъемно транспортные установки (ПТУ) -
- Краны -
- КМЭ одноб. подвесн.двухпролетный 1-5т
КМЭ одноб. подвесн.двухпролетный 1-5т
0
285
1487
2
0
60
Сообщить о проблеме
Автор
Дата
09.11.2011
Язык
Русский
Состав
ВО
Софт
КОМПАС-3D 10
Как открыть?
Отзывов пока нет
Содержимое архива
-
КМЭ одноб. подвесн.двухпролетный 1-5т.frw
Чтобы скачать чертеж, 3D модель или проект, Вы должны зарегистрироваться
и принять участие в жизни сайта. Посмотрите, как тут скачивать
файлы
Отзывов пока нет
Чтобы оставить отзыв, необходимо войти
Войти с помощью:
Используя функцию входа через сторонние сервисы, Вы соглашаетесь на обработку персональных данных в соответствии с Политикой конфиденциальности
Используя функцию входа через сторонние сервисы, Вы соглашаетесь на обработку персональных данных в соответствии с Политикой конфиденциальности